![]()
Perkins1106A/C發動機機殼體(前)-拆卸
拆卸步驟
開始:
a.拆下風扇和皮帶輪。請參閱《Perkins1106A/C發動機拆解和組裝》,“風扇-拆卸和安裝”。
b.如有必要,拆下Perkins1106A/C發動機交流發電機。請參閱《Perkins1106A/C發動機拆解和組裝》,“Perkins1106A/C發動機交流發電機-拆卸”。
c.拆卸前皮帶輪。請參閱《Perkins1106A/C發動機拆解和組裝》,“Perkins1106A/C發動機減振器和皮帶輪-拆卸”。
d.拆下發動機油底殼。請參閱《Perkins1106A/C發動機拆解和組裝》,“發動機油底殼-拆卸”。
e.如果發動機配備了Perkins1106A/C發動機附件驅動器,卸下該Perkins1106A/C發動機附件驅動器。請參閱《Perkins1106A/C發動機拆解和組裝》,“Perkins1106A/C發動機附件驅動器-拆卸和安裝”。
f.將冷卻液排入適當的容器以便儲存或棄置。有關正確的程序,請參閱《Perkins1106A/C發動機操作和保養手冊》,“冷卻系統冷卻液-排放”。
g.卸下正時齒輪。請參閱《Perkins1106A/C發動機拆解和組裝》,“齒輪總成(前)-拆卸和安裝”。
h拆下Perkins1106A/C發動機燃油噴油泵。請參閱《Perkins1106A/C發動機拆解和組裝》,“Perkins1106A/C發動機燃油噴油泵-拆卸”。
注意:在檢驗、保養、測試、調整及維修產品時,務必留心,確保液體盛裝在容器中。在打開任何腔室或拆解任何儲有液體的部件之前,要準備好用合適的容器收集液體。按照本地法規和指令處置所有液體。

1拆下將旁通管(2)固定在前Perkins1106A/C發動機機殼體(3)上的螺栓(1)。將旁通管(2)從Perkins1106A/C發動機缸蓋上拆下。從旁通管(2)上卸下O形密封圈(4)和(5)。

2.將螺栓(7)、(8)和(9)從前Perkins1106A/C發動機機殼體(3)上拆下。
注:螺栓有三種不同的長度。記錄不同螺栓的位置。
3從Perkins1106A/C發動機缸體上卸下前Perkins1106A/C發動機機殼體(3)。
4拆下密封墊(6)。

5如有必要,將止推墊圈(10)從Perkins1106A/C發動機缸體上拆下。
Perkins1106A/C發動機機殼體(前)-安裝
安裝步驟

注意:保持所有零件清潔無雜質。雜質會造成快速磨損和縮短部件壽命。
1.確保前Perkins1106A/C發動機機殼體清潔且無損壞。如有必要,更換前Perkins1106A/C發動機機殼體。將封塞安裝到新的前Perkins1106A/C發動機機殼體上。使用工具(A)密封所有D形塞。
2.清潔Perkins1106A/C發動機缸體的所有密封墊表面。

3如有必要,將止推墊圈(10)安裝到Perkins1106A/C發動機缸體的凹槽中。更多信息請參閱《Perkins1106A/C發動機拆解和組裝》,“Perkins1106A/C發動機凸輪軸-安裝”。

4將工具(B)安裝到Perkins1106A/C發動機缸體上。請參閱插圖143。
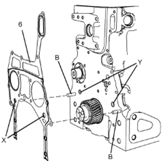
5對準新密封墊(6)與工具(B)。將接頭安裝到Perkins1106A/C發動機缸體中。
注:確保密封墊上的兩個圓形凸舌(X)與Perkins1106A/C發動機缸體上的兩個孔(Y)接合。

6將工具(C)安裝到Perkins1106A/C發動機缸體上。
7將前Perkins1106A/C發動機機殼體從工具(B)和工具(C)的上方安裝到Perkins1106A/C發動機缸體上。

(7)M8×20mm
(8)M8×35mm
(9)M8×25mm
8將新螺栓(9)安裝到前Perkins1106A/C發動機機殼體(3),用手擰緊。
9拆下工具(B)。
10.安裝螺栓(7)和(8),不要擰緊。有關螺栓的正確位置,請參閱插圖145。
11.對準前Perkins1106A/C發動機機殼體(3)的底面與Perkins1106A/C發動機缸體的下加工面。使用工具(D)和塞尺,檢查前Perkins1106A/C發動機機殼體與Perkins1106A/C發動機缸體之間的對準。請參閱插圖144。更多信息請參閱《技術參數》,“前Perkins1106A/C發動機機殼體和蓋”。
12.按照圖146所示的順序擰緊螺栓(9)至扭矩為28N·m(248lbin)。
13.重復步驟11,確保前Perkins1106A/C發動機機殼體(3)的底面與Perkins1106A/C發動機缸體的下部機加工面仍然對準。

14.按照圖146所示的順序擰緊螺栓(7)和(8)至扭矩為28N·m(248lbin)。
注:確保Perkins1106A/C發動機機殼體與Perkins1106A/C發動機缸體正確對準。
15.將工具(C)從Perkins1106A/C發動機缸體上拆下。
16.安裝一個新的Perkins1106A/C發動機曲軸前油封。請參閱《Perkins1106A/C發動機拆解和組裝》,“Perkins1106A/C發動機曲軸前油封-拆卸和安裝”。

17.將新O形密封圈(4)和(5)安裝到旁通管(2)上。使用工具(E)潤滑O形密封圈。將旁通管(2)安裝到Perkins1106A/C發動機缸蓋上。安裝螺栓(1)。擰緊螺栓至扭矩為22N·m(195lbin)。
結束:
a.安裝Perkins1106A/C發動機燃油噴油泵。請參閱《Perkins1106A/C發動機拆解和組裝》,“Perkins1106A/C發動機燃油噴油泵-安裝”。
b安裝正時齒輪。請參閱《Perkins1106A/C發動機拆解和組裝》,“齒輪總成(前)-安裝”。
c如果發動機配備了Perkins1106A/C發動機附件驅動器,安裝該Perkins1106A/C發動機附件驅動器。請參閱《Perkins1106A/C發動機拆解和組裝》,“Perkins1106A/C發動機附件驅動器-拆卸和安裝”。
d安裝發動機油底殼。請參閱《Perkins1106A/C發動機拆解和組裝》,“發動機油底殼-安裝”。
e安裝Perkins1106A/C發動機減振器和皮帶輪。請參閱《Perkins1106A/C發動機拆解和組裝》,“Perkins1106A/C發動機減振器和皮帶輪-安裝”。
f如有必要,安裝Perkins1106A/C發動機交流發電機。請參閱《Perkins1106A/C發動機拆解和組裝》,“Perkins1106A/C發動機交流發電機-安裝”。
g安裝風扇和皮帶輪。請參閱《Perkins1106A/C發動機拆解和組裝》,“風扇-拆卸和安裝”。
h向冷卻系統加注冷卻液。請參閱《Perkins1106A/C發動機操作和保養手冊》,“冷卻系統冷卻液-加注”以了解正確程序。