康明斯B3.9、B4.5、B4.5 RGT 和 B5.9 發動機進氣歧管空氣加熱器芯安裝
安裝新密封墊和進氣歧管加熱器。
安裝 4 個螺栓和單獨的黑色(接地)加熱器導線。

圓柱型
在進氣歧管中安裝進氣歧管空氣加熱器。
旋轉冷起動輔助裝置,將電源端子與進氣歧管頂部的機加工孔對齊。
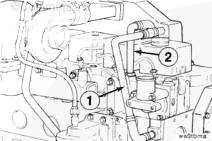
穿過進氣歧管孔在進氣歧管加熱器元件中安裝電源端子 (3)、隔塊/隔套 (4) 和墊圈 (1)。
在冷起動輔助裝置中擰緊電源端子。
扭矩值: 8 n.m [71 in-lb]
安裝并擰緊固定螺栓 (2)。
扭矩值: 8 n.m [71 in-lb]

康明斯B3.9、B4.5、B4.5 RGT 和 B5.9 發動機中冷器安裝 TOC
注: 圖示的孔均已鉆透。在螺栓上涂抹液體 Teflon™ 密封膠。
安裝康明斯B3.9、B4.5、B4.5 RGT 和 B5.9 發動機中冷器殼體和新密封墊。
扭矩值: 24 n.m [18 ft-lb]

安裝冷卻液供應管 (1) 和冷卻液回流管 (2)。
扭矩值: 8 n.m [71 in-lb]

安裝密封件、進氣管接頭彎管和 V 形帶卡箍。
擰緊 V 形帶箍。
扭矩值: 8 n.m [71 in-lb]

康明斯B3.9、B4.5、B4.5 RGT 和 B5.9 發動機空氣跨接管安裝 TOC
按照與拆卸相反的順序安裝跨接管和卡箍。
擰緊卡箍。
扭矩值: 8 n.m [71 in-lb]

康明斯B3.9、B4.5、B4.5 RGT 和 B5.9 發動機AFC 空氣管安裝 TOC
分配式泵
注: 安裝管路時使用新密封墊圈。
按與拆卸相反的順序組裝。
扭矩值: 9 n.m [80 in-lb]

直列泵
按與拆卸相反的順序安裝 AFC 管。
扭矩值: 24 n.m [18 ft-lb]

康明斯B3.9、B4.5、B4.5 RGT 和 B5.9 發動機閉式曲軸箱通風閥安裝 TOC
在閉式曲軸箱通風軟管上連接挺桿蓋閉式曲軸箱通風閥,然后擰緊軟管卡箍。
扭矩值: 8 n.m [71 in-lb]

在康明斯B3.9、B4.5、B4.5 RGT 和 B5.9 發動機閉式曲軸箱通風軟管上連接閉式曲軸箱通風閥,然后固定軟管卡箍。
扭矩值: 8 n.m [71 in-lb]