道依茨BF6M1013發動機裝配維修培訓
F2L1011、F3L1011、F4L1011、F2L912/3、F3L912/3、F4L912/3、BF4L914、BF4M1011F、F4M1011F、F3M1011F、BF4M2012、BF4M1013、F8L413


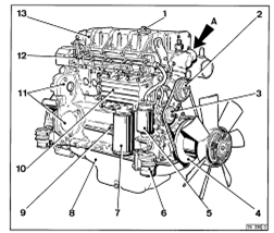
道依茨BF6M1013發動機操作側

1加油器,2 冷卻劑泵,3燃料泵,4 減震器,5 潤滑油過濾器,6 設備固定架,7 燃料過濾器,8 承油盤,9 量油計,10潤滑油冷卻器,11液壓泵的固定裝置,12 帶有壓力調整閥的逆向燃料泄漏管,
13 汽缸頂部,A: 冷卻劑入口
道依茨BF6M1013發動機啟動側

14 升降點,15曲軸箱呼吸閥,16 調速器,17 SAE護蓋,18調速輪,19 啟動馬達,20 廢氣渦輪增壓器,21鼓風機,22 排氣總管,23進氣口總管,
道依茨BF6M1013發動機缸體機油油路
