康明斯QST30柴油發動機燃油泵驅動裝置概述
QST30 發動機系列使用兩個明顯不同類型的燃油泵驅動:驅動開放型(也稱為底座安裝型)和法蘭安裝型。兩個系統都由前齒輪系驅動,并通過軸和聯軸器配置總成為燃油泵凸輪軸提供動力。1997 年 7 月底之前生產的所有發電機驅動型和發電機組發動機都使用驅動開放型(底座安裝型)系統。該系統將連接在齒輪室后部的驅動殼體和外露的傳動軸與柔性接頭合為一體,以促動驅動開放型(底座安裝型)P8500 燃油泵。
法蘭安裝型系統將連接在齒輪室后部的驅動殼體,和全封閉的傳動軸和花鍵型聯軸器合為一體。1997 年 8 月及以后生產的所有發動機都使用法蘭安裝型系統。
該系統將連接在齒輪室后部的驅動殼體和外露的傳動軸與柔性接頭合為一體,以促動驅動開放型(底座安裝型)P8500 燃油泵。當安裝在發動機上時,外露的軸和聯軸器都用保護罩蓋住。完成工作后必須重新安裝蓋。
法蘭安裝型傳動系統帶有一根全封閉的傳動軸,為燃油泵提供動力。燃油泵直接連接在傳動軸后端的凸緣表面上。法蘭安裝型傳動軸通過花鍵接頭和花鍵聯軸器配置總成連接到燃油泵凸輪軸上。在驅動支座中有機油供油和回油通道,用以潤滑襯套、傳動軸和燃油泵。P8500 和 RP39 泵都使用了機油供油通道,但是只有 P8500 泵使用了回油通道。RP39 泵通過外部管路將機油返回到集油槽。
法蘭安裝型驅動有兩種支座:一種用于左側,一種用于右側。這些驅動支座可以通過最靠近燃油泵一端的”耳部”厚度來識別,該部位用來連接支架。左排支架”耳部”較薄,大約 15 mm [0.6 in],而右排支架的”耳部”相對更厚一些,大約為 37 mm [1.5 in]。

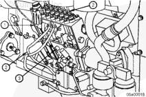
驅動開放型(底座安裝型)系統

驅動開放型(底座安裝型)燃油泵驅動
1油封 (1),2直螺紋 O 形圈螺塞 (2),3 O 形密封圈 (2),4驅動殼體,5 O 形密封圈 (2),6 O 形密封圈,7軸,8半圓鍵,9止推板,10螺栓 (3),11墊圈,12螺母,13襯套 (2)。

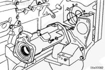
法蘭安裝型驅動系統

法蘭安裝型驅動燃油泵驅動
1驅動殼體,2直螺紋 O 形圈螺塞 (3),3螺母,4止推板(小內徑),5止推軸承,6襯套 (2),7止推軸承,8止推板(大內徑),9傳動軸,10半圓鍵(參考注釋),11花鍵接頭,12螺母。
注: 半圓鍵只用在軸的后部。
康明斯QST30柴油發動機燃油泵驅動裝置拆卸
警告 ![]()
當驅動開放型燃油泵驅動蓋拆下后不要操作發動機。如果蓋已拆下,且軸或者柔性聯軸器被損壞,在操作時碎片可能會飛出從而造成人身傷害或損壞其它設備。
驅動開放型 - 底座安裝型 - 在拆卸燃油泵驅動或燃油泵之前旋轉曲軸至指定的發動機正時。拆卸燃油泵。參考步驟 005-012。拆下前齒輪室蓋參考步驟 001-031 。

拆卸固定驅動齒輪轂總成和軸的螺母和墊圈。拆卸相距 180 度的固定驅動齒輪和轂的其中兩個螺栓。

使用兩個大約 4 英寸長的 M12 x 1.75 螺栓。擰緊這些螺栓使其穿過驅動齒輪和轂總成。使用齒輪拉拔器(零件號 ST-647)從軸上拆下驅動齒輪和轂總成。拆卸鍵。

拆卸固定驅動殼體和齒輪室后部的四個螺栓。拆下驅動殼體總成。

法蘭安裝型驅動 - 拆卸燃油泵驅動或燃油泵之前旋轉曲軸至指定的發動機正時。拆卸燃油泵。參考步驟 005-012。

拆卸前齒輪室蓋上的燃油泵驅動齒輪室蓋板。

拆卸固定驅動齒輪總成和傳動軸上的大螺母 (1) 和墊圈。拆卸固定驅動齒輪和轂的兩個螺栓(相距 180 度)。

使用兩個大約 4 英寸長的 (M12 x 1.75) 螺栓。擰緊螺栓使其穿過驅動齒輪和轂總成。使用齒輪拉拔器(零件號 ST-647)從軸上拆下驅動齒輪和轂總成。檢查以確保驅動齒輪總成將由齒輪系支撐著。如果沒有支撐,使用一根導線防止其掉落到油底殼。鍵沒有裝在法蘭安裝型燃油泵驅動總成上。

拆卸固定法蘭安裝殼體總成和前齒輪室的四個螺栓。拆卸燃油泵驅動殼體總成。

康明斯QST30柴油發動機燃油泵驅動裝置清潔
警告 ![]()
當使用溶劑、酸或堿性材料清洗時,請遵循制造商的使用建議。戴上護目鏡并穿上防護服,以避免人身傷害。
警告 ![]()
使用壓縮空氣時,戴上合適的護目鏡和防護面罩。飛揚的碎屑和污垢會造成人身傷害。
使用溶劑清洗零件,并用壓縮空氣吹干。

康明斯QST30柴油發動機燃油泵驅動裝置檢查能否繼續使用
檢查下列部件是否損壞:
驅動殼體
軸
止推板。
測量軸向間隙。
|
驅動開放型(底座安裝型)軸端間隙 | ||
|
mm |
in | |
|
0.070 |
最小 |
0.003 |
|
0.226 |
最大 |
0.009 |

檢查下列是否損壞:
驅動殼體
軸
花鍵接頭
止推板
止推軸承
襯套。

測量法蘭安裝型燃油泵驅動軸端間隙。
|
凸緣安裝驅動的端隙 | ||
|
mm |
in | |
|
0.00 |
最小 |
0.000 |
|
0.51 |
最大 |
0.020 |
必須用手轉動軸。

康明斯QST30柴油發動機燃油泵驅動裝置安裝
驅動開放型/底座安裝型 - 安裝 O 形圈。
將驅動開放型殼體總成安裝到齒輪室后部。
安裝四顆螺栓。
扭矩值: 108 n.m [80 ft-lb]

安裝鍵子。
安裝燃油泵驅動齒輪。

安裝螺母和墊圈。
初始扭矩
12 n.m
[106 in-lb]
注: 這種低扭矩值將使驅動軸的錐形端齒輪總成座合。設定燃油正時后將施加最終扭矩。參考步驟 005-012。

安裝燃油噴油泵。參考步驟 005-012。安裝前齒輪室蓋。參考步驟 001-031。

法蘭安裝型驅動 - 安裝 O 形圈。將法蘭安裝型驅動殼體總成安裝到齒輪室的后部。安裝四顆螺栓。扭矩值: 108 n.m [80 ft-lb]

安裝燃油泵驅動齒輪總成。法蘭安裝型燃油泵驅動不使用鍵。

安裝螺母和墊圈。
用手擰緊螺母。在設定燃油泵正時后,該螺母將擰緊到其最終扭矩。參考燃油泵正時(步驟 005-012)。

安裝燃油噴油泵。參考步驟 005-012。
