
康明斯重載和大馬力發動機預潤滑裝置
本公告中涉及的發動機包括 康明斯L10、M11、N14、V28、K19、QSK19、QST30、K38、QSK45、K50、QSK60 和 QSK78 發動機。本公告將指導用戶正確安裝、使用和故障診斷預潤滑系統。
設計 C ummins® 預潤滑系統是為了在起動前給發動機進行預潤滑。使用該系統將:
降低干起動的危險
機油更換時預加注新機油濾清器
減少由于起動后壓力延遲所引起的高壓摩擦表面磨損。
提供兩種型號的預潤滑系統:整體安裝式和遠程安裝式。
整體安裝式有一個配有經過專門設計的起動馬達的泵,該起動馬達基于 Del c o Remy® 50MT 制造。
遠程安裝式有個一遠程支架,將泵和馬達作為一個獨立的組件安裝。
目錄
系統和部件說明 1
本節敘述了兩個系統的系統內容和部件功能。
安裝指南 5
本節介紹系統正確安裝的要求。還描述了安裝后的正常操作。
發動機特定安裝和應用指南 9
本節介紹上面列出的發動機型號特定安裝和應用指南。
故障診斷 21
本節介紹潛在的故障模式和如何識別有故障的部件。本節包括故障診斷樹
保修 27
本節介紹適用于每一個新 C ummins® 預潤滑系統的保修。也包括填寫可保修故障、故障代碼和標準維修工時 (SRT) 的填寫索賠說明。
系統和部件說明
|
注意 定時器電磁閥箱安裝時必須使電磁閥箱水平并且電磁閥箱的水平軸與曲軸中心線成 90 度。水平安裝電磁閥箱將減小被意外觸發的風險,這種意外觸發是由于在粗糙地形上而產生的振動負載(上下運動)造成的。與曲軸中心線成 90 度安裝可以減小開關因快速起動和停止影響而觸發的危險。此外, 此裝置不要安裝在發動機上,或者接近排氣部件。 |
必須用于減少預潤滑泵所需的輸送量,以降低干起動或延遲泵油的危險。
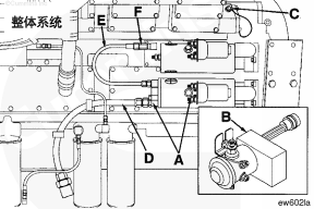
整體系統部件

圖 1,康明斯K38/K50 左排
A. 起動馬達和泵總成,B. 定時器電磁閥(水平安裝式并與曲軸中心線方向成 90 度), C . 機油壓力開關,D. 吸油管,E. 出油管,F. 單向閥。*導線線束和其他硬件(未顯示)。參考上面的整體雙系統圖。整體系統可適用于使用電動馬達的應用中。預潤滑起動馬達/泵可以替代下部傳統起動馬達。遠程系統部件

圖 2,康明斯K38/K50 左排
A. 馬達和泵總成,B. 定時器電磁閥(水平安裝式并與曲軸中心線方向成 90 度), C . 壓力開關,D. 吸油管,E. 壓力管,F. 單向閥,G. 遠程安裝支架
*導線線束和其他硬件(未顯示)。參考上面的遠程起動馬達系統圖。
C ummins® 零件分銷中心零件號
現在,可從 C ummins® 零件分銷中心和柴油發動機 Re C on® 部門獲得現場改型套件和維修更換部件。零件列表如下所示。
|
康明斯K19 和 V28 零件號 - 預潤滑系統 | ||||
|
零件說明任一排 |
K19 整體零件號 |
K19 遠程零件號 |
V28 整體零件號 |
V28 遠程零件號 |
|
組件包 |
3803786 |
3803789 |
3803791 |
3803793 |
|
管路和電氣組件 |
3803787 |
3803790 |
3803792 |
3803792 |
|
管路組件(僅) |
3804563 |
3804563 |
3804564 |
3804564 |
|
電氣組件(僅) |
3804558 |
3804559 |
3804558 |
3804559 |
|
馬達和泵總成 |
3628964 |
3628965 |
3628964 |
3689965 |
|
定時器電磁閥 |
3628971 |
3628971 |
3628971 |
3628971 |
|
機油壓力開關,28kPa [4.0 psi] |
3084200 |
3084200 |
3084200 |
3084200 |
|
導線線束 |
3084199 |
3628658 |
3084199 |
3628658 |
|
單向閥 |
3628751 |
3628751 |
3628751 |
3628751 |
|
康明斯QSK19 C ummins® 零件號 - 預潤滑系統 | ||
|
零件名 |
右排 |
整體零件號 |
|
組件包 |
3800663 |
|
|
馬達和泵總成 |
3084198 |
|
|
定時器電磁閥 |
3628971 |
|
|
機油壓力開關,28kPa [4.0 psi] |
3347747 |
|
|
導線線束 |
3084199 |
|
|
單向閥 |
3084202 |
|
|
康明斯QST30 C ummins® 分銷中心零件號 - 預潤滑系統 | ||
|
整體零件號 | ||
|
零件名 |
左排 |
右排 |
|
組件包 |
3800721 |
3800722 |
|
馬達和泵總成 |
3628757 |
3628997 |
|
定時器電磁閥 |
3628971 |
3628971 |
|
機油壓力開關,28kPa [4.0 psi] |
3094400 |
3094400 |
|
導線線束 |
3084199 |
3092612 |
|
單向閥 |
3092150 |
3092150 |
|
康明斯K38 和 K50 C ummins® 分銷中心零件號 - 預潤滑系統 | ||
|
零件說明任一排 |
整體零件號 |
遠程零件號 |
|
組件包 |
3803782 |
3803874 |
|
管路和電氣組件 |
3803783 |
3803785 |
|
管路組件(僅) |
3803788 |
3803788 |
|
發動機潤滑起動注油器 |
3628964 |
3628965 |
|
定時器電磁閥 |
3628971 |
3628971 |
|
機油壓力開關,17kPa [2.5 psi] |
3628750 |
3628750 |
|
導線線束 |
3628996 |
3628658 |
|
安裝支架(用于遠程安裝泵) |
N/A |
3628476 (RB) 3628480 (LB) |
|
單向閥組件 |
3800755 |
3800755 |
|
外螺紋接頭 |
105503 |
105503 |
|
普通 T 形適配器 |
3633245 |
3633245 |
|
單向閥 |
3633246 |
3633246 |
|
康明斯QSKV45 和 QSKV60 C ummins® 分銷中心零件號 - 整體式預潤滑系統 | ||
|
整體零件號 | ||
|
零件名 |
左排 |
右排 |
|
馬達和泵總成 |
3410641 |
3171100 |
|
定時器電磁閥 |
3628971 |
3628971 |
|
機油壓力開關,17kPa [2.5 psi] |
3171350 |
3171350 |
|
導線線束 |
3628758 |
3628758 |
|
單向閥 |
4015977 |
4015977 |
|
康明斯QSKV45 和 QSKV60 C ummins® 分銷中心零件號 - 遠程式預潤滑系統 | |
|
零件名 |
零件號 |
|
發動機潤滑起動注油器 |
4086437 |
|
定時器電磁閥 |
4065468 |
|
機油壓力開關 - 31 kPa [4.5 psi] |
4101287 |
|
導線線束 |
4065275 |
|
康明斯K19 和 V28 柴油發動機 Re C on® 零件號 - 預潤滑系統 | ||||
|
零件名 |
K19 整體零件號 |
K19 遠程零件號 |
V28 整體零件號 |
V28 遠程零件號 |
|
馬達和泵總成 |
3603866 PL |
3628965 PL |
3603866 PL |
3652546 PL |
|
管路組件(僅) |
3652551 PL |
3652551 PL |
3652548 PL |
3652548 PL |
|
電氣組件(僅) |
3652552 PL |
3652553 PL |
3652552 PL |
3652553 PL |
|
定時器電磁閥 |
3652561 PL |
3652561 PL |
3652561 PL |
3652561 PL |
|
機油壓力開關,28kPa [4.0 psi] |
3652554 PL |
3652554 PL |
3652554 PL |
3652554 PL |
|
康明斯QSK19 柴油發動機 Re C on® 零件號 - 預潤滑系統 | ||
|
零件名 |
整體零件號 |
遠程零件號 |
|
馬達和泵總成 |
3603868 PL |
3675250 PL |
|
管路組件(僅) |
||
|
電氣組件(僅) |
3652552 PL |
3652553 PL |
|
定時器電磁閥 |
3652561 PL |
3652561 PL |
|
康明斯機油壓力開關,28kPa [4.0 psi] |
3652554 PL |
3652554 PL |
|
康明斯K38 和 K50 柴油發動機 Re C on® 零件號 - 預潤滑系統 | ||
|
零件名 |
整體零件號 |
遠程零件號 |
|
康明斯馬達和泵總成 |
3603868 PL |
3652546 PL |
|
康明斯管路組件(僅) |
3652547 PL |
3652547 PL |
|
康明斯電氣組件(僅) |
3652552 PL |
3652553 PL |
|
康明斯定時器電磁閥 |
3652561 PL |
3652561 PL |
|
康明斯機油壓力開關,17kPa [2.5 psi] |
3652721 PL |
3652721 PL |