
Perkins4016-61 TRG工業柴油發動機進排氣系統
Perkins4016柴油發動機進氣和排氣的阻力
應對Perkins柴油發動機進排氣系統進行綜合性目視檢查。確保系統沒有滲漏跡象。

Perkins4016柴油發動機進氣阻力
如果Perkins柴油發動機進氣系統有阻力發動機性能就會降低。
1檢查Perkins發動機空氣濾清器進氣口和進氣管道以確保通道沒有被阻塞或壓扁。更詳細信息 請參閱《操作和保養手冊》,“發動機空氣預濾器.清潔”。
2檢查Perkins發動機空氣濾清器濾芯。用清潔的發動機空氣濾清器濾芯更換臟的發動機空氣濾清器濾芯。更詳細信息,請參閱《操作和保養千冊》,“發動機空氣濾清器.更換”。
3檢查發動機空氣濾清器濾芯清潔的一側有無灰塵的蹤跡。如果觀察到灰塵的蹤跡說明雜質正流過發動機空氣濾清器濾芯。
警告:高溫發動機部件可能導致灼傷。進行發動機保養之前讓發動機和部件冷卻下來。
警告:接觸正在運轉的發動機會因熱零件而導致灼傷或因旋轉零件而導致傷害。在旋轉的發動機上工作時,避免接觸熱零件或旋轉零件。

典型示倒
(1)空氣濾清器 (2)渦輪增壓器
a拆卸發動機空氣濾清器保養指示燈。安裝工具(A)。
b捋壓差表的壓力口向大氣敞開。
c起動發動機。以滿負荷運轉發動機。
d記錄數值。
E將步驟4 d的結果與下述適當數值相比較。流過發動機空氣濾清器的空氣不得超過以下量:最大阻力3.71 kPa (149 in H:O2)


在4012-61A TRG發動機上為測量進氣歧管空氣壓力,特工具(A)連接至位置(X)。承載操作發動機。
Perkins4016柴油發動機氣門間隙一調整

注意:只有具有資質的維修人員才能進行該項維修保養工作。對于整個氣門間隙調整步驟請參閱維修手冊或與授權的珀金斯代理商或珀金斯分銷商聯系。運行帶有錯誤氣門間隙的珀金斯發動機將會降低發動機效率,同時減少發動機部件的使用壽命。
警告:進行該項保養時,確保發動機不會被起動。不要使用起動馬達帶動飛輪以免造成人身傷害。熱的發動機零部件可能造成燙傷。在測量,調整氣門間隙前要等一定時間,讓發動機冷下來。
注意:在調整氣門間隙前必須調整氣門橋

1拆下調整螺釘(1)。2拆下搖臂室蓋(2)。3拆下接頭(未顯示)。4對其余的搖臂室蓋重復步驟1至3。對于4016·61 TRG發動機按表7中所示的順序調整氣門間隙。



5使用工具(A)旋轉曲軸,使飛輪上相應的標記(4)與指針(3)對齊。確保搖臂和連接件之間存在間隙。
注:正時窗口位于B排飛輪殼內。

6松開進氣門橋上的鎖緊螺母(7)。
7轉動調節器(6),使氣門橋(5)上的固定墊塊和調節器與氣門接觸。
8擰緊鎖緊螺母(7)至扭炬為50 Nm。
9對排氣門橋重復步驟6至8。

10使用工具(B)檢查氣門間隙。如有必要,遵照步驟10.a至10.f調整氣門間隙。將氣門間隙設置為0.4 mm (0.016 in)。
a松開進氣門搖臂上的鎖緊螺母(9)。
b使用工具(B)設置氣門間隙。
c轉動調節器(8),使搖臂上的墊塊與工具(B)接觸。
d擰緊鎖緊螺母(7)至扭矩為50 N.m。
e確保氣門間隙正確。
t對排氣門搖臂重復步驟10。
11對其余的搖臂重復步驟5至10。

12確保搖臂室蓋(2)清潔無損壞。確保搖臂底座 (10)的接合面清潔無損壞。
13安裝新接頭(未顯示)。
14安裝搖臂室蓋(2)。
15安裝調整螺釘(1)。擰緊調整螺釘至扭矩為4 N.m).
16對其余的搖臂室蓋重復步驟12至15。
Perkins4016柴油發動機渦輪增壓器
警告:高溫發動機部件可能導致灼傷。進行發動機保養之前讓發動機和部件冷卻下來。旋轉和移動零件會造成人身傷害。
避開所有旋轉和運動的部件。機器移動或發動機運轉時決不能試圖進行如何調整,除非只有規定。機器應停在水平位置并使發動機停機。
注意:保持所有零件清潔無雜質。雜質會造成快速磨損和縮短部件壽命。
注意:在檢驗、保養、測試、調整與維修產品時.務必留心確保液體盛裝在容器中。在打開任何腔室或拆解任何儲有液體的部件之前要準備好用合適的容器收集液體。按照本地法規和指令處于所有液體。
開始檢查Perkins4016柴油發動機渦輪增壓器之前確保進氣阻力處于具體發動機的規格范圍內。確保排氣系統阻力處于具體發動機的規格范圍內。請參閱《系統操作,測試與調整》“進排氣系統.檢查”。) 渦輪增壓器的狀況會對發動機的性能有定影響。使用以下檢查程序來確定渦輪增壓器的狀況。
·壓縮機和壓縮機殼體的檢查
·渦輪葉輪和渦輪殼體的檢查
Perkins4016柴油發動機壓縮機和壓縮機殼體的檢查
從壓縮機進口折下進氣管道。
1檢查壓縮機葉輪有無異物造成的損壞。如有損壞應確定異物的來源。根據需要清潔和修理進氣系統更換渦輪增壓器。如果沒有損壞,請進行步驟3。
2如果發現有異物堆積應清潔壓縮機葉輪和壓縮機殼體。如果沒有異物堆積請進行步驟3。
3用手轉動旋轉組件。當您轉動此組件時請側向推動該組件。總成應該轉動自如。壓縮機葉輪不應與壓縮機殼體摩擦。如果壓縮機葉輪與壓縮機葉輪殼體發生摩擦應更換渦輪增壓器。如果沒有摩擦或刮擦請進行步驟4。
4檢查壓縮機和壓縮機殼體有無漏油。壓縮機的漏油可能會堆積在后冷器內。如果發現后冷器中有機油應排孔并清潔后冷器。
a檢查曲軸箱中的機油油位。如果油位太高應調整油位。
b檢查空氣濾清器濾芯是否存在節流阻力。如果發現有節流阻力存在應修正該故障。
c檢查發動機曲軸箱呼吸器。如果發動機曲軸箱呼吸器堵塞應檢查或更換發動機曲軸箱呼吸器。
d拆下渦輪增壓器機油回油管路。檢查排油口。檢查排油管路。檢查旋轉組件的軸上的軸承之間的區域。查看有無油泥。檢查排油孔有無油泥。桂查排油管路內有無油泥。如有必要清潔旋轉組件的軸。如有必要清潔排油孔。如有必要清潔燃油管路。如果步驟4.a至步驟4.d沒有顯示出漏油的源頭渦輪增壓器應有內部損壞。更換渦輪增壓器。
Perkins柴油發動機渦輪葉輪和渦輪殼體的檢查
拆下渦輪增壓器殼體上的空氣管道。

典型實例
(1)渦輪殼體
(2)渦輪葉輪
(3)渦輪增壓器
1檢查渦輪有無異物造成的損壞。如有損壞應確定異物的來源。更換渦輪增壓器(3)。如果沒有損壞請進行步驟2。
2檢查渦輪機葉輪上(2)有無積碳和其它外物堆積。檢查渦輪機殼體(1)上有無積碳和其它外物堆積。如果發現有積磧和外物堆積 請清潔渦輪機葉輪(2)和渦輪機殼體(1)。如果沒有積碳或異物堆積請進行步驟3。
3用手轉動旋轉組件。當您轉動此組件時請側向推動該組件。總成應該轉動自如。渦輪機葉輪(2)不應與渦輪機殼體(1)發生摩擦。如果渦輪機葉輪(2)與渦輪機殼體(1)發生摩擦,請更換渦輪增壓器(3)。如果沒有摩擦或刮擦請進行步驟4。
4檢查渦輪機和渦輪機殼體上(1)有無漏油。檢查渦輪機和渦輪機殼體上(1)有無機油結焦。少許機油結焦可以清除。大量機油結焦可能需要更換渦輪增壓器。如果機油來自渦輪增壓器中司殼體請進行步驟4. a。
a拆下渦輪增壓器機油回油管路。檢查排油口。檢查旋轉組件的軸上的軸承之間的區域。查看有無油泥。檢查排油孔有無油泥。檢查排油管路有無油泥。如有必要清潔旋轉組件的軸。如有必要清潔排油口。如有必要清潔排油管路。
b如果曲軸箱壓力高或排油受阻,中間殼體內的壓力可能高于渦輪增壓器殼體(1)的壓力。機油可能被迫向錯誤的方向流動,機油可能排不出去。檢查曲軸箱壓力修正所有故障。如果排油管路損壞應更換排油管。
d檢查排油管路的路線。去除所有節流急彎。確保排油管路與發動機排氣歧管不要太近。
e如果步驟4.a至步驟4.d沒有顯露漏油的源頭,渦輪增壓器(3)應有內部損壞。更換渦輪增壓器(3)。
The intake and exhaust system of Perkins4016-61 TRG diesel engine
重要安全事項
Important safety instructions
Perkins產品的操作、保養和修理中的大多數事故,都是由于不崔守基本安全規則或預防措施引起的。若能在事故發生前認識到各種潛在危險,事故往往是可以避免的。對各種潛在的危險,必須對工怍人員提出警告。還必須對工作人員進行培訓.使其掌握必要的技能和正常使用工具。
Perkins products operation, maintenance and repair of the most accidents, are caused by not Cui Shou basic safety rules or preventive measures. If you can recognize the various potential risk before the accident, the accident is often avoided. The risk potential, must be warned about the working personnel. Must also be for staff training. To acquire the necessary skills and normal use of tools.
不正確的操作、涓滑、保養或修理產品是危險的,并會造成人身傷亡。
Incorrect operation, small sliding, maintenance or repair the product is dangerous, and can cause personal injury.
必須閱讀和理解產品的操作、潤滑、保養和修理的資料后,才可進行這些工作。
You must read and understand the product operation, lubrication, maintenance and repair information, to carry out the work.
在本手冊中和在產品上都提供有安全預防措施和警告。如果對這些警告不予注意會給自己或他人造成人身傷亡。
In this manual and in the product is provided with safety precautions and warnings. If not pay attention to will cause personal injury to themselves or others to these warnings.
識別危險用“安全警告符號”和“標志文字”,如“危險”、“警告”或“當心”。“警告”標貼如下所示
Hazard identification with "safety warning symbols" and "text", such as "dangerous", "warning" or "be careful". "Warning" stickers are shown as follows
Perkins4016柴油發動機進氣和排氣的阻力
Perkins4016 diesel engine intake and exhaust resistance
應對Perkins柴油發動機進排氣系統進行綜合性目視檢查。確保系統沒有滲漏跡象。
In response to the Perkins diesel engine intake and exhaust system to undertake a comprehensive visual inspection. Make sure that the system does not sign of leakage.
Perkins4016柴油發動機進氣阻力
Perkins4016 diesel engine intake resistance
如果Perkins柴油發動機進氣系統有阻力發動機性能就會降低。
If the Perkins diesel engine intake system of engine performance will decrease the resistance.
1檢查Perkins發動機空氣濾清器進氣口和進氣管道以確保通道沒有被阻塞或壓扁。更詳細信息 請參閱《操作和保養手冊》,“發動機空氣預濾器.清潔”。
1 check the Perkins engine air filter air inlet and an air inlet pipe to ensure that the channel is not blocked or flattened. Please refer to the "operation and maintenance manual" for more detailed information, "the engine air filter cleaning".
2檢查Perkins發動機空氣濾清器濾芯。用清潔的發動機空氣濾清器濾芯更換臟的發動機空氣濾清器濾芯。更詳細信息,請參閱《操作和保養千冊》,“發動機空氣濾清器.更換”。
2 check the Perkins engine air filter element. The engine air filter element replacement dirty engine air filter is clean. More detailed information, please refer to the "operation and maintenance of a thousand books", "replacing the engine air filter".
3檢查發動機空氣濾清器濾芯清潔的一側有無灰塵的蹤跡。如果觀察到灰塵的蹤跡說明雜質正流過發動機空氣濾清器濾芯。
One side of the 3 check the engine air filter is clean without dust. If the observed dust trail that impurities are through the engine air filter.
警告:高溫發動機部件可能導致灼傷。進行發動機保養之前讓發動機和部件冷卻下來。
Warning: hot engine components may cause burns. Let the engine and components to cool down before the engine maintenance.
警告:接觸正在運轉的發動機會因熱零件而導致灼傷或因旋轉零件而導致傷害。在旋轉的發動機上工作時,避免接觸熱零件或旋轉零件。
Warning: Contact running engine due to heat parts and cause burns or for rotating parts and cause harm. Work in a rotary engine, avoid contact with hot parts or rotating parts.
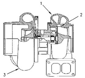
典型示倒
A typical example
(1)空氣濾清器 (2)渦輪增壓器
(1) the air cleaner (2) turbocharger
a拆卸發動機空氣濾清器保養指示燈。安裝工具(A)。
A remove the engine air filter maintenance indicator. Installation tool (A).
b捋壓差表的壓力口向大氣敞開。
B Le pressure gauge pressure port open to atmosphere.
c起動發動機。以滿負荷運轉發動機。
C start the engine. Run the engine at full load.
d記錄數值。
D record number.
E將步驟4 d的結果與下述適當數值相比較。流過發動機空氣濾清器的空氣不得超過以下量:最大阻力3.71 kPa (149 in H:O2)
E will step 4 D results with the proper numerical comparison. The air filter through the engine air shall not exceed the amount of the maximum resistance: 3.71 kPa (149 in H:O2)
在4012-61A TRG發動機上為測量進氣歧管空氣壓力,特工具(A)連接至位置(X)。承載操作發動機。
In the 4012-61A TRG engine for the measurement of intake manifold air pressure, special tool (A) is connected to the position (X). The engine load operation.
Perkins4016柴油發動機氣門間隙一調整
Valve clearance adjustment of Perkins4016 diesel engine
注意:只有具有資質的維修人員才能進行該項維修保養工作。對于整個氣門間隙調整步驟請參閱維修手冊或與授權的珀金斯代理商或珀金斯分銷商聯系。運行帶有錯誤氣門間隙的珀金斯發動機將會降低發動機效率,同時減少發動機部件的使用壽命。
Note: only the qualified personnel to repair the repair and maintenance work. For the valve clearance adjustment steps refer to repair manual or authorized agent or distributor contact Perkins Perkins. Running with the wrong valve clearance Perkins engines will reduce the efficiency of the engine, and reduce the service life of engine parts.
警告:進行該項保養時,確保發動機不會被起動。不要使用起動馬達帶動飛輪以免造成人身傷害。熱的發動機零部件可能造成燙傷。在測量,調整氣門間隙前要等一定時間,讓發動機冷下來。
Warning: to carry out the maintenance, to ensure that the engine can not be started. Do not use the starting motor drives the flywheel could cause injury to adult. Hot engine parts may cause burns. In the measurement, adjustment of valve clearance before a certain time, allow the engine to cool down.
注意:在調整氣門間隙前必須調整氣門橋
Note: must be adjusted in the adjustment of valve clearance valve bridge before
1拆下調整螺釘(1)。2拆下搖臂室蓋(2)。3拆下接頭(未顯示)。4對其余的搖臂室蓋重復步驟1至3。對于4016•61 TRG發動機按表7中所示的順序調整氣門間隙。
1 remove the adjustment screw (1). 2 remove rocker cover (2). 3 remove connector (not shown). 4 for the rest of the rocker arm chamber cover repeat steps 1 to 3. In 4016 • 61 TRG engine according to table in order to adjust the valve clearance is shown in 7.
5使用工具(A)旋轉曲軸,使飛輪上相應的標記(4)與指針(3)對齊。確保搖臂和連接件之間存在間隙。
5 the use of tools (A) rotating crankshaft, flywheel to mark the corresponding (4) and (3) aligned pointer. Ensure that the rocker arm and the connecting gap exists between the.
注:正時窗口位于B排飛輪殼內。
Note: the timing window in B row of flywheel shell.
6松開進氣門橋上的鎖緊螺母(7)。
6 loose into the lock nut on the valve bridge (7).
7轉動調節器(6),使氣門橋(5)上的固定墊塊和調節器與氣門接觸。
7 turn the regulator (6), so that the gas bridge (5) on the fixed block and the regulator and the valve contact.
8擰緊鎖緊螺母(7)至扭炬為50 Nm。
8 and tighten the lock nut (7) to twist Ju is 50 Nm.
9對排氣門橋重復步驟6至8。
Repeat steps 9 to 6 to 8 of the exhaust valve bridge.
10使用工具(B)檢查氣門間隙。如有必要,遵照步驟10.a至10.f調整氣門間隙。將氣門間隙設置為0.4 mm (0.016 in)。
10 the use of tools (B) check valve clearance. If necessary, follow steps 10.a to 10.f adjustment of valve clearance. The valve clearance is 0.4 mm (0.016 in).
a松開進氣門搖臂上的鎖緊螺母(9)。
A loose into the lock nut valve rocker arm (9).
b使用工具(B)設置氣門間隙。
Using the B tool (B) set the valve clearance.
c轉動調節器(8),使搖臂上的墊塊與工具(B)接觸。
C rotation controller (8), the block on the rocker arm and tool (B) contact.
d擰緊鎖緊螺母(7)至扭矩為50 N.m。
D tighten the lock nut (7) to a torque of 50 N.m.
e確保氣門間隙正確。
E to ensure that the correct valve clearance.
t對排氣門搖臂重復步驟10。
T on the exhaust valve rocker repeat step 10.
11對其余的搖臂重復步驟5至10。
11 the rest of the rocker arm repeat steps 5 to 10.
12確保搖臂室蓋(2)清潔無損壞。確保搖臂底座 (10)的接合面清潔無損壞。
12 to ensure the rocker cover (2) clean without damage. Ensure that the rocker base (10) of the joint surface is clean without damage.
13安裝新接頭(未顯示)。
13 installation of new joint (not shown).
14安裝搖臂室蓋(2)。
14 install rocker cover (2).
15安裝調整螺釘(1)。擰緊調整螺釘至扭矩為4 N.m).
15 installation adjusting screw (1). Tighten adjustment screw to a torque of 4 N.m)
16對其余的搖臂室蓋重復步驟12至15。
16 for the rest of the rocker arm chamber cover repeat steps 12 to 15.
Perkins4016柴油發動機渦輪增壓器
Perkins4016 diesel engine turbocharger
警告:高溫發動機部件可能導致灼傷。進行發動機保養之前讓發動機和部件冷卻下來。旋轉和移動零件會造成人身傷害。
Warning: hot engine components may cause burns. Let the engine and components to cool down before the engine maintenance. Rotating and moving parts can cause personal injury.
避開所有旋轉和運動的部件。機器移動或發動機運轉時決不能試圖進行如何調整,除非只有
To avoid all the rotating and moving parts. The movement of the machine or when the engine is running will not attempt to adjust, unless only