Cummings EFI diesel engine circuit diagram of the use of
電路圖是電控系統故障排查中必不可少的資料。能快速正確地閱讀康明斯電路圖是電控系統故障判斷的前提之一。康明斯電路圖是介于電路原理圖和電路裝配圖之間的一種電路圖。裝配圖能詳細反映電路的走向和零部件及插頭的形狀,如下左圖所示;原理圖則只是反映電路的工作原理,非常簡化。康明斯電路圖吸收兩種電路圖的優點,非常易于閱讀。
裝配圖原理圖
Circuit diagram is electrically controlled system troubleshooting essential information. Can quickly and correctly reading Cummins circuit diagram is one of premise of electronic control system fault diagnosis. Cummins circuit is a circuit diagram and circuit assembly between a circuit diagram. Assembly drawing can reflect the trend and the detailed circuit components and plug shape, as shown on the left; schematic just reflect the electric circuit principle of work, very simplified. Cummins circuit diagram is absorbed by the two circuit figure of merit, very easy to read.
Assembly diagram

康明斯電路圖示例
Cummins circuit diagram

電路圖中的顏色
康明斯原裝的電路圖為彩色圖,圖中的線路總共有五種顏色,分別是紅色、藍色、黑色、紫色和綠色。紅色代表系統供電電路的火線,包括電瓶向 ECM 的供電電路火線和 ECM向輸入輸出設備供電電路的火線;藍色代表輸入設備向 ECM輸入信號的信號電路,包括各種開關和傳感器及油門的輸出信號線;黑色代表供電電
路的地線,包括電瓶回路的地線和 ECM向輸入輸出設備供電的地線;紫色代表 ECM向輸出設備提供控制信號的控制信號線;綠色為數據通信線路。康明斯電噴柴油發動機電路圖|康明斯電噴柴油發動機維修技術|康明斯電噴柴油發動機電路圖資料|康明斯電噴柴油發動機維修服務商
電路中的符號
電瓶
保險絲
Circuit diagram of the color
Cummings original circuit for color map, map of the line has a total of five colors, red, blue, black, and green, purple. Red represents power supply circuit line, including the battery to the ECM line and ECM power supply circuit to the input / output device power supply circuit wire; blue representing the input device to the ECM input signal circuit, including a variety of switches and sensors and the output signal line; black represents power supply
Road ground, including battery circuit ground and ECM to input and output equipment power supply wire; the purple represents ECM to output device provides a control signal to the control signal line; green for data communication line.
Circuit symbols
Storage battery
Fuse


ECM上的插頭示例

鑰匙開關

傳感器示例
電子油門

開關
電路圖的結構
康明斯提供的發動機安裝到主機廠設備上,需要主機廠完成一系列的接線,其中包括 ECM的供電電路、發動機的啟動電路、油門電路、指示燈和控制開關電路等等。在康明斯電路圖中通過一根虛線將整個電路圖一分為二,圖中標明左邊電路為 OEM(主機廠)負責,右邊電路為康明斯負責,即左邊電路由主機廠負責安裝,右邊電路為發動機的出廠狀態。
需要指出的是,在實際的設備中,主機廠的電路連接不會完全和康明斯原裝電路圖中的接法一樣。這是因為康明斯電路圖中推薦的接法包含了發動機所有的特性,而主機廠在安裝時有些控制功能可能不啟用,或者在康明斯允許的前提下對電路作一定的改動。
Switch
Circuit diagram of structure
Cummings provided the engine mounted to the host plant, requiring a host plant to complete a series connection, which includes a ECM power supply circuit, the engine starting circuit, a throttle circuit, indicating lamp and a control switch circuit and so on. In the Cummings circuit by a dotted line to the entire circuit diagram of one divides into two., indicating the left circuit for OEM ( OEM ) is responsible for, the circuitry responsible for Cummings, which left circuit by the host plant is responsible for the installation, the circuit for engine state.
It is noted that, in the actual equipment, host plant circuit connection does not completely and Cummings original circuit diagram of the connection. This is because the Cummins circuit diagram of the recommended connection contains all engine characteristics, while the host plant in the installation of some control functions may not be enabled, or in Cummins allowed under the premise of circuit must change.

ECM供電電路
如前所述 ECM本身是需要外部供電的,如果 ECM的供電電路有問題,可能導致整個系統不能工作。對康明斯車用和工程機械用電控發動機,ECM的供電電路包括無開關電源和開關電源兩部分,如下圖所示。
無開關電源通過電瓶直接向 ECM供電,除了保險絲以外,不允許再接其它的元件。在 CM850/870/875之前的 ECM,無開關電源通常由三組(火線和地線)以上的線路構成,這是因為 ECM的工作電流較大,通過一組導線不能提供足夠的工作電流。對 CM850/870/875,ECM的無開關電源通過一個專用的插頭導入。
開關電源是通過鑰匙開關后接入 ECM的一根火線,接入 ECM前通常還有一個保險絲。在鑰匙開關處在 OFF關位置時,此火線處在斷開的位置。 ECM通過此處的電壓信號判斷開始或者結束工作,通常這里的信號也是發動機的熄火信號。
需要指出的是,對康明斯 G-drive機組驅動用發動機, ECM的供電電路中沒有開關電源,而只有無開關電源。
ECM power supply circuit
As the ECM itself is the need for external power supply, if the ECM power supply circuit has a problem, may cause the whole system can not work. The Cummings car and engineering machinery engine, ECM power supply circuit comprises a switch power supply and switch power supply part two, as shown below.
No switching power supply through the battery directly to the ECM power supply, in addition to fuse, not permitted to be connected with other components. Before the CM850/870/875ECM, no switching power supply is usually composed of three groups ( live line and ground line ) above the line, this is because the ECM working current is large, by a group of wires do not provide adequate working current. On CM850/870/875, ECM without switching power supply through a dedicated plug into.
Switching power supply is the key switch access ECM after a battle line, access to ECM before there is usually a fuse. Key switch is in the off position in OFF, this line is in the disconnected position. ECM through the voltage signal to judge the beginning or the end of the work, there is usually also the engine flameout signal signal.
What need points out is, to Kang Mingsi G-drive set driving engine, ECM power supply circuit without switch power supply, but no switching power supply.

鑰匙開關與起動電路
鑰匙開關是絕大部分汽車和工程機械上的一個標準元件,用于控制整車的運行。鑰匙開關的背面有四個接線柱,如右圖所示分別為電瓶、附件、起動機和點火。鑰匙開關的正面,即司機的操作,也有四個位置,分別為 ACC, OFF, ON和 ST,所以鑰匙開關也俗稱四位置開關。
鑰匙開關通過背面的電瓶接線柱接受來自電瓶的火線,然后通過鑰匙的不同位置,向不同的元件提供電源。由于系統采用負極搭鐵,鑰匙開關上沒有地線,只有火線。
一般來說,下表列出了鑰匙開關處在四個不同位置時,鑰匙開關背面四個極柱的供電狀態。假設系統使用 24伏電壓。
Key switch and starting circuit
Key switch is the vast majority of automobile and engineering machinery on a standard element, used to control the vehicle running. Key switch back has four terminals, such as shown in the figure are batteries, accessories, starter and ignition. Key switch front, namely the driver's operation, also has four positions, respectively ACC, OFF, ON and ST, so the key switch is also commonly known as the four position switch.
Key switch through the back side of the battery terminal post to accept from battery battle line, and then through the keys to different positions, different elements to provide a power source. Because the system uses the negative electrode, the key switch without ground, only line.
In general, the following table lists the key switch in four different positions, the key switch backside four poles and the power supply state. If the system uses 24 volt voltage.
1.
4. 電瓶極柱 5. 柱附件極6. 柱點火極7. 柱起動極
位置
8. ACC 9. 24伏 10. 24伏 11. 0伏 12. 0伏
13. OFF 14. 24伏 15. 0伏 16. 0伏 17. 0伏
18. ON 19. 24伏 20. 24伏 21. 24伏 22. 0伏
23. ST 24. 24伏 25. 0伏 26. 24伏 27. 24伏
起動電路用于控制發動機的起動和熄火,是發動機控制系統的基本部分。絕大部分汽車用和工程機械用發動機的起動電路都是基本一樣的。參與起動控制的基本元件都包括鑰匙開關和一個起動繼電器,鑰匙開關控制起動繼電器,起動繼電器控制起動馬達。上圖給出了一個起動電路的示
Starting circuit for controlling the engine starting and extinguishing, is a basic part of engine control system. The vast majority of automobile and engineering machinery engine starting circuit are basically the same. Involved in starting control basic element includes a key switch and a starting relay, a key switch control starting relay, starter relay to control the starting motor. This gives a starting circuit indicator


例,用于康明斯機械控制發動機的起動馬達控制。不同的廠家設計的起動電路可能會略有不同,但其基本的控
制原理都如下圖所示。不同的廠家在設計起動電路時,可能會在鑰匙開關和起動繼電器之間的控制線上增加一
些輔助的控制電路。如上所述,對車用和工程機械用發動機,如果是電控發動機, ECM并不參與起動控制,整個起動電路是
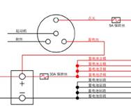
獨立的。而對康明斯發電機驅動用電控發動機(G-Drive),ECM則參與起動電路的控制,如下圖所示 QSX15
(發電機驅動用)的起動電路。
For example, Cummins machine control engine starting motor control. Different manufacturers to design starting circuit may be slightly different, but the basic control
Its principle is as shown below. Different manufacturers to design starting circuit, may be a key switch and starter relay between the control line to increase a
Some auxiliary control circuit. As mentioned above, the vehicle and engineering machinery engine, if the engine, ECM is not involved in starting control, the starting circuit is
Independent. The Cummings generator driven by engine ( G-Drive ), ECM is involved in the control of starting circuit, as shown in figure QSX15
( the generator driven by the starting circuit ).

在下列電路圖中,二個起動繼電器控制起動馬達的工作,系統不再有鑰匙開關。 ECM通過控制第一個起動繼電器控制電路的地線來控制馬達的起動。在所有預設的條件都達到的前提下,ECM給出第一個起動繼電器的控制地線,觸發整個起動電路。
In the following diagram, two starting relay to control the starting motor work, there is no longer a key switch system. The ECM by controlling the first starting relay control circuit earth wire to control the starting of the motor. In all the preset conditions are achieved under the premise, ECM gives the first starting relay control wire, triggering the start circuit.