John Deere約翰迪爾強(qiáng)鹿柴油機(jī)潤(rùn)滑系統(tǒng)的使用

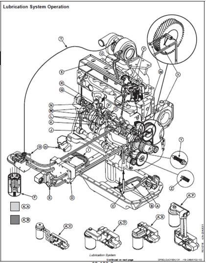
A—Oil Pump J—Balancer Shaft Bushings S—Rocker Arm Shaft AA—Pressurized Oil
B—Oil Suction Line K—Crankshaft Drilled T—Turbocharger Oil Supply AB—Pressure-Free Oil
C—Oil Outlet Tube Cross-Passages Line AC—Remote Mount Filter
D—Oil Cooler Housing L—Main Bearing Bushings U—Turbocharger Drain Line Assembly
E—Coolant Passage Adapter M—Oil Passages V—Rocker Arms AD—Low-Mount Rear Vertical
F—Oil Filter N—Main Oil Gallery W—Machined Groove Oil Filter Assembly
G—Oil Filter Header/Adapter1 O—Connecting Rod Bearings X—Cross-Drillings AE—Low-Mount Front Vertical
H—Oil Fill Tube P—Piston Cooling Orifice Y—Oil Pressure Regulating Oil Filter Assembly
I—Oil Cooler Q—Camshaft Bushings Valve AF—High-Mount Vertical Oil
R—Piston Pin and Bushing Z—Oil Bypass Valve Filter Assembly
NOTE: Two-valve head engine shown. Lubrication of
four-valve head engine is similar.
The engine lubrication system consists of a positive
displacement gear-driven oil pump (A), full-flow oil filter
(F), oil cooler (I), oil pressure regulating valve (Y), and
an oil bypass valve (Z).
The oil pump pulls oil from the oil pan sump through a
strainer and a suction line (B). The pump forces oil
through the outlet tube (C) into a vertical drilling in the
cylinder block, and up to the oil cooler and filter. Oil
filters can be mounted on the engine in various
locations (AD—AF). A remote-mounted oil filter (AC) is
also optional. After flowing through the cooler and
filter, oil flows into the main oil gallery (N).
The main oil gallery runs the length of the cylinder
block and delivers oil to oil passages (M) that feed the
camshaft bushings (Q) and main bearing bushings (L).
The cross-drillings (X) intersect with those same oil
passages and feed oil to the balancer shaft bushings
(J).
From the main bearings, oil flows to the connecting rod
bearings (O) through drilled cross-passages (K) in the
crankshaft between the main journals and connecting
rod journals. Oil from the main bearing also supplies
oil to the piston cooling orifices (P).
Oil from the piston cooling orifices sprays on the
underside of the piston to keep the piston crown cool.
The oil spray also provides splash lubrication for the
piston pin and bushing (R) by splashing oil into a hole
drilled in the top end of the connecting rod.
At the rear of the cylinder block, oil flows from the rear
camshaft bushing (Q), up through the cylinder head,
and into the rocker arm shaft (S). Oil flows through the
rocker arm shaft and lubricates each of the rocker
arms (V). Oil drips from the rocker arms to lubricate
the adjusting screws, push rods, and camshaft
followers.
At the front of the cylinder block, oil flows from the oil
passage into a machined groove (W) in the front face
of the block. This groove connects with the upper idler
gear shaft to provide oil to the idler gear bushing. The
lower idler gear bushing is splash lubricated.
The turbocharger oil supply line (T) supplies oil to the
turbocharger from filtered side of oil filter adapter. Oil
returns from the turbocharger through the drain line
(U).