操作和保養手冊
2206-E13 工業用發動機
TGB (發動機)
TGD(發動機)
TGF(發動機)
This document has been printed from SPI2. NOT FOR RESALE
![]()
![]()
![]()
![]()

目錄
加注容量........................................................33
保養周期表.....................................................45
保修部分
前言..................................................................4
安全部分
安全標志..........................................................5
一般危險信息...................................................6
防止燙傷..........................................................7
防火與防爆........................................................7
防止壓傷和割傷...............................................9
起動發動機前...................................................9
發動機起動.....................................................10
發動機停機.....................................................10
電氣系統........................................................10
發動機電子裝置.............................................11
產品信息資料部分
保修信息資料..................................................69
索引部分
索引................................................................70
概述................................................................12
機型視圖說明..................................................13
產品識別信息資料..........................................16
操作部分
起吊和貯存.....................................................20
儀表和指示燈..................................................21
功能部件和控制裝置......................................22
發動機診斷.....................................................26
發動機起動.....................................................27
發動機運行.....................................................29
發動機停機.....................................................30
寒冷天氣操作..................................................31
This document has been printed from SPI2. NOT FOR RESALE
![]()
前言
4
SCBU8337
前言
保養周期
進行保養時,應同時做比該次規定時間間隔小的
前幾級的保養項目。我們建議復制一份保養計劃
表并展示在發動機附近,作為一種方便的提醒。
我們還建議將保養紀錄作為發動機永久性記錄的
一部分保存好。
文獻資料
本手冊包含安全事項、操作說明、潤滑和保養資
料。本手冊應存放在靠近發動機的一個文件夾內
或文件存放處。閱讀、分析本手冊并將它與文件
和發動機資料放在一起。
Perkins特約代理商或Perkins分銷商能夠幫助
您根據機器的運行環境的需要來調整您的保養計
劃。
英語是所有Perkins出版物的主要語言。使用英
語便于翻譯并保持一致。
大修
本手冊中的某些照片和圖示上顯示的細節或選裝
部件可能與您發動機上的有所不同。為了說明方
便,一些護罩和蓋板可能已經拿掉。產品設計的
不斷改進和發展可能對發動機有所改變,而這些
改變可能未編入本手冊中。當您對發動機或本手
冊有任何疑問時,請向您的Perkins代理商或
Perkins分銷商咨詢最新的資料。
除了大修時間和在此周期時的保養項目外,在操
作和保養手冊中沒有發動機大修的細節。只有
Perkins授權的人員才能進行大修。Perkins代
理商和Perkins分銷商可以提供大修程序的多種
方案。如果遇到重大的發動機故障時,還有許多
故障后大修的選擇方案。與Perkins代理商或
Perkins分銷商聯系以獲得這些方案。
安全
加利福尼亞州65號提案中的警告
安全部分列出了基本的安全注意事項。此外,本
部分還標出了各種危險情況和警告內容。在操
作、潤滑、保養和修理本發動機以前,要閱讀和
理解列在安全部分上的基本注意事項。
加利福尼亞州認為,柴油發動機排氣及其中的某
些成分會致癌,引起生育缺陷和其它生殖方面的
危害。蓄電池接線柱、端子和相關的附件中含有
鉛和鉛化合物。接觸后要洗手。
操作
在本手冊中指出的操作方法是最基本的。它們能
幫助操作人員提高技術和技能從而更有效、更經
濟地運轉發動機。當操作人員獲得發動機知識和
掌握其性能后,操作技巧和方法將得到提高。
操作部分是供操作人員參考的,各種照片和圖示
指導操作人員進行發動機的檢查、起動、運行和
停機。本部分還包含電子診斷方面的論述。
保養
保養部分是對發動機維護的指南。附有插圖的逐
步說明是按工作小時和(或)日歷時間保養周期
編排的。保養周期表中的項目參閱后面的詳細說
明。
應按保養周期表中指出的相應間隔期進行推薦的
保養。發動機的實際工作環境也會影響保養周
期。因此,在極度惡劣、多塵、潮濕或冰凍的寒
冷條件下運轉,可能需要比保養周期表中規定的
潤滑和保養次數多。
保養計劃中的保養項目是按預防性保養管理程序
編制的。如果遵照預防性保養管理程序進行保
養,那就不需要進行定期調整。履行預防性保養
管理程序,由于減少了計劃外停機和故障造成的
費用損失,將使運行成本降到最低。
This document has been printed from SPI2. NOT FOR RESALE
![]()
SCBU8337
5
安全部分
安全標志
安全部分
i06151055
安安全全標標志志
圖1
g01384682
安全標志的位置
您的發動機上可能會有幾處特定的安全標志。本
部分回顧這些安全標志的確切位置和描述。請熟
悉所有的安全標志。
請確保所有的安全標志都很清晰易讀。如果安全
標志的說明文字或插圖無法辨識,請清潔或更
換。用布、水和肥皂來清潔這些安全標志。不
要使用溶劑、汽油和其它刺激性化學制品。這些
溶劑、汽油或腐蝕性化學制品,可能會使固定安
全標志用的粘著劑喪失粘性。這些喪失粘性的安
全標志可能從發動機上脫落下來。
更換任何已損壞或失落的安全標志。如果有安全
標志貼在了被更換的零件上,應在更換零件上粘
貼新的安全標志。您的Perkins經銷商可能會
提供新的安全標志。
普適警告(1)
通用警告安全標志位于氣門室蓋底座兩側。
This document has been printed from SPI2. NOT FOR RESALE

![]()
![]()
6
SCBU8337
安全部分
一般危險信息
圖2
g00934493
圖4
g00702020
請按要求戴上安全帽、護目鏡和其他保護裝備。
不要穿寬松的衣服或佩帶首飾,因為它們可能勾
住控制裝置或發動機其他部件。
在在閱閱讀讀和和了了解解《《操操作作和和保保養養手手冊冊》》中中的的指指示示和和警警告告
之之前前,,請請勿勿操操作作機機器器。。不不遵遵守守這這些些警警告告,,可可能能會會導導
致致人人身身傷傷亡亡。。
應確保所有護板和罩蓋都固定在發動機的正確位
置上。
保持發動機上沒有異物。清除機器地臺板、通道
和階梯上的碎屑、機油、工具和其它物件。
i03018725
一一般般危危險險信信息息
切勿將保養液體到玻璃容器內。將所有的液體排
放到適當的容器內。
請遵守當地的法規處置液體。
小心使用所有清洗溶液。
報告所有需要修理的項目。
不準未經許可的人員登上機器。
在對匯流板或預熱塞進行操作前,請確保電源斷
開。
設備放在維修位置時保養發動機。有關將設備放
在維修位置的資料,請參閱OEM資料。
壓縮空氣和水
壓縮空氣和/或加壓水可能把碎屑和/或熱水吹出
來。這有可能造成人身傷害。
圖3
g00037887
在維修或修理設備前,要在起動開關或操縱桿上
掛一個 “不準操作”或類似的警告標簽。
在殼體上直接使用壓縮空氣或加壓水可能會造成
人身傷害。
使用壓縮空氣和/或水進行清洗時,請穿戴防護
衣、防護鞋和眼部護具。眼部護具包括護目鏡及
防護面罩。
清潔時使用的最大氣壓一定要低于205kPa
(30psi)。清潔時使用的最大水壓一定要低于
275kPa(40psi)。
This document has been printed from SPI2. NOT FOR RESALE
![]()
![]()

![]()
![]()
![]()

![]()
![]()

![]()
![]()
SCBU8337
7
安全部分
防止燙傷
液體穿透
冷卻液
即使發動機已經熄火很久,液壓回路中仍可能有
壓力存在。如果壓力沒有正確地被釋放,會導致
液壓油或管子堵頭之類的物體高速射出。
發動機處于工作溫度時,發動機的冷卻液是熱
的。而且處于壓力之下。散熱器和通向加熱器
或發動機的所有管道內都有熱的冷卻液。觸摸熱
的冷卻液或蒸汽都會造成嚴重燙傷。泄放冷卻系
統以前,讓冷卻系統部件先冷卻下來。
在釋放壓力之前,不可拆卸任何液壓零部件,否
則會造成人身傷害。在釋放壓力之前,不可拆開
任何液壓零部件,否則會造成人身傷害。有關釋
放液壓壓力所需要的任何步驟,請參閱OEM資
料。
在發動機停機和冷卻后,檢查冷卻液液位。拆卸
加注口蓋以前,要確保加注口蓋是涼的。加注口
蓋必須涼到可以徒手觸摸。慢慢拆下加注口蓋,
以便釋放壓力。
冷卻系統添加劑含堿。堿會造成人身傷害。不
要讓堿接觸皮膚,也不要讓其進入眼睛或嘴。
機油
熾熱機油和熾熱的部件會造成人身傷害。不要讓
熱的機油和部件接觸皮膚。
如果您的應用中安裝了機油補充油箱,發動機停
機后拆下補充油箱蓋。加注口蓋必須涼到可以觸
摸。
蓄電池
蓄電池中的液體是電解液。電解液是可能導致人
身傷害酸性液體。不要讓電解液接觸皮膚或眼
睛。
圖5
g00687600
請務必使用木板或硬紙板來檢查泄漏。在壓力下
所噴出的液體可能會穿透人體組織。液體穿透進
入身體會造成嚴重的人身傷害,甚至可能導致死
亡。即使是一個針孔大小的漏洞,也可能會引起
嚴重的人身傷害。若液體噴射到您的皮膚,必須
立即治療。要找熟悉這類傷害的醫生進行治療。
檢查電解液液位時不要吸煙。蓄電池散發出的易
燃氣體能引起爆炸。
對蓄電池作業時一定要戴護目鏡。接觸蓄電池后
請洗手。建議使用手套。
盛裝溢出的液體
i03018720
在進行檢查、保養、測試、調整及維修發動機
時,務必留心,以便確保溢出的液體被盛裝在容
器中。在打開任何腔室或拆解任何部件之前,請
準備好用適當的容器來收集流出的液體。
防防火火與與防防爆爆
•只能使用適于收集液體的工具及設備。
•只能使用適于盛裝液體的工具及設備。
請遵守當地的法規處置液體。
i02128729
防防止止燙燙傷傷
不要觸摸運轉中的發動機的任何部位。在進行發
動機的任何保養之前,要讓發動機先冷卻下來。
在拆開任何管路、接頭或相關零部件之前,釋放
相應系統內的所有壓力。
圖6
g00704000
所有燃油、大多數潤滑劑和一些冷卻液混合物都
是易燃的。
This document has been printed from SPI2. NOT FOR RESALE
![]()

![]()
![]()

![]()
![]()
8
SCBU8337
安全部分
防火與防爆
易燃液體泄漏或濺到熾熱表面或電器部件上時,
可能引起火災。火災會導致人身傷害或財產損
失。
在緊急關機后十五分鐘內拆卸發動機曲軸箱的蓋
子,有可能引起火焰。
確定發動機是否在可燃氣體可被吸入進氣系統的
環境下運轉。這些氣體會造成發動機超速。這
可能引起人身傷害、財物損壞或造成發動機損
壞。
如果應用類型涉及到存在可燃氣體的情況,請咨
詢您的珀金斯代理商和/或您的珀金斯分銷商,
以獲得關于適當防護裝置的更多資料。
清除發動機上的所有易燃或傳導物,如燃油、機
油及碎屑等。禁止在發動機上堆積任何易燃或傳
導材料。
將所有燃油、潤滑劑存放在做好標記的容器內,
并禁止未經許可的人員靠近。將含有油的抹布與
任何易燃物存放于防護容器中。切勿在存放易燃
物的場所吸煙。
圖7
g00704059
向發動機加燃油的時候要小心謹慎。不要在向發
動機加燃油的時候吸煙。也不要在靠近明火或火
花的地方向發動機加燃油。在添加燃油前切記要
將發動機熄火。
不得讓發動機暴露在任何明火之下。
如果管路、管道和密封件損壞,排氣管隔板(如
有配備)可以防止機油或燃油噴射到熱的排氣管
部件上。排氣隔板必須正確安裝。
禁止在裝有易燃液體的管路或油箱上進行焊接。
禁止用火焰切割裝有易燃液體的管路或油箱。在
焊接或火焰切割這些管路或油箱前,先用不易燃
的溶劑徹底將其清洗。
接線必須保持在良好狀態。所有電線都必須正確
布置并且牢固地連接好。每天檢查所有的電線。
請在運轉發動機之前修復松動或磨損的電線。清
潔并緊固所有電路連接。
去掉所有未連接的或不必要的接頭。不要使用比
推薦規格小的電線或電纜。不得將任何保險絲
和/或斷路器旁通短接。
電弧或火花會引起火災。牢固的連接,與推薦一
致的線路和經正確保養的蓄電池電纜有助于防止
產生電弧和火花。
檢查所有的管路和軟管有無磨損或老化。軟管的
鋪設路線必須適當。管線和軟管必須有適當的支
撐或牢固的管夾。按照推薦扭矩擰緊所有接頭。
泄漏會造成火災。
圖8
g00704135
蓄電池散發出來的氣體能引起爆炸。蓄電池頂部
要遠離明火或火花。不要在蓄電池充電的場所吸
煙。
必須正確安裝機油濾清器和燃油濾清器。必須把
濾清器殼體擰緊到正確的扭矩。
不得采用將金屬物體跨接在接線端子上的辦法來
檢查蓄電池的充電情況。必須使用電壓表或比重
計。
This document has been printed from SPI2. NOT FOR RESALE
![]()

![]()
![]()

![]()
![]()
SCBU8337
9
安全部分
防止壓傷和割傷
不正確的跨接電纜連接能引起爆炸,從而造成人
身傷害。有關具體的說明,請參見本手冊的操作
部分。
將物件遠離轉動的風扇葉片。風扇葉片會拋出或
切割物件。
敲擊物件時,要戴護目鏡,以免傷及眼睛。
不得給凍結的蓄電池充電。這樣做會引起爆炸。
在敲擊物件時,碎片或其它碎屑會四處飛散。敲
擊物件之前,應確保周圍無人會被飛出的碎屑擊
傷。
蓄電池必須保持清潔。每個電池柵格單元都必須
蓋好蓋子(如有配備)。在發動機運行時,要使
用推薦的電纜、接頭和蓄電池箱蓋。
i02122355
滅火器
確保備有滅火器。熟悉滅火器的使用。定期檢
查和維護滅火器。遵守說明標牌上的建議。
登上發動機之前檢查階梯、扶手和工作區域。保
持階梯、扶手和工作區域清潔并處于良好狀態。
管路、管子和軟管
必須在裝有踏板和/或扶手的地方上下發動機。
不要爬到發動機上,也不要從發動機上跳下來。
請勿彎折高壓管路。請勿敲擊高壓管路。請勿
安裝任何已彎折或損壞的管路。不要在高壓管上
夾上任何其它的東西。
上下發動機時,要面朝發動機。與階梯和扶手保
持三點接觸。用雙腳和單手或用單腳和雙手。
不要把控制裝置當扶手使用。
請修理任何已松脫或損壞的管路。泄漏會造成火
災。請向您的珀金斯代理商或您的珀金斯分銷
商咨詢零件的維修或更換。
不要站在不能支承您體重的部件上。使用適當的
梯子或使用工作平臺。固定好攀爬設備,使它不
會移動。
仔細檢查管路、管子和軟管。不要用裸露的手來
檢查泄漏。請用木板或硬紙板來檢查泄漏。按
照推薦扭矩擰緊所有接頭。
上下發動機時,不要攜帶工具或物品。要用手拉
繩索吊上和放下工具或物品。
若出現下列任何一種情況,請更換零件:
•端接頭損壞或泄漏。
•外層有磨損或割傷。
•金屬線暴露在外。
i03018734
起起動動發發動動機機前前
首次起動新的、保養過的或修理過的發動機前,
預先做好停機準備,以便制止超速。這可以用關
斷發動機燃油供應和/或點火來完成。
•外層鼓包隆起。
•軟管扭曲。
發動機超速應該自動關機,它是電子控制的。如
果自動關機不自動執行,按下緊急停車按鈕以切
斷供向發動機的燃油和/或空氣。
•鎧裝護套嵌入外層。
•端接頭移位。
應確保所有的夾箍、防護物及隔熱板安裝正確。
這有助于防止發動機工作時的振動、零件間的相
互摩擦以及過量生熱。
檢查發動機有無潛在危險。
起動發動機前,確保發動機上面、下面或附近無
人。確保周圍沒有任何人員。
i02122385
如有配備,確保用于發動機的照明系統適合于工
況條件。如有配備,確保所有照明燈工作正常。
防防止止壓壓傷傷和和割割傷傷
如果必須起動發動機進行維修作業,必須安裝好
所有保護罩、蓋。為了預防旋轉件引起事故,在
轉動件周圍工作要小心。
在部件下面工作時,部件應有可靠的支撐。
不要旁通自動關斷電路。不要使自動關斷電路不
起作用。這種電路的設置是為了防止人身傷害。
同時也可防止發動機損壞。
如果沒有提供另外的保養說明,在發動機運轉
時,切勿試圖進行調整。
避開所有轉動部件和運動部件。直到進行保養時
再拿掉保護罩。保養結束后重新裝上護罩。
有關修理和調整的資料,請參閱維修手冊。
This document has been printed from SPI2. NOT FOR RESALE
![]()
10
SCBU8337
安全部分
發動機起動
i06043726
i06151068
發發動動機機起起動動
電電氣氣系系統統
充電器正在工作時,切勿從蓄電池上斷開任何充
電器電路或蓄電池電路電纜。否則,由某些蓄電
池產生的易燃氣體可能被火花點燃。
不不要要使使用用類類似似乙乙醚醚的的噴噴霧霧劑劑輔輔助助起起動動。。否否則則可可能能導導
致致爆爆炸炸和和人人身身傷傷害害。。
為有助于防止火花點燃某些蓄電池產生的可燃氣
體,負極 “−”電纜應該最后從外接電源連接到起
動馬達的負 “−”接線柱。如果起動馬達沒有配
備負 “−”接線柱,請把電纜連接到缸體。
如果發動機起動開關或操控裝置上系有一個警告
標簽,切勿起動發動機或扳動操作裝置。在起動
發動機前,要向掛警告標簽的人咨詢。
每天檢查電線有無松動或擦破。在發動機起動之
前,擰緊所有松動的電氣連接。發動機起動之
前,要修理好所有擦破的電線。請參閱操作和保
養手冊以了解具體的起動說明。
如果進行維修作業必須啟動發動機,必須安裝好
所有保護罩、蓋。為了預防旋轉件引起事故,在
旋轉件周圍工作要小心。
接地規程
從駕駛室或用發動機起動開關起動發動機。
一定要按照操作和保養手冊發動機起動(操作部
分)中所敘述的步驟起動發動機。了解正確啟動
步驟有助于防止發動機零部件的重大損壞。了解
正確啟動步驟有助于防止人身傷害。
為確保水套水加熱器(如有配備)正常工作,在
加熱器操作期間,檢查水溫表和/或油溫表。
發動機排氣含有對人體有害的燃燒產物。一定要
在通風良好的地方起動和運行發動機。如果在一
個密閉的空間起動發動機,要將發動機廢氣排到
室外去。
注:發動機可能配備有冷起動設備。如果發動機將在
嚴寒下運轉,那么可能需要嚴寒輔助起動裝置。通
常,發動機將配備有適合于作業地區的輔助起動裝
置。
i02128733
發發動動機機停停機機
圖9
g01403749
典型示例
遵循操作和保養手冊發動機停機(操作部分)進行
發動機停機操作,以便避免發動機過熱和發動機
部件的加速磨損。
(1)起動馬達至發動機缸體
(2)起動馬達至蓄電池負極
為獲得發動機的最佳性能和可靠性,必要將發動
機電氣系統正確接地。接地不當會造成電路失控
和不可靠。
只有在緊急情況下才能使用緊急停機按鈕(如有
配備)。發動機正常停機時不要使用緊急停機按
鈕。在引起緊急停機的問題被解決之前,切勿起
動發動機。
失控的電路會對曲軸的軸承軸頸表面和鋁質部件
造成損壞。
如果新發動機或經大修后的發動機初次起動時發
生超速情況,使發動機停機。這可以通過切斷發
動機的供油和/或供氣來實現。
未安裝發動機至機架接地帶的發動機可能因電氣
放電而損壞。
為使電子控制的發動機停機,要切斷發動機的電
源。
為確保發動機和發動機電氣系統工作正常,必須
使用與蓄電池直接相連的發動機到機架的接地
帶。這種直接相連可通過將發動機接地線直接連
接到機架實現。
This document has been printed from SPI2. NOT FOR RESALE
![]()
![]()
![]()

![]()
![]()
SCBU8337
11
安全部分
發動機電子裝置
接地連接應當緊湊、無腐蝕。發動機交流發電機
必須通過一根足以承受其滿載充電電流的導線接
地到蓄電池的負極 “-”端子。
發動機的電源連接和接地連接都應從蓄電池的隔
離器引出。
i06151108
發發動動機機電電子子裝裝置置
擅擅自自改改動動電電子子系系統統或或原原始始設設備備制制造造商商(OEM)的的接接線線
安安裝裝是是危危險險的的,,可可能能導導致致人人身身傷傷亡亡和和/或或發發動動機機損損
害害。。
本發動機具有全面的、可編程的發動機監控系
統。發動機控制模塊(ECM)具有監控發動機工
作狀況的能力。如果任何發動機參數超出容許范
圍,ECM將立即采取行動。
發動機監控控制可采取以下行動:警告,行動報
警和停機。
可以根據發動機監控功能對由ECM監控的許多參
數進行編程。作為發動機監控系統的一部分,以
下參數可以被監控:
•大氣壓力
•進氣歧管空氣壓力
•冷卻液溫度
•發動機機油壓力
•曲軸位置
•凸輪軸位置
•燃油溫度
•進氣歧管溫度
•系統電壓
發動機監控程序包可能會因發動機型號和應用差
異而變化。但是,對所有發動機來說,監控系統
和發動機監控控制將是相似的。
This document has been printed from SPI2. NOT FOR RESALE
![]()
![]()
![]()
12
SCBU8337
產品信息資料部分
在配備電子控制裝置的發動機上進行焊接
產品信息資料部分
概述
i03616510
在在配配備備電電子子控控制制裝裝置置的的發發動動機機上上
進進行行焊焊接接
注意
正確的焊接程序是必要的,這樣可以避免損壞發動機
ECM、傳感器和相關部件。 如果可能,從裝置上拆
下部件,然后再焊接部件。 如果無法拆下部件,則對
配備有電控發動機 的裝置進行焊接時,必須按照以下
程序進行操作。 以下程序被認為是最安全的部件焊接
程序。 該程序應該提供電子部件損壞的最小風險。
圖10
g00765012
使用上面實例。從電焊機到焊接處的接地夾子的電流
不會損壞任何相關部件。
注意
不要將電焊機的地線接至電氣部件如電子控制模塊
(ECM)或傳感器上。 不正確的接地方式能對傳動系軸
承、液壓元件、電氣部件和其它部件造成損壞。
(1)發動機
(2)焊條
(3)鑰匙開關處于斷開(OFF)位置。
(4)蓄電池斷路開關處于斷開(open)位置
(5)斷開蓄電池電纜
用焊接機的地線夾子夾住要焊接的組件。 盡可能將夾
子置于焊接點附近。 這將有助于減少損壞的可能性。
(6)蓄電池
(7)電氣/電子部件
(8)焊接的部件與任何電氣/電子部件之間的最大距離
(9)要焊接的部件
(10)焊接處的電流通路
(11)焊接接地的夾子
1.1.使發動機停機.把開關控制的電源轉到斷開
(OFF)位置。
2.2.把蓄電池負極電纜與蓄電池分開。如果提供
了蓄電池斷路開關,斷開開關。
4.4.將焊接接地電纜直接連接到要焊接的部位。
將接地電纜盡可能地靠近焊接點,以減少焊接
電流損壞軸承、液壓部件、電氣部件及接地帶
的可能性。
3.3.把接頭J1/P1與ECM分開。將線束移動到不允
許線束意外向回移動并與ECM針腳接觸的位
置。
注:如果電氣/電子部件用作焊接接地,或電氣/電子
部件位于焊接接地與焊接點之間,則來自焊接點的電
流就會嚴重地損壞部件。
5.5.保護接線線束,避免焊接碎片和濺落物。
6.6.使用標準焊接慣例來焊接。
This document has been printed from SPI2. NOT FOR RESALE
![]()
![]()
![]()
![]()
![]()

![]()
![]()
SCBU8337
13
機型視圖說明
機型視圖
機型視圖說明
i06151092
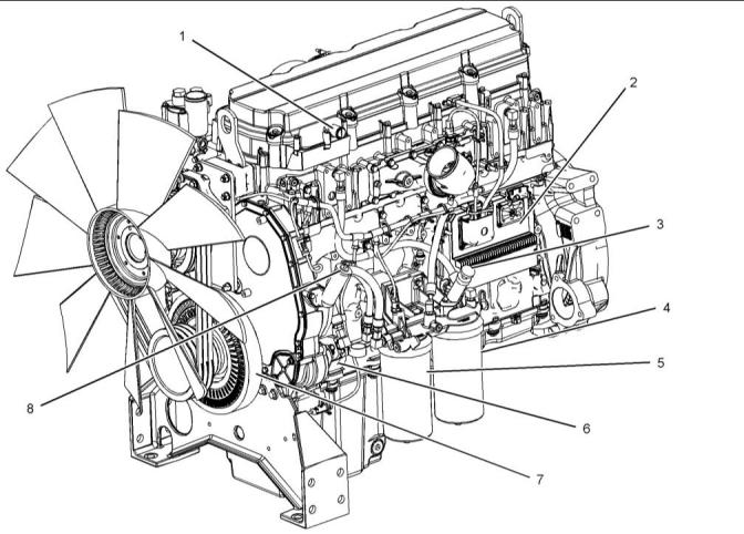
機機型型視視圖圖
圖11
g01385634
典型示例
發動機左視圖
(1)呼吸器的連接
(2)電子控制模塊(ECM)
(3)燃油注油泵
(4)燃油細濾器
(5)燃油粗濾器
(6)燃油泵
(7)曲軸減振器
(8)加油口
This document has been printed from SPI2. NOT FOR RESALE

![]()
![]()
14
SCBU8337
機型視圖說明
發動機描述
圖12
g01385635
典型示例
發動機右視圖
(9)水溫調節器殼體
(10)交流發電機
(11)水泵
(13)機油濾清器
(14)機油排放塞
(15)油冷卻器
(16)排氣歧管
(12)渦輪增壓器
i06151066
本手冊中涵蓋的電子發動機具有以下特征:直接
燃油噴射,機械驅動的電子單體噴射,渦輪增壓
式和空對空后冷器(ATAAC)。
發發動動機機描描述述
電子發動機控制系統提供以下功能:電子調速,
自動空燃比控制,噴油正時控制和系統診斷。
表 1
電子調速器控制單體噴油器的輸出以便保持理想
的發動機轉速。
2206 發動機 技術規格
氣缸和布置
缸徑
直列 6 缸
由電子控制機械驅動的單體噴油器產生非常高的
噴油壓力。噴油器噴油時集泵油和電子燃油計量
(持續時間和正時)于一身。單體噴油器精確控
制冒煙限制、白煙和發動機加速率。
130 mm (5.2 in)
157 mm (6.2 in)
12.5 L (763 in3)
沖程
排量
點火順序
旋向(飛輪端)
1-5-3-6-2-4
逆時針
This document has been printed from SPI2. NOT FOR RESALE


![]()
![]()
SCBU8337
15
機型視圖說明
發動機描述
每缸有一個單體噴油器。每個單體噴油器計量燃
油。每個單體噴油器同時也泵油。在高壓下進
行計量和泵油。高噴油壓力幫助降低燃油消耗量
和排放。這種類型的單體噴油器提供完全電子控
制的噴油正時。噴油正時隨發動機運行狀況而變
化。發動機性能在以下方面得到優化:
•起動
•排放
•噪音
•燃油消耗量
通過精確控制噴油器的噴射實現提前正時。發動
機速度由調整噴射持續時間來控制。信息通過曲
軸位置傳感器和凸輪軸位置傳感器提供給電子控
制模塊(ECM)。此信息是用來檢測氣缸位置和發
動機轉速。
發動機具有內置診斷能力,以便確保所有部件工
作正常。在出現某個系統部件偏離編程限定值的
情況下,安裝在控制面板上的診斷燈將就該情況
警告操作員。由Perkins提供的電子維修工具可
用于讀取診斷代碼。這些代碼記錄和保存在ECM
中。有關更多信息,請參考操作和保養手冊發動
機診斷。
冷卻系統由以下部件組成:齒輪驅動的離心泵,
水溫調節器,機油冷卻器和集成了分流系統的散
熱器。
發動機潤滑油由一個齒輪泵供應。發動機潤滑
油經過冷卻和過濾。當機油粘度高或如果機油冷
卻器或機油濾清器濾芯(紙芯)發生堵塞時,旁
通閥向發動機零件提供未受限制的潤滑油油流。
發動機的效率、排放控制效率和發動機性能的最
大利用取決于遵守正確的操作和保養建議。這包
括使用推薦的燃油、冷卻液和潤滑油。
售后產品和 Perkins 發動機
在Perkins產品上使用其它制造商生產的輔助
設備、附件或消耗品(濾清器、添加劑、催化劑
等)時,不會僅因這種使用而影響Perkins保
修。
但是,安裝和使用其他制造商的設備、附件或
消耗品而導致的故障不屬于Perkins產品缺
陷。因此,這些缺陷不在Perkins保修范圍
之內。
This document has been printed from SPI2. NOT FOR RESALE
![]()
16
SCBU8337
產品識別信息資料
標牌和貼膜的位置
產品識別信息資料
i06151079
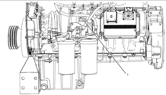
標標牌牌和和貼貼膜膜的的位位置置
圖13
g01385686
(1)序列號銘牌
Perkins發動機通過序列號標識。這些數字顯
示在發動機序列號銘牌上。Perkins經銷商需
要這些號碼來確定該發動機上包括的部件。這樣
可以準確識別替換零件的零件號。
This document has been printed from SPI2. NOT FOR RESALE

![]()
![]()
SCBU8337
17
產品識別信息資料
參考號
序列號標牌(1)
i06151086
參參考考號號
訂購零件時,可能需要有關以下項目的信息資
料。找出您的發動機信息。在相應位置記錄這
些信息。復制一份記錄表。保存這些信息以供
將來參考。
供參考用的檔案記錄
發動機型號
發動機序列號
發動機轉速
燃油粗濾器
燃油細濾器濾芯
潤滑油濾清器濾芯
潤滑系統總容量
冷卻系統總容量
空氣濾清器濾芯
風扇傳動皮帶
圖14
g01403841
典型示例
發動機序列號銘牌位于發動機缸體右側。
發動機序列號
名稱
交流發電機皮帶
發動機額定值
This document has been printed from SPI2. NOT FOR RESALE
![]()
![]()
![]()
![]()
![]()
![]()
![]()
![]()
![]()
![]()
![]()
![]()
![]()
![]()
![]()

![]()
![]()
18
SCBU8337
產品識別信息資料
排放認證貼膜
i06151076
排排放放認認證證貼貼膜膜
圖15
g01385765
典型示例
排放認證貼膜位于氣門機構蓋的左側。
•進氣歧管溫度傳感器
•冷卻液溫度傳感器
i06151075
•發動機機油壓力傳感器
•發動機曲軸/凸輪軸傳感器
•進氣歧管壓力傳感器
•燃油溫度傳感器
用用戶戶指指定定參參數數
使用以下表格記錄編制的技術規格。
客戶密碼(如果需要)。
•第一密碼
•第二密碼
額額定定功功率率等等級級選選擇擇(L(L--N)N)
設設備備IDID
可編程監測系統 (PMS)
可編程監測系統決定電子控制模塊(ECM)對可
能損壞發動機的狀態作出反應的動作程度。這些
狀況是由ECM通過下列傳感器產生的信號確定
的。
This document has been printed from SPI2. NOT FOR RESALE

![]()
![]()
![]()
![]()
![]()
![]()
SCBU8337
19
產品識別信息資料
用戶指定參數
表 2
事件代碼
參數
狀態
觸發點
延遲時間
E162
-1
高增壓壓力
警告操作員 (1)
行動報警 (2)
打開
300 kPa (43.5 psi)
60 秒
5 秒
-2
總是接通
圖
E360
-1
發動機機油壓力低
警告操作員 (1)
行動報警 (2)
打開
200 kPa (29 psi)
60 秒
2 秒
-2
總是接通
總是接通
圖
圖
-3
E361
-1
發動機停機(3)
發動機冷卻液溫度高
警告操作員 (1)
2 秒
打開
104 °C (2190 °F)
105 °C (221 °F)
108 °C (226 °F)
60 秒
10 秒
10 秒
-2
-3
行動報警 (2)
發動機停機(3)
發動機超速
總是接通
總是接通
E362
-1
警告操作員 (1)
行動報警 (2)
打開
2000 RPM
2050 RPM
2140 RPM
1 秒
0 秒
0 秒
-2
總是接通
總是接通
-3
E363
-1
發動機停機(3)
燃油供油溫度高
警告操作員 (1)
打開
60 °C (140 °F)
68 °C (154 °F)
60 秒
60 秒
-2
行動報警 (2)
總是接通
E368
-1
高發動機進氣歧管空氣溫度
警告操作員 (1)
打開
75 °C (167 °F)
78 °C (172 °F)
60 秒
10 秒
-2
行動報警 (2)
總是接通
請參閱故障診斷與排除系統配置參數,了解有關
可編程監控系統的更多信息。
This document has been printed from SPI2. NOT FOR RESALE

![]()
20
SCBU8337
操作部分
設備起吊
操作部分
有三種不同的發動機存放等級。 “A、B和C”
級。
“A ” 級
起吊和貯存
等級 “A”對柴油發動機和燃氣發動機分別提供
12個月的保護。這適用于通過集裝箱或卡車運
輸的發動機。等級 “A”適用于在英國和歐洲境
內運輸的項目。
i03616633
設設備備起起吊吊
“B ” 級
這一級是對 “A”級的補充。等級 “B”在
−15°至+55°C(5°至99°F)的溫度和 “90%”
相對濕度的正常存放條件下提供兩年的保護。等
級 “B”適用于在海外運輸的項目。
“C ” 級
要向產品提供 “C”級保護,請聯系Perkins發
動機有限公司,斯塔福德。
圖16
g00103219
注意
千萬不要折彎吊環螺栓和支架。 吊環螺栓和支架只能
承受張力負荷。 要記住當支承構件和物體之間的角度
小于90°時,吊環螺栓的承載能力變小。
當必須在某一角度搬移部件時,只能使用具有適當額
定載荷的連桿支架。
使用起重機拆卸重的部件。使用一個可以調節的
吊梁起吊發動機。所有的承載構件(鏈條和鋼絲
繩)應互相平行。鏈條和鋼絲繩與被吊物的頂面
盡可能保持垂直。
有些拆卸工作要求用吊裝工具吊裝,以確保平衡
和安全。
只在拆卸發動機時,要使用發動機上的吊耳。
吊耳是為特定的發動機配置總成設計和安裝的。
改動吊環螺栓和/或發動機會使吊環螺栓和吊具
喪失適用性。如果對吊耳和/或發動機做過改
動,則應確保提供合適的起吊裝置。有關正確起
吊發動機的吊具資料,請咨詢珀金斯代理商。
i06151059
設設備備貯貯存存
有關發動機存放的信息,請咨詢Perkins發動機
有限公司,斯塔福德。
This document has been printed from SPI2. NOT FOR RESALE
![]()
![]()
![]()

![]()
![]()
SCBU8337
21
儀表和指示燈
儀表和指示燈
儀表和指示燈
i06151101
儀儀表表和和指指示示燈燈
您的發動機上的儀表可能與下述儀表不同或不具
備所有下述儀表。更多有關儀表組的資料,請參
閱OEM資料。
儀表指示發動機性能。確保儀表處于良好的工作
狀態。觀察儀表一段時間之后,您就能確定正常
的運行范圍。
儀表讀數發生顯著變化,可能意味著儀表或發動
機存在故障。即使儀表讀數在技術規格范圍內,
其讀數變化也可能表明存在問題。確定和糾正導
致讀數顯著變化的任何原因。請咨詢當地
Perkins經銷商尋求幫助。
注意
如果顯示無機油壓力,停止發動機。 如果發動機冷卻
液超出了最高冷卻液溫度,停止發動機。 這可能會造
成發動機損壞。
發動機機油壓力 – 發動機機油壓力范圍為
420 kPa (61 psi)。
水套水冷卻液溫度 – 發動機中的典型水溫為
88 °C (190 °F)。 在某些情況下可能會有更
高的溫度。 隨著負荷的不同,發動機冷卻
液溫度讀數不同。 讀數絕不可超過 107 °C (224 °F)
。
1.1.冷卻系統中安裝有高水溫開關。
轉速計 – 此表指示發動機轉速。
電流表 – 此儀表指示蓄電池充電電路中的充
電或放電量。 儀表指針應運作在 “0”
(零)位右側。
工時計 – 此儀表指示發動機的工作小時數。
This document has been printed from SPI2. NOT FOR RESALE
![]()
![]()
![]()
![]()
![]()
![]()
![]()
![]()
22
SCBU8337
功能部件和控制裝置
監測系統
功能部件和控制裝置
行動報警
行動報警通知OEM發動機正接近臨界條件。發
動機應以受控方式熄火。進一步運轉發動機可能
導致立即停機。
i06151089
監監測測系系統統
發動機具有三個階段的保護:
•警告
如果發動機處于行動報警條件下,ECM的存儲器
中將會記錄事件。將通過Perkins數據鏈路發
送一個事件代碼,硬線行動報警將激活。如果
發動機處于行動報警條件下,當條件存在時,將
會保留事件代碼和輸出。不使用出廠密碼將無法
從ECM存儲器中清除事件代碼。
•行動報警
•停機
停機
發動機保護可能被臨界條件模式超越。
電子控制模塊(ECM)監視以下參數:
•發動機溫度
如果發動機達到停機條件,說明已出現以下事件
之一:低機油壓力、高冷卻液溫度或超速。事件
將記錄在ECM的存儲器中。發動機將停機。將
通過Perkins數據鏈路發送一個事件代碼,硬
線停機輸出將激活。停機條件將鎖定,直到ECM
復位。不使用出廠密碼將無法從ECM存儲器中清
除停機事件代碼。
•發動機壓力
•發動機轉速
臨界保護超越
如果參數超出觸發點的時間比延遲時間要長,
ECM將記錄一個事件代碼,指示器開關將接通。
如果發動機處于臨界安全應用中,則可以超越保
護系統,以確保發動機故障條件期間不間斷的功
率供應。
將會針對事件代碼監視以下參數:
•機油壓力
將會通過來自OEM的一個開關輸入設定臨界保護
超越。例如,這可以是至蓄電池正極的開關,以
停用臨界超越。使用出廠密碼可以在電子維修工
具中啟用臨界保護超越輸入。
•冷卻液溫度
•超速
•進氣歧管溫度
•進氣歧管壓力
•燃油溫度
當臨界保護超越特性激活時,ECM將在超越停機
以外的所有停機條件下繼續運轉發動機。如果出
現停機超越,將會產生一個事件代碼。ECM將會
記錄此事件代碼。ECM將激勵以下各項:警告,
行動報警,停機,機油壓力,冷卻液溫度和超速
輸出正常。如果發動機在以下條件下工作,發
動機保修將失效:現行事件代碼和臨界保護超
越模式。
當發動機盤車時,溫度保護停用一段時間,以補
償熱浸解。
ECM針對三個保護階段分別提供專用警報輸出。
此外,還有針對機油壓力、冷卻液溫度和超速事
件的專用警報輸出,可在任意保護階段被激勵。
標準警告輸出
ECM提供單獨輸出,以便驅動警告燈或繼電器,
指示以下各故障條件:
警報器
警報器通知用戶發動機正接近臨界條件。
•診斷故障
•機油壓力
•冷卻液溫度
•超速
如果發動機處于警告條件下,ECM的存儲器中將
會記錄事件。將通過Perkins數據鏈路發送一
個事件代碼,硬線警告輸出將激活。如果發動機
處于警告條件下,當條件存在時,將會保留事件
代碼和輸出。電子維修工具用于清除ECM存儲器
中的事件代碼。警報器觸發點將在生產中設定為
出廠默認。電子維修工具可用于在預定限值內改
變警告觸發點。
•行動報警
•警告
•停機
This document has been printed from SPI2. NOT FOR RESALE
![]()
SCBU8337
23
功能部件和控制裝置
傳感器和電氣部件
如果ECM檢測到冷卻液溫度警告,冷卻液溫度輸
出和警告輸出將激活。如果ECM檢測到低機油壓
力警告,機油壓力輸出和警告輸出將激活。
診斷故障可能會在機油壓力或冷卻液溫度傳感器
上形成。例如,如果停機保護傳感器有故障,
這將導致發動機停機,除非系統處于臨界保護超
越。發動機運轉時,如果其中一個發動機轉速
傳感器出現診斷故障。發動機以其他正時傳感器
為參照繼續運轉。
如果行動報警警報啟用,且ECM檢測到冷卻液溫
度狀況,冷卻液溫度輸出和行動報警輸出將激
活。
如果發動機因低機油壓力停機,低機油壓力輸出
和停機輸出將激活。如果發動機因冷卻液溫度或
超速停機,專用輸出和停機輸出將激活。
i06151084
傳傳感感器器和和電電氣氣部部件件
停機復位
傳感器位置
必須調查發動機停機的原因。復位系統前,必須
采取糾正措施,以便操作發動機。
圖17顯示發動機上傳感器的典型位置。具體的
發動機可能會因應用差異而與插圖中的位置不
同。
發動機停機后,操作ECM的復位輸入或斷電控制
器。
通過操作鑰匙開關進入睡眠模式可以斷電電子控
制模塊。通過隔離電子控制模塊的電源可以斷電
電子控制模塊。
注:發動機停止前,無法通過使用復位輸入來復位
ECM。
海拔減額
在高海拔或高環境溫度下,發動機將減額。可以
從Perkins發動機有限公司,斯塔福德的應用
部門獲取發動機減額信息。
診斷
如果發動機上的發動機保護傳感器有故障,發動
機將激活一個診斷代碼。發動機通過診斷輸出將
診斷代碼傳輸至操作員。診斷代碼向操作員提供
發動機保護系統的故障指示。在這種條件下長時
間運轉發動機可能會導致發動機故障。輸出通常
用于驅動燈或繼電器。
將會監視以下傳感器,以確定傳感器是否超出正
常范圍,有無開路或短路:
•大氣壓力
•機油壓力
•進氣歧管壓力
•進氣歧管溫度
•燃油溫度
•冷卻液溫度
•發動機轉速
•需求轉速輸入
診斷輸出不同于警告和停機輸出。警告和停機輸
出指的是發動機操作。診斷輸出指的是電子系統
和軟件系統的狀況。
This document has been printed from SPI2. NOT FOR RESALE
![]()
24
SCBU8337
功能部件和控制裝置
傳感器和電氣部件
圖17
g01386180
(1)發動機冷卻液溫度傳感器
(2)進氣歧管壓力傳感器
(3)進氣歧管空氣溫度傳感器
(4)大氣壓力傳感器
(5)輔助位置傳感器(凸輪軸)
(6)發動機機油壓力傳感器
(7)燃油溫度傳感器
(8)主位置傳感器(曲軸)
(9)電子控制模塊(ECM)
傳感器失效
發動機冷卻液溫度傳感器 1
冷卻液溫度傳送器監測發動機冷卻液溫度。該
ECM輸出可通過繼電器或指示燈指示冷卻液溫度
高。ECM使用冷卻液溫度傳感器來確定冷態起動
策略的起動。
所有傳感器
傳感器的失效可能是由于下列故障之一造成的:
•傳感器輸出開路。
冷卻液溫度傳感器失效
•傳感器輸出對 “蓄電池負極”或 “蓄電池正極”短
路。
ECM會檢測到冷卻液溫度傳感器的失效情況。診
斷燈將會警告操作員冷卻液溫度傳感器的狀態。
冷卻液溫度傳感器故障會導致發動機停機。應更
換有故障的傳感器。請參閱拆解和裝配手冊冷卻
液溫度傳感器-拆卸和安裝。
•傳感器測量讀數超出規格范圍。
可編程監測系統 (PMS)
可編程監測系統決定電控模塊(ECM)對可能損壞
發動機的狀態作出反應的動作層次。這些狀況是
由ECM通過下列傳感器產生的信號確定的。
進氣歧管壓力傳感器 2
進氣歧管壓力傳感器測量進氣歧管中的增壓壓
力。信號被發送到ECM。進氣歧管壓力傳感器故
障將限制發動機功率。
This document has been printed from SPI2. NOT FOR RESALE

![]()
![]()
SCBU8337
25
功能部件和控制裝置
傳感器和電氣部件
進氣歧管空氣溫度傳感器 3
主轉速/正時傳感器 8
進氣歧管空氣溫度傳感器測量進氣溫度。信號被
發送到ECM。ECM也使用進氣歧管空氣溫度傳感
器來確定冷態起動策略的啟動。
如果ECM沒有接收到來自主轉速/正時傳感器的
信號, “診斷”燈將會指示一個診斷故障代碼,該
代碼將被記錄到ECM存儲器中。
大氣壓力傳感器 4
如果ECM沒有接收到來自主轉速/正時傳感器 (9)
的信號,ECM將讀取來自輔助轉速/正時傳感器
(2)的信號。ECM通過不斷檢查確定是否有來自
兩個傳感器的信號。如果任一傳感器失效,應更
換出故障的傳感器。請參閱拆解和裝配手冊曲軸
位置傳感器-拆卸和安裝或拆解和裝配手冊凸輪
軸位置傳感器-拆卸和安裝。
標定期間,壓力傳感器的所有輸出信號與大氣壓
力傳感器的輸出信號匹配。ECM使用大氣壓力傳
感器的信號,以確定發動機的工作海拔。如有必
要,ECM可使發動機減額。
輔助轉速/正時傳感器 5
傳感器間歇性失效將會導致發動機控制反常。
發動機起動時,ECM使用輔助轉速/正時傳感器的
信號,以確定活塞沖程。如果主轉速/正時傳感
器故障,ECM可能使用輔助轉速/正時傳感器,以
操作發動機。
電子控制模塊 9
ECM通過ECM中的軟件和來自各種傳感器的輸入
控制發動機工作參數。通過安裝新的閃存文件可
以更改ECM中的軟件。閃存文件定義發動機的以
下特性:發動機功率,扭矩曲線,發動機轉速
(rpm),發動機噪音,煙霧和排放。
要檢查傳感器是否正常工作,請參閱故障診斷與
排除發動機轉速/正時傳感器-測試。
發動機機油壓力傳感器 6
發動機機油壓力傳感器是絕對壓力傳感器,用來
測量主油道內的發動機機油壓力。發動機機油壓
力傳感器出于診斷目的而檢測發動機機油壓力。
發動機機油壓力傳感器向ECM發送信號。
機油壓力低警告
低壓力警告設定點取決于發動機轉速。只有在發
動機運轉8秒鐘之后才能檢測到并記錄故障。
機油壓力低
機油壓力非常低設置點取決于發動機轉速。如果
檢測到非常低的機油壓力,ECM將立即熄火發動
機,除非臨界事件超越激活。
發動機機油壓力傳感器失效
ECM會檢測到發動機機油壓力傳感器的失效。診
斷燈警告用戶發動機機油壓力傳感器的狀態。在
出現發動機機油壓力傳感器失效的情況時,與發
動機機油壓力有關的策略將會被停用。發動機機
油壓力傳感器故障會導致發動機停機。應更換有
故障的傳感器。請參閱拆解和裝配手冊發動機機
油壓力傳感器-拆卸和安裝。
燃油溫度傳感器 7
燃油溫度傳感器監控燃油溫度。傳感器信號允許
ECM通過調整恒定功率燃油率,補償燃油溫度變
化。
This document has been printed from SPI2. NOT FOR RESALE
![]()
26
SCBU8337
發動機診斷
自診斷
發動機診斷
發動機的運行和性能可能會因現行診斷編碼的產
生而被限制。加速率可能大幅減慢,功率輸出可
能自動減少。有關每個現行診斷代碼與其對發動
機性能的可能影響之間的關系的更多信息,請參
閱故障診斷與排除診斷代碼的故障診斷與排除。
i06043765
自自診診斷斷
i06043764
電子控制模塊具備某些自診斷能力。當輸入或輸
出發生的電子故障被檢測到時,診斷編碼就會產
生。這說明線路發生特定問題。
出出現現間間歇歇診診斷斷編編碼碼的的發發動動機機的的運運
行
代表當前存在的問題的診斷編碼叫做活動編碼。
如果發動機正常運行時診斷燈發亮,接著診斷燈
又熄滅,說明可能已經發生間歇故障。如果發生
了故障,故障將被記錄到電子控制模塊(ECM)
的存儲器中。
存儲在存儲器中的診斷編碼叫做記錄編碼。一定
要首先維修活動編碼然后再維修記錄編碼。記錄
編碼可能表示間歇性故障。
記錄的代碼可能并不意味著需要修理。自代碼被
記錄后,故障可能已經被排除。記錄編碼可能對
間歇問題的故障排除有幫助。
大多數情況下,沒必要因為間歇代碼而讓發動機
停機。但是,操作員應檢索記錄的故障代碼,參
考適當的信息資料以便鑒別故障的性質。操作人
員應記錄有可能導致診斷燈點亮的任何觀察發
現。
i06043778
診診斷斷燈燈
•功率低
“診斷”燈用于指示存在現行故障。
•發動機轉速限制
•冒煙過多等
故障診斷代碼將保持活動狀態直到問題得到解
決。
該信息有助于對狀況進行故障排除。這些信息也
可以為將來參考使用。有關診斷代碼的更多信
息,請參閱此發動機的故障診斷與排除指南。
i06043772
故故障障記記錄錄
系統提供故障記錄的能力。當電子控制模塊
(ECM)產生一個活動診斷代碼時,此代碼將被記
錄到ECM的存儲器中。Perkins電子維修工具
可檢索記錄的代碼。可使用Perkins電子維修
工具清除記錄的代碼。記錄在ECM存儲器中的代
碼將在記錄后100小時被從存儲器中自動清除。
i03616498
出出現現活活動動診診斷斷編編碼碼的的發發動動機機的的運運
行
如果發動機正常運行時診斷燈亮了,說明系統已
經識別到不在規格范圍之內的狀況。使用電子維
修工具(ET)檢查現行診斷代碼。
應調查該現行診斷代碼。應該盡快解決問題的起
因。如果引發現行診斷代碼的起因被解決,而且
只有這一個現行診斷編碼,診斷燈將熄滅。
This document has been printed from SPI2. NOT FOR RESALE
![]()
SCBU8337
27
發動機起動
發動機起動前
發動機起動
如有必要,在出現超速狀況時,關閉新發動機。
如有必要,按下緊急停機按鈕。
i06151095
起動發動機
發發動動機機起起動動前前
1.1.將點火開關移到接通位置。如果指示系統故
障,調查原因。如有必要,使用Perkins電
子維修工具。
起動發動機前,進行所需的日常保養和其它到期
的定期保養。有關詳細信息,請參考操作和保養
手冊保養周期表。
2.2.按下起動按鈕或將鑰匙開關轉到起動位置以便
拖動發動機。
•打開供油閥(如有配備)。
3.3.如果發動機在30秒內未能起動,松開點火按
鈕或點火開關。等待30秒,以便在再次試圖
起動發動機之前讓起動馬達冷卻。
注意
在發動機運行之前和期間必須打開燃油回油管上的所
有閥門,以便防止燃油壓力過高。 燃油壓力高可能導
致濾清器殼體故障或其它損壞。
注:發動機起動后,可能會指示系統故障。如果發生
這種情況,則表明ECM已檢測到系統出現故障。如有
必要,使用Perkins維修工具來調查故障。
如果發動機數周未起動,燃油可能從燃油系統中
泄掉。空氣可能進入濾清器殼體。并且更換燃
油濾清器時,一些氣泡將被困在發動機燃油系統
中。在這些情況下,應該充注燃油系統。更多
有關泵注燃油系統的信息資料,請參考操作和保
養手冊燃油系統-泵注。
注:機油壓力應該在發動機起動后15秒內升上來。發
動機電子控制監視發動機機油壓力。如果機油壓力低
于正常值,電子控制將熄火發動機。
4.4.如可能,讓發動機空載運轉大約三分鐘。空
載運轉發動機,直到水溫表開始升高。在暖機
期間,檢查所有儀表。
i06043730
發發動動機機排排氣氣含含有有對對人人體體有有害害的的燃燃燒燒產產物物。。必必須須在在良良
好好通通風風的的場場所所起起動動和和運運轉轉發發動動機機,,如如果果在在封封閉閉場場
所所,,要要將將廢廢氣氣排排到到外外面面去去。。
寒寒冷冷天天氣氣起起動動
•如果起動開關或操縱裝置上系有一個 “不準操作”警
告標簽或類似警告標簽,切勿起動發動機或移動任
何操控裝置。
不不要要使使用用類類似似乙乙醚醚的的噴噴霧霧式式起起動動輔輔助助裝裝置置。。否否則則可可
能能導導致致爆爆炸炸和和人人身身傷傷害害。。
•復位所有停機裝置或報警部件(如有配備)。
•確保所有由發動機驅動的設備已從發動機上分離。
最大限度降低電氣負載并卸掉任何電氣負載。
發動機將在 −10°C(14°F)的溫度下起動。使
用缸體冷卻液加熱器或曲軸箱油加熱設備將改善
溫度低于10°C(50°F)時的起動能力。當發
動機在寒冷氣候下起動時,這有助于減少白煙和
缺火。
•確保冷卻液液位正確。
•確保發動機機油油位正確。
如果發動機已經有幾個星期沒有運行,則燃油可
能已經排出。空氣可能會進入濾清器殼體。此
外,在更換燃油濾清器后,濾清器殼體中會留有
部分空氣。請參閱操作和保養手冊燃油系統-充
注,以便清除燃油系統中的空氣。
i06151083
發發動動機機起起動動
注:起動時不要調整發動機轉速控制。起動時,電子
控制模塊(ECM)將會控制發動機轉速。
請遵循寒冷天氣下的起動步驟。
新發動機
充注渦輪增壓器。這可以通過在沒有燃油的情況
下稍微盤動發動機實現。
This document has been printed from SPI2. NOT FOR RESALE
![]()
![]()
![]()
![]()
![]()
![]()
![]()
28
SCBU8337
發動機起動
用跨接起動電纜起動
當發動機暖機怠速時,觀察以下情況:
注意
當飛輪正在轉動時,不要接合起動馬達。 不要帶負荷
起動發動機。
•向發動機施加負荷之前,在怠速和最高轉速(發動
機無負荷時)的一半轉速時,檢查是否有液體或氣體
滲漏。在某些應用情況下這樣做不可能。
如果發動機在 30 秒內沒有起動,則在試圖重新起動
發動機之前,松開起動機開關或按鈕并等待 30 秒,
以使起動馬達冷卻。
•低怠速運行發動機,直到所有系統達到工作溫度。
暖機期間,檢查所有儀表。
注:發動機運行時,應觀察儀表讀數,經常記錄數
據。比較長期數據將有助于確定每一個儀表的正常讀
數。比較長期數據也將有助于發覺非正常運行的發展
變化。應查明讀數發生重大變化的原因。
1.1.如有配備,按下起動按鈕。如有配備,將鑰
匙開關轉到起動位置,以便接合電動起動馬達
和盤車。
2.2.如果發動機無法起動,重復步驟1三次。
3.3.如果發動機無法起動,調查故障原因。使用
Perkins電子維修工具。發動機起動后,可
能會指示系統故障。如果發生這種情況,則表
明ECM已檢測到系統出現故障。找出問題的原
因。使用Perkins電子維修工具。
注:機油壓力應該在發動機起動后15秒內升上來。電
子發動機控制監視機油壓力。如果機油壓力低于正常
值,電子控制將熄火發動機。
4.4.空載操作發動機,直到所有冷卻液溫度開始上
升。暖機期間,檢查儀表。
注:儀表板上機油壓力和燃油壓力的讀數顯示應處在
正常范圍。在機油壓力表指示最低正常壓力以前,不
要向發動機施加負載。檢查發動機有無泄漏和/或異
常噪音。
注:ECM完成冷起動模式后,在ECM關閉前,冷起動模
式無法再次啟用。
注:在發動機完全熄火前,不要嘗試重新起動發動
機。
i03619140
用用跨跨接接起起動動電電纜纜起起動動
不要使用跨接起動電纜來起動發動機。給蓄電池
充電或更換蓄電池。參閱操作和保養手冊蓄電
池-更換。
i02128760
發發動動機機起起動動后后
注:溫度在0至60°C(32至140°F)時,暖機時間大約
需要3分鐘。溫度低于0°C(32°F)時,可能需要額
外的暖機時間。
注:向發動機施加負荷之前,確保監測系統(如有配
備)完成自檢。
This document has been printed from SPI2. NOT FOR RESALE
![]()
![]()
![]()
SCBU8337
29
發動機運行
發動機運行
發動機運行
i06151100
發發動動機機運運行行
正確操作和保養是獲得發動機的最大使用壽命和
經濟性的關鍵因素。如果按照操作和保養手冊中
的指示去做,使用費用可以降至最低,使用壽命
可以最大限度地延長。
發動機運行時,應觀察儀表讀數,經常記錄數
據。比較長期數據將有助于確定每一個儀表的正
常讀數。比較長期數據也將有助于發覺非正常運
行的發展變化。應調查讀數中的明顯變化。
i06151064
燃燃油油省省油油準準則則
發動機的效率會影響燃油經濟性。Perkins的
設計和制造工藝可為所有應用類型帶來最高的燃
油效率。遵循建議的步驟以便獲得發動機使用壽
命期的最佳性能。
•避免燃油溢出。
燃油受熱會膨脹。燃油可能會從燃油箱溢出。
檢查燃油管路是否有泄漏。對燃油管路進行所需
的維修。
•知道不同燃油的特性。只使用推薦的燃油。
•避免不必要的無負荷運行。
讓發動機停機,而不要使發動機無負荷運行很長
時間。
•經常觀察空氣濾清器的保養指示器,如有配備。
保持空氣濾清器清潔。
•保持電氣系統處于良好狀態。
一個壞的蓄電池單元將使交流發電機過度工作。
這將消耗額外的功率和燃油。
•確保傳動帶調整適當。傳動帶應狀況良好。
•確保所有軟管連接緊密。連接處不應泄漏。
•確保從動設備狀況良好。
•冷發動機消耗過多的燃油。保持冷卻系統部件清
潔和得到良好維護。決不能運轉未安裝水溫調節
器的發動機。所有這些項目將有助于保持工作溫
度。
This document has been printed from SPI2. NOT FOR RESALE
![]()
30
SCBU8337
發動機停機
手動停機程序
發動機停機
•如有必要,進行小的調整。修理每一處泄漏并擰
緊所有松動的螺栓。
i06151098
•記下工時計的讀數。按本操作和保養手冊保養周
期表所述進行保養。
手手動動停停機機程程序序
•加滿燃油箱以便于防止燃油中積聚濕氣。燃油箱
不要加油過滿。
停止發動機
•讓發動機冷卻。檢查冷卻液液位。將冷卻液液位
保持在加注管底部以下13mm(0.5in)處。
注意
在發動機一直帶著負荷運轉的情況下立即停機,會引
起過熱并加速發動機零部件的磨損。
注:僅使用本操作和保養手冊油液建議中推薦的冷卻
液。如果未使用推薦的機油,可能會導致發動機損
壞。
關閉發動機之前避免進行加速操作。
•如果預計發動機會在冰凍溫度下運轉,則檢查冷卻
液是否具有正確的防凍保護。必須保護冷卻系
統,以防其在預計的最低外部溫度下結凍。如果
必要,添加合適的冷卻液/水混合液。
要避免發動機熱態停機可增加渦輪增壓器軸和軸承的
壽命。
注:不同應用采用不同的控制系統。確保理解停機程
序。運用以下一般性準則以便使發動機停機。
•對所有從動設備進行必需的定期保養。此保養會
在OEM的使用說明書中述及。
1.1.從發動機上卸下負載。讓發動機空載運行5
分鐘,以便冷卻發動機。
2.2.經過發動機上的停機系統規定的冷卻周期后,
關閉發動機,把點火鑰匙開關轉到斷開位置。
如有必要,請參閱OEM提供的說明。
緊急停機
注意
緊急停機控制裝置只用于緊急情況。 切勿把緊急停機
裝置或控制裝置用于正常的停機過程。
OEM可能已裝配了緊急停機按鈕。更多關于緊急
停機按鈕的信息,請參閱OEM資料。
確保發動機停機后支持發動機運行的外部系統的
所有部件安全可靠。
i06043792
發發動動機機停停機機后后
注:檢查發動機機油之前,停止運行發動機至少10分
鐘以便使發動機機油回到油底殼。
•檢查曲軸箱機油油位。使機油油位保持在油位表
的 “低”標記和 “高”標記之間。
注:僅使用本操作和保養手冊油液建議中推薦的機
油。如果未使用推薦的機油,可能會導致發動機損
壞。
This document has been printed from SPI2. NOT FOR RESALE
![]()
![]()
![]()
![]()
![]()
SCBU8337
31
寒冷天氣操作
寒冷天氣操作
寒冷天氣操作
不不要要使使用用類類似似乙乙醚醚的的噴噴霧霧式式起起動動輔輔助助裝裝置置。。否否則則可可
能能導導致致爆爆炸炸和和人人身身傷傷害害。。
i06151102
寒寒冷冷天天氣氣操操作作
發動機潤滑油粘度
Perkins柴油發動機能在寒冷天氣下有效運轉。
在寒冷天氣下柴油發動機機的起動和運轉取決于
以下各項:
必須使用粘度正確的發動機機油。機油的粘度影
響盤車扭矩的數值。請參閱維修和保養手冊油液
建議以了解推薦的機油粘度信息。
•使用的燃油的型號
•發動機機油的黏度
•選裝的冷起動輔助裝置
•蓄電池狀況
推薦使用的冷卻液
該冷卻液應向冷卻系統提供針對最低預期外界溫
度的保護。請參閱本維修和保養手冊油液建議以
了解推薦的冷卻液混合液信息。
在寒冷天氣中,經常檢查冷卻液的乙二醇的濃度
是否正確,以確保有足夠的防凍保護能力。
在結凍溫度下發動機的操作和保養非常復雜。這
是由于下述情況造成的:
發動機缸體加熱器
•天氣情況
發動機缸體加熱器(如果配備)加熱燃燒室周圍
的發動機缸套水。該加熱器可提供下列功能:
•發動機應用
Perkins經銷商給出的建議是以過去的經過證實
的實踐為依據的。本部分所包含的信息為寒冷天
氣的操作提供指導。
•改善起動性能。
一旦發動機停機,缸體電加熱器即可通電工作。
有效缸體加熱器的典型電功率為1250/1500W單
位。請咨詢Perkins經銷商,了解更多信息。
寒冷天氣操作建議
•如果發動機能夠起動,應運轉發動機直到達到
81°C(177.8°F)的最低工作溫度。達到工作溫
度將有助于防止進排氣門膠結。
i06151106
燃燃油油和和寒寒冷冷天天氣氣的的影影響響
•發動機的冷卻系統和潤滑系統不會緊隨停機立即散
失所有熱量。這意味著發動機在停機一段時間后
仍有能力輕易起動。
注:僅使用Perkins推薦的燃油等級。請參閱本操作
和保養手冊油液建議。
•寒冷天氣到來之前,加注達到正確技術參數的發動
機潤滑劑。
本系列發動機可使用下列燃油。
•每周檢查所有橡膠零件(軟管、風扇驅動皮帶
等)。
•第1組
•第2組
•第3組
•專用燃油
•檢查所有電氣接線和連接有無任何磨損和絕緣層損
壞現象。
•保持所有蓄電池充足電和溫熱。
•每天檢查空氣濾清器和進氣口。
在本系列發動機中,Perkins僅首選使用第1組
和第2組的燃油。
第1組燃油是Perkins普遍使用的首選燃油組。
第1組燃油能夠最大化發動機的使用壽命和性
能。與第2組燃油相比,第1組燃油可用性較
小。通常,在冬季寒冷氣候條件下無法使用第1
組燃油。
酒酒精精或或起起動動液液會會造造成成人人身身傷傷害害或或財財產產損損壞壞。。
酒酒精精或或起起動動液液是是高高度度易易燃燃品品并并且且有有毒毒,,如如果果儲儲存存不不
當當,,會會造造成成人人身身傷傷害害或或財財產產損損壞壞。。
注:第2組燃油必須具有650微米的最大磨損斑痕
(HFRR至ISO12156-1)。
This document has been printed from SPI2. NOT FOR RESALE