冷卻系統冷卻液[長效冷卻液(ELC)] - 更換
6.6.起動發動機。檢查冷卻系統是否泄漏以及工
作溫度是否正常。
注意
加注冷卻系統時,速度不要快于每分鐘 5 L
(1.3 美制加侖),以避免發生氣阻。
i06059600
冷卻系統氣阻會損壞發動機。
冷冷卻卻系系統統冷冷卻卻液液[長長效效冷冷卻卻液液
(E(ELLC)C)]]-更更換換
3.3.用清潔的水加注冷卻系統。安裝冷卻系統加
注口蓋。
4.4.起動發動機并在低怠速運轉,直到溫度達到
49至66°C(120至150°F)。
注意
在檢驗、保養、測試、調整及維修產品時,必須小心
以確保收集好排放出的油液。 在打開任何腔室或拆解
任何儲有液體的部件之前,要準備好用合適的容器收
集液體。
5.5.發動機停機,使發動機冷卻下來。緩慢地松
開冷卻系統加注口蓋,以釋放掉所有壓力。拆
下冷卻系統加注口蓋。打開排放旋塞或取下發
動機上的排放螺塞。打開排放旋塞或拆下散熱
器上的排放螺塞。使水放出。用清潔的水沖
洗冷卻系統。
按照本地法規和指令處置所有液體。
注意
保持所有零件清潔無雜質。
加注
1.1.關閉排放旋塞或將排放螺塞裝到發動機上。
關閉排放旋塞或安裝散熱器上的排放螺塞。
雜質會造成快速磨損和縮短部件壽命。
如果有以下情況發生,在推薦的保養周期之前,
清潔和沖刷冷卻系統:
注意
加注冷卻系統時,速度不要快于每分鐘 5 L
(1.3 美制加侖),以避免發生氣阻。
•發動機頻繁過熱。
•觀察到起泡沫。
冷卻系統氣阻會損壞發動機。
•機油已進入冷卻系統,冷卻液被污染。
•柴油已進入冷卻系統,冷卻液被污染。
2.2.用市售重載作業冷卻液加注冷卻系統。向冷
卻液中加入補充冷卻液添加劑。關于正確的
量,請參閱操作和保養手冊油液建議主題(保
養部分)了解更多關于冷卻系統技術參數的信
息。尚不要安裝冷卻系統加注口蓋。
注:排放和更換長效冷卻液(ELC)后,清潔冷卻系統
時只需用凈水。
注:冷卻系統放水后,檢查水泵和水溫調節器。該檢
查為在必要時更換水泵、水溫調節器和軟管提供了好
機會。
3.3.起動發動機并在低怠速下運轉。提高發動機
轉速至高怠速。在高怠速運轉發動機1分鐘以
便排除缸體空穴中的空氣。停止發動機。
排放
4.4.檢查冷卻液液位。把冷卻液液位保持在加注
管底部以下13mm(0.5in)以內。使膨脹瓶
(如果配備)中的冷卻液保持在正確的液位。
加加壓壓的的系系統統::熱熱的的冷冷卻卻液液能能造造成成嚴嚴重重的的燙燙傷傷。。在在發發
動動機機停停機機,,等等待待冷冷卻卻系系統統部部件件冷冷卻卻下下來來后后再再打打開開冷冷
卻卻系系統統加加注注口口蓋蓋。。緩緩慢慢松松開開冷冷卻卻系系統統加加注注口口蓋蓋,,以以
釋釋放放掉掉所所有有壓壓力力。。
5.5.清洗冷卻系統加注口蓋。檢查冷卻系統加注
口蓋上的墊圈。如果冷卻系統加注口蓋上的墊
圈損壞,廢棄原來的冷卻系統加注口蓋并安裝
新的加注口蓋。如果冷卻系統加注口蓋上的密
封墊沒有損壞,請使用適當的加壓泵來進行冷
卻系統加注口蓋的壓力測試。冷卻系統加注口
蓋的正確壓力刻印在冷卻系統加注口蓋的表
面。如果冷卻系統加注口蓋無法保持正確壓
力,安裝新的冷卻系統加注口蓋。
1.1.發動機停機,使發動機冷卻下來。緩慢地松
開冷卻系統加注口蓋,以釋放掉所有壓力。拆
下冷卻系統加注口蓋。
This document has been printed from SPI2. NOT FOR RESALE
![]()
![]()
![]()
![]()
![]()
![]()
![]()
![]()
![]()
![]()
![]()
4.
起動發動機并在低怠速運轉,直到溫度達到
49至66°C(120至150°F)。
54
SCBU7833
加注容量
冷卻系統冷卻液[長效冷卻液(ELC)] - 更換
5.發動機停機,使發動機冷卻下來。緩慢地松
開冷卻系統加注口蓋,以釋放掉所有壓力。拆
下冷卻系統加注口蓋。打開排放旋塞或取下發
動機上的排放螺塞。打開排放旋塞或拆下散熱
器上的排放螺塞。使水放出。用清潔的水沖
洗冷卻系統。
加注
1.關閉排放旋塞或將排放螺塞裝到發動機上。
關閉排放旋塞或安裝散熱器上的排放螺塞。
注意
加注冷卻系統時,速度不要快于每分鐘 5 L
(1.3 美制加侖),以避免發生氣阻。
冷卻系統氣阻會損壞發動機。
圖33
g03716975
典型示例
2.用長效冷卻液(ELC)加注冷卻系統。有關冷卻
系統技術規范的更多資料,請參閱操作和保養
手冊推薦用油液一章(保養部分)。尚不要安
裝冷卻系統加注口蓋。
2.打開排放旋塞或取下發動機上的排放螺塞 (1)
。打開排放旋塞或拆下散熱器上的排放螺塞。
使冷卻液放出。
3.起動發動機并在低怠速下運轉。提高發動機
轉速至高怠速。在高怠速運轉發動機1分鐘以
便排除缸體空穴中的空氣。停止發動機。
注意
用過的發動機冷卻液應妥善棄置或再循環。 回收用過
的冷卻液使之再利用于發動機冷卻系統的方法有多
種。但珀金斯唯一接受的回收舊冷卻液的方法是完全
蒸餾法。
4.檢查冷卻液液位。把冷卻液液位保持在加注
管底部以下13mm(0.5in)以內。使膨脹瓶
(如果配備)中的冷卻液保持在正確的液位。
有關用過冷卻液的處置和循環再利用的資料,請
咨詢您的Perkins代理商或您的Perkins分銷
商。
5.清洗冷卻系統加注口蓋。檢查冷卻系統加注
口蓋上的墊圈。如果冷卻系統加注口蓋上的墊
圈損壞,廢棄原來的冷卻系統加注口蓋并安裝
新的加注口蓋。如果冷卻系統加注口蓋上的密
封墊沒有損壞,請使用適當的加壓泵來進行冷
卻系統加注口蓋的壓力測試。冷卻系統加注口
蓋的正確壓力刻印在冷卻系統加注口蓋的表
面。如果冷卻系統加注口蓋無法保持正確壓
力,安裝新的冷卻系統加注口蓋。
沖刷
1.用清潔水沖刷冷卻系統以便清除所有碎屑。
2.關閉排放旋塞或將排放螺塞裝到發動機上。
關閉排放旋塞或安裝散熱器上的排放螺塞。
注意
加注冷卻系統時,速度不要快于每分鐘 5 L
(1.3 美制加侖),以避免發生氣阻。
6.起動發動機。檢查冷卻系統是否泄漏以及工
作溫度是否正常。
冷卻系統氣阻會損壞發動機。
3.用清潔的水加注冷卻系統。安裝冷卻系統加
注口蓋。
This document has been printed from SPI2. NOT FOR RESALE
![]()
![]()
![]()
![]()
![]()
![]()
![]()

![]()
![]()
SCBU7833
55
加注容量
冷卻系統冷卻液 - 更換
i06059643
注意
冷冷卻卻系系統統冷冷卻卻液液-更更換換
加注冷卻系統時,速度不要快于每分鐘 5 L
(1.3 美制加侖),以避免發生氣阻。
冷卻系統氣阻會損壞發動機。
7.7.用合格的防凍液混合液加注系統。安裝加注
口蓋。
8.8.運轉發動機并檢查有無冷卻液泄漏。
i06059637
冷冷卻卻系系統統長長效效冷冷卻卻液液(ELC)延延長長
劑-添添加加
為確保PerkinsELC實現12000小時的運行,必
須在運行了6000小時后加配延長劑。為獲得合
適的延長劑,請聯系的您的Perkins代理商或
Perkins分銷商。
i04890703
圖34
g03716975
冷冷卻卻系系統統冷冷卻卻液液液位位-檢檢查查
排放塞
注意
配備冷卻液回收箱的發動機
不要在發動機仍舊很熱和系統處于壓力的情況下排放
冷卻液,因為有排出炙熱冷卻液的危險存在。
注:冷卻系統可能不是Perkins提供的。下面的程序
適用于典型冷卻系統。請參閱OEM信息以了解正確的
程序。
注:Perkins可能沒有提供散熱器。以下為更換冷卻
液的一般步驟。請參閱OEM信息以了解正確的程序。
發動機停機并冷卻后檢查冷卻液液位。
1.1.確保應用位于水平地面上。
2.2.拆下冷卻系統的加注口蓋。
注意
對發動機冷卻系統進行任何保養或修理后,必須在水
平地面上對發動機執行此程序。 這樣允許您精確檢查
冷卻液液位。 這樣也有助于避免冷卻系統中出現氣
穴。
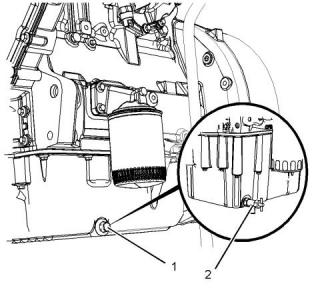
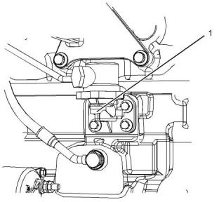
3.3.從氣缸體側拆卸排放螺塞(1),以便排放發
動機。確保排放孔未被堵塞。
4.4.打開散熱器排放蓋子,拆下散熱器底部的排放
螺塞,以便排放散熱器。如果散熱器沒有散熱
器排放蓋子或排放螺塞,則斷開散熱器底部的
軟管。
1.1.觀察冷卻液回收箱中的冷卻液液位。使冷卻
液回收箱中的冷卻液液位保持在冷滿( “COLD
FULL”)標記處。
5.5.用清潔的水沖洗冷卻液系統。
6.6.安裝排放塞并關閉散熱器排放蓋子。如果之
前拆下了散熱器軟管,需將其裝上。
加加壓壓的的系系統統::熱熱的的冷冷卻卻液液能能造造成成嚴嚴重重的的燙燙傷傷。。在在發發
動動機機停停機機,,等等待待冷冷卻卻系系統統部部件件冷冷卻卻下下來來后后再再打打開開冷冷
卻卻系系統統加加注注口口蓋蓋。。緩緩慢慢松松開開冷冷卻卻系系統統加加注注口口蓋蓋,,以以
釋釋放放掉掉所所有有壓壓力力。。
2.2.慢慢松開加注口蓋以釋放壓力。拆卸加注口
蓋。
This document has been printed from SPI2. NOT FOR RESALE
![]()
![]()
![]()
![]()
![]()
![]()
![]()
![]()

![]()
![]()
![]()
56
SCBU7833
加注容量
被驅動設備 - 檢查
3.3.將正確的冷卻液混合液倒入箱中。有關應使
用的正確的冷卻液混合液和冷卻液類型的資
料,請參閱操作和保養手冊加注容量和建議。
有關冷卻系統容量的資料,請參閱操作和保養
手冊加注容量和建議。不要將冷卻液回收箱加
注到冷滿( “COLDFULL”)標記以上。
圖36
g00285520
冷卻系統加注口蓋
加加壓壓的的系系統統::熱熱的的冷冷卻卻液液能能造造成成嚴嚴重重的的燙燙傷傷。。在在發發
動動機機停停機機,,等等待待冷冷卻卻系系統統部部件件冷冷卻卻下下來來后后再再打打開開冷冷
卻卻系系統統加加注注口口蓋蓋。。緩緩慢慢松松開開冷冷卻卻系系統統加加注注口口蓋蓋,,以以
釋釋放放掉掉所所有有壓壓力力。。
1.1.慢慢拆下冷卻系統加注口蓋,以釋放掉壓力。
2.2.使冷卻液的液位保持在您的應用對應的最大標
記處。如果發動機配備了觀察窗,使冷卻液的
液位保持在觀察窗中的正確位置。
圖35
g02590196
加注口蓋
3.3.清潔冷卻系統加注口蓋并檢查墊片。如果墊
片損壞,丟棄舊加注口蓋,并安裝新加注口
蓋。如果墊片未損壞,使用適當的加壓泵對加
注口蓋進行壓力測試。正確的壓力值壓印在加
注口蓋的表面。如果加注口蓋無法保持正確的
壓力,安裝新加注口蓋。
4.4.清潔加注口蓋和罐口。裝回加注口蓋,檢查
冷卻系統有無滲漏。
注:發動機正常運轉期間,隨著冷卻液溫度升高,冷
卻液將會膨脹。發動機運轉期間,由于體積變大,部
分冷卻液將會進入冷卻液回收箱。發動機停轉并冷卻
后,回收箱中的冷卻液將會回到發動機內。
4.4.檢查冷卻系統是否泄漏。
未配備冷卻液回收箱的發動機
i02314789
發動機停機并冷卻后檢查冷卻液液位。
被被驅驅動動設設備備-檢檢查查
更多有關下列針對驅動設備的保養建議的資料,
請參閱原始設備制造商(OEM)的規范。
•檢驗
•調整
•潤滑
•其它保養建議
進行所有OEM建議進行的針對驅動設備的保養。
This document has been printed from SPI2. NOT FOR RESALE
![]()
![]()

![]()
![]()

![]()
![]()
![]()
SCBU7833
57
加注容量
發動機 - 清潔
i03616470
注意
發發動動機機-清清潔潔
在發動機運轉時切勿保養空氣濾清器濾芯,因為這樣
會使污物進入發動機。
保養空氣濾清器濾芯
注:珀金斯可能不提供空氣濾清器。下列步驟適用于
典型的空氣濾清器系統。關于正確的步驟,請參見
OEM資料。
高高電電壓壓能能造造成成人人身身傷傷害害或或死死亡亡。。
潮潮濕濕可可能能產產生生導導電電回回路路。。
保保證證電電氣氣系系統統斷斷電電。。鎖鎖定定起起動動控控制制裝裝置置,,在在控控制制裝裝
置置上上系系上上 “不不準準起起動動” 的的標標簽簽。。
如果空氣濾清器濾芯堵塞,空氣就可能將空氣濾
清器濾芯材料裂開。未經過濾的空氣將加劇發動
機內部的磨損。關于適合您的機器的正確的空氣
濾清器濾芯,請參見OEM資料。
注意
•每天檢查預濾器(如有配備)和灰塵杯有無臟物
和碎屑堆積。需要時清除一切臟物和碎屑。
積聚在發動機上的潤滑脂和機油有失火危險。 保持發
動機清潔。 只要有相當數量的碎屑和濺溢的液體積聚
在發動機上,就要清除掉。
•有些作業條件(灰塵、污物和碎屑)可能要求對空氣
濾清器濾芯進行頻繁的保養。
•此空氣濾清器濾芯每年至少應更換一次。無論清
潔過多少次,使用一年后一定要更換。
注意
清洗時未能保護某些發動機部件,可能會造成您的發
動機保修無效。 在清洗發動機前,請將其冷卻一小
時。
用干凈的空氣濾清器濾芯更換臟的空氣濾清器濾
芯。安裝前,應徹底檢查空氣濾清器濾芯的過濾
材料是否有破裂和/或孔洞。檢查空氣濾清器濾
芯的密封墊或密封件有無損壞。保有適量替換用
空氣濾清器濾芯配件。
建議進行發動機定期清潔。蒸汽清潔發動機將去
除積聚的機油和潤滑脂。清潔的發動機有以下好
處:
雙濾芯空氣濾清器
•容易檢查到油液滲漏的地方
•最大的熱傳遞特性
•保養方便
雙濾芯空氣濾清器包括空氣粗濾器濾芯和空氣細
濾器濾芯。如果經過適當清潔和檢查,此空氣粗
濾器濾芯可以被使用多達6次。粗濾器濾芯每年
至少應更換一次。無論清潔過多少次,使用一年
后一定要更換。
注:清潔發動機時必須多加小心以便防止過多的水損
壞電氣部件。高壓清洗機或蒸汽清潔器不得對準任何
電氣接頭或接頭后部連接電纜的接頭處。避開電氣零
部件,例如交流發電機和起動馬達。確保噴油泵遠離
用于清洗發動機的液體。
空氣細濾器濾芯無法維護或洗滌。參見OEM資料
以獲得更換空氣細濾器濾芯的說明。當發動機在
多塵或骯臟的環境下運行時,空氣濾清器濾芯可
能需要更頻繁的更換。
i03616468
發發動動機機空空氣氣濾濾清清器器濾濾芯芯(雙雙濾濾芯芯)
-清清潔潔/更更換換
注意
未安裝空氣濾清器濾芯切勿運轉發動機。 空氣濾清器
濾芯損壞時也決不能運轉發動機。 不要使用褶紙、墊
圈或密封件損壞的濾芯。 污物進入發動機會造成發動
機零部件的早期磨損和損壞。 空氣濾清器濾芯有助于
防止空氣中的碎屑進入進氣口。
This document has been printed from SPI2. NOT FOR RESALE
![]()
![]()
![]()
![]()
![]()
![]()
![]()
![]()
![]()
![]()
![]()
58
SCBU7833
加注容量
發動機空氣濾清器濾芯(雙濾芯) - 清潔/更換
注意
不能用撞擊或敲打的方法清潔濾清器濾芯。 這樣會損
壞密封。 不要使用褶紙、墊圈或密封已損壞的濾芯。
損壞的濾芯會使臟物通過。 發動機可能因此而損壞。
清潔前,目測檢查空氣粗濾器濾芯。檢查空氣濾
清器濾芯的密封、密封墊圈和外蓋有無損壞。棄
置任何損壞的濾芯。
通常有兩種方法可用于清潔粗濾器濾芯:
•增壓空氣
•真空清潔
圖37
g00736431
(1)罩蓋
壓縮空氣
(2)空氣粗濾器濾芯
(3)空氣細濾器濾芯
(4)進氣口
壓縮空氣可用于清潔清潔次數不足兩次的粗濾器
濾芯。壓縮空氣不能清除積碳和機油。使用過
濾的干燥空氣,其最大壓力為207kPa(30psi)
1.取下蓋。拆下空氣濾清器濾芯。
。
2.每清潔三次空氣粗濾器濾芯,就應取下并棄置
空氣細濾器濾芯。
注:請參見“檢查空氣粗濾器濾芯”。
3.用膠帶封蓋渦輪增壓器空氣進口以便遮擋灰
塵。
4.用清潔干燥的布清潔空氣濾清器蓋和殼體內
部。
5.取下空氣進氣口的封帶。安裝空氣細濾器濾
芯。安裝新的或清潔過的空氣粗濾器濾芯。
6.安裝空氣濾清器蓋。
圖38
g00281692
7.復位空氣濾清器維護指示器。
檢查空氣粗濾器濾芯
注:清潔粗濾器濾芯時,一定要從干凈的內側開始,
將臟物微粒沖向臟污的外側。
對準軟管的朝向,以使氣流在濾芯內沿濾清器長
度方向流動,這有助于防止損壞褶紙。不要將氣
流直接對準粗濾器的濾芯。臟物可能被更進一步
地壓入褶紙內部。
注意
如要自己清潔濾清器濾芯,應遵守以下原則:
不要敲打或撞擊濾清器濾芯來清除灰塵。
不要沖洗濾清器濾芯。
注:請參考“檢查空氣粗濾器濾芯”。
真空清潔
使用低壓壓縮空氣清除濾清器濾芯中的灰塵。 氣壓須
不得超過207 kPa (30 psi)。 使氣流對準濾清器濾芯
內的褶紙上下吹。 要特別小心以免損壞褶紙。
真空清潔是一種清潔那些在干燥多塵的環境下工
作的需要天天清潔的空氣粗濾器濾芯的好方法。
應優先采用壓縮空氣清潔。真空清潔不能清除積
碳和機油。
不要使用褶紙、墊圈或密封損壞的空氣濾清器。 臟物
進入發動機會損壞發動機的零部件。
請參見OEM資料以確定粗濾器濾芯的可清潔次
數。粗濾器濾芯清潔后,檢查過濾材料有無撕
裂。粗濾器濾芯每年至少應更換一次。無論清
潔過多少次,使用一年后一定要更換。
注:請參考“檢查空氣粗濾器濾芯”。
This document has been printed from SPI2. NOT FOR RESALE
![]()
![]()
![]()
![]()
![]()

![]()
![]()

![]()
![]()
SCBU7833
59
加注容量
發動機空氣濾清器濾芯(雙濾芯) - 清潔/更換
檢查空氣粗濾器濾芯
i03616445
發發動動機機空空氣氣濾濾清清器器保保養養指指示示器器-
檢檢查查
某些發動機可能裝有與此不同的保養指示器。
某些發動機配備進氣壓力差壓表。進氣壓力差壓
表顯示在空氣濾清器濾芯之前和之后測量的壓力
之差。空氣濾清器濾芯變臟時,壓差上升。如
果您的發動機配備了不同種類的保養指示器,遵
循OEM的建議,以便維護空氣濾清器的保養指示
器。
空氣濾清器保養指示器可能裝在空氣濾清器上或
在較遠的地方。
圖39
g00281693
檢查清潔、干燥的空氣粗濾器濾芯。在暗室或類
似設施中使用一個60瓦藍光燈。將藍光燈置于
空氣粗濾器濾芯中。轉動空氣粗濾器濾芯。檢
查空氣粗濾器濾芯有無破裂和/或孔洞。檢查有
無燈光透過空氣粗濾器濾芯的過濾材料。如有必
要,把檢查過的空氣粗濾器濾芯與零件號相同的
新濾芯進行比較,以便確認檢查結果。
不要使用過濾材料上出現任何破裂和/或孔洞的
空氣粗濾器濾芯。不要使用褶紙、墊圈或密封已
損壞的濾芯。棄置損壞的空氣粗濾器濾芯。
i03018735
發發動動機機空空氣氣濾濾清清器器濾濾芯芯(雙雙濾濾芯芯)
-清清潔潔/更更換換
圖40
g00103777
典型的保養指示器
觀察保養指示器。發生以下情況之一時,空氣濾
清器濾芯就應被清潔或更換:
請參閱操作和保養手冊發動機空氣濾清器保養指
示器-檢查。
•黃色膜片進入紅色區域。
•紅色柱塞鎖定在可見位置。
注意
測試保養指示器
未安裝空氣濾清器濾芯切勿運轉發動機。 空氣濾清器
濾芯損壞時也決不能運轉發動機。 不要使用褶紙、墊
圈或密封件損壞的濾芯。 污物進入發動機會造成發動
機零部件的早期磨損和損壞。 空氣濾清器濾芯有助于
防止空氣中的碎屑進入進氣口。
保養指示器是重要裝置。
•檢查復位是否靈活。保養指示器應在少于3次按
推的情況下復位。
•發動機加速到發動機的額定轉速時,檢查黃芯的移
動情況。黃芯應大致鎖定在可以達到的最大真空
位置。
注意
在發動機運轉時切勿保養空氣濾清器濾芯,因為這樣
會使污物進入發動機。
如果保養指示器不燃油復位或黃色芯無法鎖定在
最大真空位置,應更換保養指示器。如果新的保
養指示器也不能復位,則保養指示器的安裝孔可
能有阻塞。
有多種空氣濾清器可以與本發動機一起使用。請
向OEM咨詢有關更換空氣濾清器的正確步驟。
如有必要,在嚴重多塵的環境下,保養指示器可
能需要頻繁更換。
This document has been printed from SPI2. NOT FOR RESALE
![]()
![]()
![]()
![]()
![]()

![]()
![]()

![]()
![]()
60
SCBU7833
加注容量
發動機接地 - 檢查/清潔
i03616450
發發動動機機接接地地-檢檢查查/清清潔潔
檢查原始設備制造商(OEM)線束連接是否良好。
珀金斯使用起動馬達將發動機接地。每次更換
機油時檢查起動馬達連接處。接地線和接地帶應
共同連接到發動機接地點。所有接地點必須緊固
和無腐蝕現象。
•用干凈的布清潔起動馬達上的接地雙頭螺栓和接線
端子。
•如果連接處被腐蝕,使用烘焙蘇打和水的溶液清潔
連接處。
圖41
g01165836
(Y)
“Min”(最低)標記。 (X) “Max”(最高)標記。
•保持氣缸蓋接地螺栓和接地帶清潔,并用適合的潤
滑脂或凡士林涂覆。
i03018708
發發動動機機安安裝裝支支座座-檢檢查查
注:珀金斯可能不提供發動機支架。更多有關發動機
支架和正確的螺栓扭矩信息,請參閱OEM資料。
檢查發動機安裝基座是否老化,螺栓扭矩是否正
確。發動機振動可能由以下情況引起:
•發動機安裝不當
•發動機安裝基座老化
•發動機支架松動
圖42
g02173847
(L) “Min”(最低)標記。 (H) “Max”(最高)標記。
注意
在發動機停機時進行該保養。
應更換有老化跡象的發動機安裝基座。有關推薦
的扭矩,請參閱OEM資料。
i06059654
注:確保發動機水平或處于正常操作地點,以顯示真
實的液位。
發發動動機機機油油油位位-檢檢查查
注:發動機關閉后,等待10分鐘,以便讓發動機機油
排入油底殼。然后,檢查油位。
1.1.將機油油位保持在發動機機油尺上的 “添加”
標記 (Y)和 “滿”標記 (X) 之間?;蛘邔l動機
機油油位保持在H和L標記之間。不要過量加
注曲軸箱。
熱熱油油和和熱熱的的部部件件可可能能會會導導致致人人員員受受傷傷。。不不要要讓讓熱熱的的
油油和和部部件件接接觸觸皮皮膚膚。。
注意
當機油油位高于 “滿(FULL)” 標記時,操作發動機
會使曲軸浸入機油中。 曲軸浸入機油所產生的空氣
泡,會削弱機油的潤滑能力并導致功率損失。
This document has been printed from SPI2. NOT FOR RESALE
![]()
![]()
![]()
![]()
![]()
![]()
![]()

![]()
![]()

![]()
![]()
SCBU7833
61
加注容量
發動機機油油樣 - 采樣
2.2.如有必要,取下機油加注口蓋,添加機油。
清潔機油濾清器加注口蓋。安裝機油濾清器加
注口蓋。
i06059641
發發動動機機機油油和和濾濾清清器器-更更換換
i03616461
發發動動機機機油油油樣樣-采采樣樣
熱熱油油和和熱熱的的部部件件可可能能會會導導致致人人員員受受傷傷。。不不要要讓讓熱熱的的
油油和和部部件件接接觸觸皮皮膚膚。。
作為一種預防性維護保養程序,應定期檢查發動
機潤滑油的狀況。珀金斯包括選配件機油取樣
閥。配備機油采樣閥(如有配備)以定期采集發
動機潤滑油。機油采樣閥位于機油濾清器蓋或缸
體上。
發動機在冷態時不要放機油。由于機油較冷,懸
浮廢物微粒沉淀在油底殼的底部,廢物微粒不會
隨冷機油排出。在發動機停機時放掉曲軸箱機
油。當機油仍然溫熱時,放掉曲軸箱內的機油。
這種放油方法可使懸浮在機油中的廢物微粒正常
排放。
珀金斯建議使用取樣閥來獲取機油油樣。使用
采樣閥時,油樣質量和采樣一致性較好。在正常
發動機運行時采樣閥的位置使得機油可以在壓力
下流出而被采樣。
未能遵守本推薦步驟進行操作會造成廢物微粒隨
新機油在發動機潤滑系統中再循環。
排放發動機機油
采樣與分析
注:確保使用的容器足夠大,以便盛放廢機油。
熱熱油油和和熱熱的的部部件件可可能能會會導導致致人人員員受受傷傷。。不不要要讓讓熱熱的的
油油和和部部件件接接觸觸皮皮膚膚。。
為幫助獲得最精準的分析,請在抽取油樣之前記
錄以下信息:
•取樣日期
•發動機型號
•發動機編號
•發動機的工時數
•上次更換機油以來的累計工作小時數
•上次更換機油以來的機油添加量
確保裝油樣的容器清潔干燥。還要確保裝油樣的
容器貼有清晰標簽。
為了確保油樣能代表曲軸箱中的機油,要采集溫
熱的、充分混合的機油油樣。
圖43
g03720357
典型示例
(1)排放塞
(2)排放閥
為了避免油樣被污染,用來采樣的工具和用品必
須干凈。
待發動機在正常工作溫度下運轉后,使其停機。
采用以下方法之一來放掉發動機曲軸箱機油:
可以檢查油樣以下幾點:機油質量,機油中是否
存在任何冷卻液,機油中是否存在任何黑色金屬
顆粒和機油中是否存在任何有色金屬顆粒.
•如果發動機配備了放油閥(2),逆時針轉動放油閥
旋鈕以便放掉機油。機油放凈之后,瞬時針旋轉
放油閥的旋鈕以便關閉放油閥。
•如果發動機未配放油閥,取下機油排放塞(1)以排
出機油。
This document has been printed from SPI2. NOT FOR RESALE
![]()
![]()
![]()
![]()
![]()

![]()
![]()
如有必 4.安裝新機油濾清器 (5) 。在新機油濾清器上旋
62
SCBU7833
加注容量
發動機機油和濾清器 - 更換
機油放凈后,應清潔并安裝機油排放塞。
要,更換排放塞上的O形密封圈。
轉,直到O型密封圈接觸密封面 (3) 。然后,
將機油濾清器旋轉3/4圈。拆下容器并根據當
地法規處理廢機油。
由于油底殼的形狀,某些類型的油底殼在兩邊帶
有機油排放塞。這種類型的油底殼要求發動機機
油從兩個排放塞處排放。
加注發動機曲軸箱
擰緊排放塞至扭矩為34N·m(25lbft)。
1.拆下機油加注口蓋。有關潤滑劑技術參數的
更多資料,請參閱操作和保養手冊。向曲軸箱
中加注適量的機油。有關加注容量的更多資
料,請參閱操作和保養手冊。
更換旋壓式機油濾清器
注意
珀金斯 機油濾清器是按珀金斯 技術參數制造的。 使
用未被珀金斯 推薦的機油濾清器可能造成發動機軸承
和曲軸等發動機部件的嚴重損壞, 這些嚴重的發動機
損壞由未經過濾的機油攜帶進入發動機潤滑系統的大
的廢物顆粒引起的。 僅使用珀金斯 推薦的機油濾清
器。
注意
如果配備了輔助機油濾清器系統或遠距離機油濾清器
系統,遵循原始設備制造商 (OEM)或濾清器制造商的
建議。 曲軸箱的機油加注過度或不足都有可能導致發
動機的損害。
1.使用適當的工具拆下機油濾清器 (5)。
注意
為防止曲軸軸瓦的損壞,在斷油情況下盤車起動發動
機。 這將在起動發動機之前將濾清器注滿。 發動機
盤車時間不要超過30秒鐘。
2.起動發動機,然后以 “低怠速”運轉發動機2
分鐘。執行此步驟是為了確保潤滑系統中有機
油并且機油濾清器內充滿機油。檢查機油濾清
器有無機油泄漏。
3.停止發動機并等待至少10分鐘,使機油流回
集油槽。
圖44
g03720358
典型示例
圖45
g00998024
(Y) “ADD(加注)”標記。 (X) “FULL(滿)”標記。
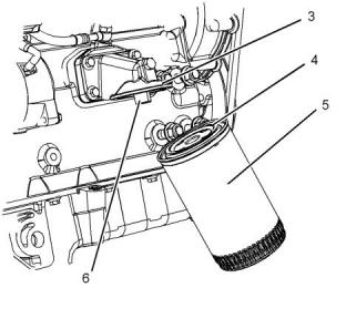
2.清潔機油濾清器底座 (3)的密封表面。確保機
油濾清器底座中的管接頭 (6)牢固且無損壞。
4.取出機油油位表,檢查機油油位。保持機油
油位在發動機機油尺的 “ADD(最低)”和
“FULL(最高)”標記之間。
3.在機油濾清器的O形密封圈 (4)上涂抹潔凈的
發動機機油。
注意
安裝前不要用機油充滿機油濾清器。 這些機油將不被
過濾并可能受到污染。 被污染的機油可能導致發動機
部件的加速磨損。
This document has been printed from SPI2. NOT FOR RESALE
![]()
![]()
![]()
![]()
![]()
![]()
![]()
![]()
![]()

![]()
![]()

![]()
![]()
SCBU7833
63
加注容量
發動機氣門間隙 - 檢查/調整
i03616459
燃燃油油噴噴油油器器-測測試試/更更換換
滲滲漏漏或或濺濺溢溢到到熱熱表表面面或或電電氣氣部部件件上上的的燃燃油油會會引引起起失失
火火。。
注意
不要讓臟物進入燃油系統。 徹底清潔將要拆開的燃油
系統部件的周圍區域。 在拆開的燃油系統部件上安放
適當的蓋。
圖46
g02173847
“L”低
“H”高
注意
5.5.一些油尺可能標識有 “H”和 “L”,請參考圖示
46。使機油油位保持在發動機機油油尺上的
“L”和 “H”標記之間。加注曲軸箱時不要高于
標記 “H”。
如果懷疑噴油器在正常技術參數外運轉,需要由具有
資質的技師將其拆下。被懷疑的噴油器應送到授權機
構進行檢查。
如圖47所示,燃油噴油器(1)沒有燃油回路。燃
油噴油器(2)有燃油回路。
i03018531
發發動動機機氣氣門門間間隙隙-檢檢查查/調調整整
作為潤滑和預防性保養計劃的一部分,本珀金斯
推薦的保養能夠幫助發動機獲得最長使用壽命。
注意
只有具有資質的維修人員才能進行該項保養工作。 對
于整個氣門間隙調整步驟,請參閱維修手冊或與授權
的珀金斯 代理商或珀金斯 分銷商聯系。
運行帶有錯誤氣門間隙的珀金斯 發動機將會降低發
動機效率,同時減少發動機部件的使用壽命。
進進行行該該項項保保養養時時,,確確保保發發動動機機不不會會被被起起動動。。不不要要使使
用用起起動動馬馬達達帶帶動動飛飛輪輪,,以以免免造造成成人人身身傷傷害害。。
熱熱的的發發動動機機零零部部件件可可能能造造成成燙燙傷傷。。在在測測量量/調調整整氣氣
門門間間隙隙前前要要等等一一定定時時間間,,讓讓發發動動機機冷冷下下來來。。
測量氣門間隙前確保發動機已停機。在發動機處
于熱態或冷態時,可對發動機氣門間隙進行檢察
和調整。
圖47
g01110422
有關更多信息,請參閱系統運作、測試和調整發
動機氣門間隙-檢查/調整。
典型噴油器
燃油噴油器(1)需要拆除,檢查噴油器性能。
This document has been printed from SPI2. NOT FOR RESALE
![]()
![]()
![]()
![]()
![]()
![]()
![]()
![]()
![]()

![]()
![]()
![]()
![]()

![]()
![]()
64
SCBU7833
加注容量
燃油系統 - 充油
不得對噴油器進行清潔,因為使用不當的工具會
損壞噴油嘴。僅在噴油器發生故障時進行更換。
以下所列的某些問題說明需要新的噴油器:
•燃油箱排空或燃油箱部分排放。
•斷開低壓燃油管。
•低壓燃油系統存在泄漏。
•更換了燃油濾清器。
•安裝新噴油泵。
•發動機將無法起動或起動困難。
•功率不足
•發動機缺火或發動機運行無規律。
•燃油消耗高
采用以下一種步驟排出燃油系統中的空氣:
•排氣冒黑煙
注意
持續盤車不要超過30秒。 再次盤車前,讓起動馬達先
冷卻2分鐘。
•發動機爆震或發動機內部振動。
•發動機溫度過高
噴油器的拆卸與安裝
帶電動充油泵的發動機
電動充油泵有多種不同類型。這些燃油泵可分為
兩類。遠程安裝式燃油充油泵和安裝在燃油細濾
器上的充油泵
在在運運轉轉的的發發動動機機周周圍圍工工作作時時要要小小心心。。熱熱的的或或移移動動的的
發發動動機機零零件件可可能能導導致致人人身身傷傷害害。。
確確保保測測試試期期間間一一直直佩佩戴戴護護目目裝裝備備。。測測試試噴噴油油嘴嘴時時,,
測測試試液液以以高高壓壓噴噴出出噴噴嘴嘴尖尖端端的的油油孔孔。。在在此此壓壓力力下下,,
測測試試液液可可能能會會穿穿透透皮皮膚膚,,對對操操作作人人員員造造成成嚴嚴重重傷傷
害害。。一一定定要要使使噴噴油油嘴嘴的的尖尖端端的的指指向向遠遠離離操操作作員員,,并并
深深入入集集油油器器和和接接長長筒筒。。
注意
如果您的皮膚接觸了高壓燃油,請立即就醫。
高怠速運轉發動機以鑒別故障噴油器。單獨松開
或緊固各噴油器高壓管的連接螺母。不得將連接
螺母松開超過半圈。當故障噴油嘴的連接螺母松
動時,將會對發動機速度有些影響。有關步驟,
請參閱解體和組裝手冊。向您的授權珀金斯代
理商或您的珀金斯分銷商尋求幫助。
i06059644
燃燃油油系系統統-充充油油
如果空氣進入燃油系統,在起動發動機前,必須
排除燃油系統的空氣。發生以下事件時,空氣可
能會進入燃油系統:
This document has been printed from SPI2. NOT FOR RESALE
![]()
![]()
![]()
![]()
![]()
![]()
![]()
![]()
![]()
SCBU7833
65
加注容量
燃油系統 - 充油
圖48
g03721131
(1)遠程安裝式充油泵的典型示例
(2)安裝在燃油細濾器上的充油泵的典型示
例
噴油泵類型
可安裝的燃油噴射泵有兩種不同類型。Bosch燃
油噴射泵和Delphi燃油噴射泵。
圖50
g03721129
Delphi燃油噴射泵的典型示例。
兩種燃油噴射泵均會自行通風。
圖49
g03721128
Bosch燃油噴射泵的典型示例。
充注 Bosch 燃油噴射泵
1.將鑰匙開關轉至接通位置,讓電動充油泵充注
系統90秒鐘。
2.將鑰匙開關轉至斷開位置,然后起動發動機。
檢查燃油系統有無滲漏。
參考本操作和維護手冊起動發動機了解更多信
息。
充注變速發動機的 Delphi 燃油噴射泵。
This document has been printed from SPI2. NOT FOR RESALE

![]()
![]()

![]()
![]()

![]()
![]()
注:燃油充油泵通過凸輪軸以機械方式操作。一些位
置中,凸輪軸凸輪可作用在燃油充油泵臂上,以減輕
66
SCBU7833
加注容量
燃油系統粗濾器(油水分離器)濾芯 - 更換
1.1.將鑰匙開關轉至接通位置,讓電動充油泵充注
系統180秒鐘。
手動充油泵充油時所需的作用力??稍诓僮鞅蹠r從較
低的阻力中體會到此狀況。旋轉曲軸將移動作用在充
油泵臂上的凸輪軸凸輪。旋轉凸輪軸將允許充油泵完
全充油。
2.2.操作充油泵上的桿 (1) 。當能看到燃油沒有空
氣時,關閉排氣螺釘。牢固擰緊排氣螺釘
2.2.將鑰匙開關轉至斷開位置,然后在油門處于閉
合位置的情況下起動發動機??蛰d怠速運轉發
動機60秒鐘,然后關閉發動機。
3.3.等待30秒鐘,然后起動發動機。此步驟將清
除可能困在燃油噴射泵內的所有空氣。檢查燃
油系統有無滲漏。
3.3.燃油噴射泵將自行通風。將鑰匙開關轉至接
通位置,然后操作充油泵上的桿。手動操作泵
2分鐘然后停止。
參考本操作和維護手冊起動發動機了解更多信
息。
4.4.將鑰匙開關轉至斷開位置,然后起動發動機。
空載運轉發動機60秒鐘,然后關閉發動機。
充注恒速發動機的 Delphi 燃油噴射泵。
5.5.等待30秒鐘,然后起動發動機。此步驟將清
除可能困在燃油噴射泵內的所有空氣。檢查燃
油系統有無滲漏。
1.1.將鑰匙開關轉至接通位置,讓電動充油泵充注
系統180秒鐘。
2.2.將鑰匙開關轉至斷開位置,然后起動發動機。
空載運轉發動機60秒鐘,然后關閉發動機。
參考本操作和維護手冊起動發動機了解更多信
息。
3.3.等待30秒鐘,然后起動發動機。此步驟將清
除可能困在燃油噴射泵內的所有空氣。檢查燃
油系統有無滲漏。
i06059633
燃燃油油系系統統粗粗濾濾器器(油油水水分分離離器器)濾濾
芯-更更換換
參考本操作和維護手冊起動發動機了解更多信
息。
帶機械充油泵的發動機
滲滲漏漏或或濺濺溢溢到到熱熱表表面面或或電電氣氣部部件件上上的的燃燃油油會會引引起起失失
火火。。為為防防止止可可能能的的傷傷害害,,當當更更換換燃燃油油濾濾清清器器或或油油水水
分分離離器器濾濾芯芯時時,,要要將將起起動動開開關關斷斷開開。。應應立立即即將將濺濺溢溢
的的燃燃油油清清除除干干凈凈。。
注意
確保在進行任何維護和修理工作之前關閉發動機。
類型 1 燃油濾清器拆卸
1.1.進行本保養之前應先將燃油供應閥(如有配
備)轉到OFF(斷開)位置。
2.2.拆卸前,清潔燃油濾清器組件的外部。在濾
清器組件下面安裝一個合適容器。排空油水分
離器。請參閱操作和保養手冊燃油系統粗濾
器/水分離器-排放中的正確程序。
圖51
g03721133
典型示例。
1.1.松開燃油細濾器上的排氣螺釘。
This document has been printed from SPI2. NOT FOR RESALE
![]()
![]()
![]()
![]()

![]()
![]()
![]()
2.將O形密封圈 (9)安裝到下部殼體中,將O形
SCBU7833
67
加注容量
燃油系統粗濾器(油水分離器)濾芯 - 更換
密封圈 (7)安裝到油杯中。
3.將下部殼體 (10)組裝到油杯 (8)上,將濾罐
(6)安裝到油杯組件上。
4.將濾清器組件 (11)安裝到濾清器底座 (3)中,
然后安裝螺釘 (1) 。將調整螺絲上緊至扭矩
5N·m(44lbin)。拆下容器并廢棄油液。
5.細濾器必須與粗濾器同時更換。請參閱操作
和保養手冊燃油系統細濾器-更換。
類型 2 燃油濾清器拆卸
1.進行本保養之前應先將燃油供應閥(如有配
備)轉到OFF(斷開)位置。
2.拆卸前,清潔燃油濾清器組件的外部。在濾
清器組件下面安裝一個合適容器。排空油水分
離器。請參閱操作和保養手冊燃油系統粗濾
器/水分離器-排放中的正確程序。
圖52
g03721547
典型示例
3.固定濾清器組件 (11)然后拆下螺釘 (1)。
4.將下部殼體 (10)和油杯 (8)從濾罐 (6)上拆
下。
5.將濾罐 (6)從燃油濾清器底座 (3)上拆下。將
下部殼體 (10)從油杯 (8)上分開。
6.將O形密封圈 (2)從螺釘 (1)上拆下。將O形
密封圈 (4)從濾清器底座 (3)上拆下,將O形
密封圈 (5)從濾清器底座上拆下。廢棄所有舊
的O形密封圈。
7.將O形密封圈 (7)從油杯 (8)上拆下,將O形
密封圈 (9)從下部殼體 (10)上拆下。廢棄所有
舊的O形密封圈。
8.確保油杯和下部殼體清潔且無灰塵。
類型 1 燃油濾清器安裝
圖53
g03721602
安裝新的O形密封圈。
3.將濾清器油杯 (4)從濾清器底座 (1)上拆下。
拆下O形密封圈 (3)和濾清器濾芯 (2) 。廢棄
O形密封圈和濾清器濾芯。
1.將O形密封圈 (2)安裝到螺釘 (1)上,將O形
密封圈 (4)安裝到濾清器底座上。另外,將O
形密封圈 (5)安裝到濾清器底座中。
4.確保濾清器油杯清潔無污垢。
This document has been printed from SPI2. NOT FOR RESALE
![]()

![]()
![]()

![]()
![]()
68
SCBU7833
加注容量
燃油系統粗濾器/油水分離器 - 放水
5.5.將O形密封圈 (3)安裝到油杯 (4)上,然后安
裝濾芯 (2)。
6.6.將油杯組件安裝到濾清器底座上。將油杯組
件擰緊至扭矩為8N·m(70lbin)。拆下容器
并廢棄油液。
7.7.細濾器必須與粗濾器同時更換。請參閱操作
和保養手冊燃油系統細濾器-更換。
i06059634
燃燃油油系系統統粗粗濾濾器器/油油水水分分離離器器-
放放水水
滲滲漏漏或或濺濺溢溢到到熱熱表表面面或或電電氣氣部部件件上上的的燃燃油油會會引引起起失失
火火。。為為防防止止可可能能的的傷傷害害,,當當更更換換燃燃油油濾濾清清器器或或油油水水
分分離離器器濾濾芯芯時時,,要要將將起起動動開開關關斷斷開開。。應應立立即即將將濺濺溢溢
的的燃燃油油清清除除干干凈凈。。
注意
油水分離器不是一個濾清器。 油水分離器將水從燃油
中分離出來。 決不允許在油水分離器中的水位過半時
運轉發動機。 可能導致發動機嚴重損壞。
注意
油水分離器在發動機正常運行時處于負壓狀態。 確保
排放口被牢固擰緊以便防止空氣進入燃油系統中。
This document has been printed from SPI2. NOT FOR RESALE
![]()
![]()
![]()
![]()
![]()
![]()
![]()
SCBU7833
69
加注容量
燃油系統細濾器/油水分離器 - 放水
圖54
g03721682
典型示例
1.1.在油水分離器下面放置一個適當的容器。
i06059635
燃燃油油系系統統細細濾濾器器/油油水水分分離離器器-
放放水水
2.2.打開排放閥 (1) 。讓液體排放到容器內。
3.3.當看見干凈燃油從油水分離器中流出時,關閉
排放閥 (1)。用手力擰緊排放閥。正確處置放
出的液體。
圖55
g03776762
典型示例
圖55中所示燃油細濾器也已被設計為油水分離
器。
1.1.在濾清器下面放一適當的容器。
This document has been printed from SPI2. NOT FOR RESALE

![]()
![]()

![]()
![]()
70
SCBU7833
加注容量
燃油系統細濾清器 - 更換
2.2.打開排放 (1)并讓油液從濾清器中排出。當可
看見清潔燃油時,關閉排放。用手力擰緊排放
閥。按照當地法規要求處置排放出的燃油。
i06059627
燃燃油油系系統統細細濾濾清清器器-更更換換
滲滲漏漏或或濺濺溢溢到到熱熱表表面面或或電電氣氣部部件件上上的的燃燃油油會會引引起起失失
火火。。為為防防止止可可能能的的傷傷害害,,當當更更換換燃燃油油濾濾清清器器或或油油水水
分分離離器器濾濾芯芯時時,,要要將將起起動動開開關關斷斷開開。。應應立立即即將將濺濺溢溢
的的燃燃油油清清除除干干凈凈。。
注意
不要讓臟物進入燃油系統。 徹底清潔將要拆開的燃油
系統部件的周圍區域。 在拆開的燃油系統部件上安放
適當的蓋。
圖56
g03088718
典型示例
1.1.在排放口 (4)上安裝合適的管道。打開排放閥
(3)。逆時針旋轉排放閥。需要轉動兩整圈。
松開通風螺釘 (1)。
可安裝的燃油細濾器有三種。執行此維護保養
前,將燃油管閥(如有配備)轉到斷開位置。在
燃油濾清器下面放置一個塔盤,以便盛接所有可
能灑出的燃油。立即清理所有濺溢的燃油。
2.2.讓燃油排入合適的容器,然后拆下管。
類型 1 燃油細濾器
3.3.牢固擰緊通風螺釘 (1)。
清潔濾清器組件的外殼體。
4.4.拆下濾清器油杯 (2) 。逆時針旋轉濾清器組件
以便拆下組件。
拆下濾芯。
圖57
g02546456
典型示例
This document has been printed from SPI2. NOT FOR RESALE
![]()
![]()
![]()
![]()
![]()

![]()
![]()

![]()
![]()
5.逆時針旋轉濾清器濾芯 (5),然后拆下濾清器
濾芯。清潔濾清器油杯。
SCBU7833
71
加注容量
燃油系統細濾清器 - 更換
安裝濾芯
圖59
g03721946
典型示例
1.清潔濾清器組件的外殼體。在排放口 (2)上安
裝合適的管道。逆時針旋轉排放閥 (1) 。讓燃
油排入合適的容器,然后拆下管。
圖58
g03088837
典型示例
2.從濾清器底座 (3)拆卸濾清器油杯 (6) 。按壓
濾芯 (4) 。逆時針旋轉濾芯,將其從濾清器油
杯上松開,將濾芯從油杯上拆下。廢置用過的
濾芯。
1.將濾清器濾芯中的螺紋 (7)定位到螺紋 (8)
上。旋轉濾芯并手動擰緊排放閥 (3)。
2.用清潔的發動機機油潤滑O型密封圈 (6) 。安
裝濾清器組件前,不要向濾清器油杯 (2)中加
注燃油。
3.不要使用工具來安裝濾清器組件。手動擰緊
組件。安裝濾清器油杯 (2) 。順時針旋轉濾清
器油杯,直到油杯抵住限位塊鎖定到位。
4.如有配備,將燃油供油閥轉至接通位置,然后
拆下容器。
5.燃油粗濾器和燃油細濾器必須同時更換。請
參閱操作和保養手冊讓燃油系統粗濾器(水分
離器)芯-更換。
6.充注燃油系統。有關更多信息,參考操作和
保養手冊燃油系統-充注。
類型 2 燃油細濾器
圖60
g03721948
典型示例
This document has been printed from SPI2. NOT FOR RESALE
![]()

![]()
![]()

![]()
![]()

![]()
![]()
3.從濾清器油杯上拆下O形密封圈 (5),清潔濾
清器油杯。
72
SCBU7833
加注容量
燃油系統細濾清器 - 更換
4.將新O形密封圈 (5)安裝到濾清器油杯 (6)
上。
5.將新濾清器濾芯 (4)定位在濾清器油杯中。按
壓濾芯,順時針旋轉濾芯,以便將濾芯鎖定在
濾清器油杯中。
6.將濾清器油杯 (6)安裝到濾清器底座 (3)中。
7.用手緊固濾清器油杯直至濾清器油杯與濾清器
座相接觸。將濾清器油杯旋轉90度。
注:不要使用工具擰緊濾清器油杯。
8.如有配備,將燃油供油閥轉至接通位置,然后
拆下容器。
9.燃油粗濾器和燃油細濾器必須同時更換。請
參閱操作和保養手冊讓燃油系統粗濾器(水分
離器)芯-更換。
圖62
g03721952
典型示例
10.充注燃油系統。有關更多信息,參考操作和
保養手冊燃油系統-充注。
2.使用適當的工具將旋壓式濾清器 (5)從濾清器
底座 (3)上拆下。
類型 3 旋壓式燃油濾清器
3.用清潔的發動機機油潤滑密封圈 (4)。
4.將旋壓式濾清器 (5)安裝到濾清器底座 (1)
中。
5.用手緊固旋壓式濾清器直至密封圈與濾清器座
相接觸。將旋壓式濾清器旋轉90度。
6.如有配備,將燃油供油閥轉至接通位置,然后
拆下容器。
7.燃油粗濾器和燃油細濾器必須同時更換。請
參閱操作和保養手冊讓燃油系統粗濾器(水分
離器)芯-更換。
8.充注燃油系統。有關更多信息,參考操作和
保養手冊燃油系統-充注。
圖61
g03721949
典型示例
1.清潔濾清器組件的外殼體。在排放口 (2)上安
裝合適的管道。逆時針旋轉排放閥 (1) 。讓燃
油排入合適的容器,然后拆下管。確保新的旋
壓式濾清器上的排油口 (2)關閉。
This document has been printed from SPI2. NOT FOR RESALE
![]()

![]()
![]()

![]()
![]()
SCBU7833
73
加注容量
燃油箱中的水和沉渣 - 排放
i03018710
如果大型儲油箱剛被加過油或移動過,在向發動
機加油之前,留出足夠時間使儲油箱中的沉淀物
沉積下來。大儲油箱的內部隔板也將有助于截留
沉淀物。對從儲油箱中泵出的燃油進行過濾有助
于保證燃油質量。如有可能應使用油水分離器。
燃燃油油箱箱中中的的水水和和沉沉渣渣-排排放放
注意
i03018736
在檢查, 、保養, 、測試, 、調整 和 及維修發動機時,
務必留心,確保將溢出的液體盛裝在容器中。在打開
任何腔室或拆解任何儲有液體的部件之前,要準備好
用合適的容器收集液體。
軟軟管管和和卡卡箍箍-檢檢查查/更更換換
檢查所有軟管是否有由以下情況引起的滲漏:
按照本地法規和指令處置所有液體。
•破裂
燃油箱
•軟化
燃油質量對發動機的性能和使用壽命至關重要。
燃油中的水分可能導致燃油系統的過度磨損。
•夾箍松脫
更換破裂或軟化的軟管。擰緊任何松動的夾箍。
燃油箱加注燃油時會帶入水分。
注意
燃油經加熱和冷卻后會發生水汽凝結。燃油流過
燃油系統后回到燃油箱的過程中會發生水汽凝
結。這會導致水在燃油箱中積聚。定期排放燃
油箱和從可靠來源取得燃油有助于消除燃油中的
水分。
不要彎曲或敲擊高壓管路。 不要安裝被彎曲或損壞的
管路、管道和軟管。 修理所有松動或損壞的燃油和機
油管路、管道和軟管。 泄漏會造成火災。 仔細檢查
所有管路、管道和軟管。 按照推薦扭矩擰緊所有接
頭。 不要在高壓管上夾上任何其它的東西。
排放水和沉渣
燃油箱應該具備從燃油箱底部放掉水和沉渣的裝
置。
檢查下列情況:
•管端接頭有損壞或滲漏
•外覆層有磨損或割傷
•金屬絲加強筋暴露在外
•外覆層隆起鼓包
打開燃油箱底部的排放閥以便放掉水和沉渣。關
閉放油閥。
每天檢查燃油。向燃油箱加油后等待五分鐘,然
后再放掉燃油箱中的水和沉淀物。
等發動機運行后再向燃油箱加油,以便驅除油箱
中的潮濕空氣。這樣有助于防止凝結。向燃油
箱加油時,不要加到頂。燃油變熱后膨脹。油
箱可能滿溢。
•軟管的柔性部分扭結或擠壓
•鎧裝護套嵌入外覆層
在所有使用標準軟管夾的地方,都可以使用恒定
扭矩軟管夾。確保恒定扭矩軟管夾箍與標準夾箍
尺寸相同。
有些油箱使用的供油管其管端在燃油箱中的位置
高于水和沉渣的沉積層。有些燃油箱使用的供油
管直接從燃油箱底部取油。如果發動機配備了這
種系統,定期保養燃油系統濾清器相當重要。
軟管由于溫度劇烈變化將會硬化。軟管硬化將會
引起軟管卡箍變松??赡芤虼硕鴮е滦孤?。恒
定扭矩軟管夾箍將有助于防止軟管夾箍松動。
燃油儲油箱
按照以下周期放掉燃油儲油箱中的水和沉渣。
每次安裝使用可能有區別。不同之處取決于下面
因素:
•每周
•軟管類型
•維修周期
•加注燃油箱時
•接頭材料的類型
•軟管的預期膨脹和收縮
•接頭的預期膨脹和收縮
這樣將有助于防止水和沉渣被從儲油箱中泵吸進
發動機燃油箱中。
This document has been printed from SPI2. NOT FOR RESALE
![]()
![]()
![]()
![]()
![]()
74
SCBU7833
加注容量
散熱器 - 清潔
更換軟管和夾箍
檢查散熱器的這些項目:損壞的散熱片,腐蝕,
污垢,油脂,昆蟲,樹葉,機油和其它碎屑.必要
時清潔散熱器。
更多有關拆卸和更換燃油軟管(如果裝備)的信
息請參閱OEM資料。
冷卻系統和冷卻系統軟管通常不由珀金斯提供。
下文描述了一種更換冷卻液軟管的典型方法。更
多有關冷卻系統和冷卻系統軟管的信息請參閱
OEM資料。
高高壓壓空空氣氣會會造造成成人人身身傷傷害害。。
不不按按下下面面的的適適當當步步驟驟進進行行操操作作會會造造成成人人身身傷傷害害。。使
用用壓壓縮縮空空氣氣時時,,戴戴防防護護面面罩罩及及穿穿防防護護服服。。
用用做做清清洗洗用用途途時時,,噴噴嘴嘴處處最最大大空空氣氣壓壓力力必必須須低低于于
202055kPkPaa(3030pspsii)。
加加壓壓的的系系統統::熱熱的的冷冷卻卻液液能能造造成成嚴嚴重重的的燙燙傷傷。。在在發發
動動機機停停機機,,等等待待冷冷卻卻系系統統部部件件冷冷卻卻下下來來后后再再打打開開冷冷
卻卻系系統統加加注注口口蓋蓋。。緩緩慢慢松松開開冷冷卻卻系系統統加加注注口口蓋蓋,,以以
釋釋放放掉掉所所有有壓壓力力。。
壓縮空氣是清除松動碎屑的首選方法。將壓縮空
氣對著與風扇氣流相反的方向吹。將噴嘴保持在
距散熱片大約6mm(0.25in)遠的地方。在與散
熱器管組件平行的方向緩慢移動空氣噴嘴。這將
清除在管道之間的碎屑。
1.1.使發動機停機。讓發動機冷卻下來。
2.2.緩慢地松開冷卻系統加注口蓋,以釋放掉所有
壓力。拆下冷卻系統加注口蓋。
加壓水也可用于清洗。清洗用的最大水壓必須低
于275kPa(40psi)。用高壓水來使污泥軟化。
從兩側清潔芯。
注:把冷卻液排放到適當、清潔的容器中。此冷卻液
可以被再利用。
3.3.從冷卻系統中排放部分冷卻液,使冷卻液液位
低于要更換的軟管。
用去油劑和蒸汽來清除機油和潤滑脂。清潔芯的
兩端。用去污劑和熱水沖洗芯。用干清水徹底
漂洗芯。
如果散熱器內部被堵塞,請參閱OEM手冊中關于
沖洗冷卻系統的信息。
4.4.拆去軟管的卡箍。
5.5.拆開舊軟管。
散熱器清潔完畢后,起動發動機。讓發動機低怠
速運行三至五分鐘。提高發動機轉速至高怠速。
這有助于清除碎屑和干燥芯。緩慢降低發動機速
度至低怠速,然后停止發動機。在散熱器芯后面
放一個燈泡來檢查芯是否清潔。必要時再次清
潔。
6.6.用新軟管更換損壞的軟管。
7.7.用一把扭力扳手安裝軟管卡箍。
注:有關正確的冷卻液,請參閱操作與保養手冊油液
建議。
8.8.重新加注冷卻系統。有關重新加注冷卻系統
的更多信息請參閱OEM資料。
檢查散熱片有無損壞。彎曲了的散熱片可用一把
“梳刀”梳開。檢查這些項目是否處于良好狀
態:焊接處,安裝支架,空氣管路,連接處,卡箍
和密封件.必要時進行修理。
9.9.清潔冷卻系統加注口蓋。檢查冷卻系統加注
口蓋密封墊圈。如果密封圈損壞,更換冷卻系
統加注口蓋。安裝冷卻系統加注口蓋。
i03018732
惡惡劣劣條條件件作作業業-檢檢查查
1010..起動發動機。檢查冷卻系統是否滲漏。
繁重作業是指發動機的應用超出這臺發動機發布
的現行標準。珀金斯維護以下發動機參數的標
準:
i03018579
散散熱熱器器-清清潔潔
珀金斯通常不提供散熱器。下文記述了一個典型
的散熱器清潔步驟。更多有關清潔散熱器的信
息,請參閱OEM資料。
注:根據作業環境影響的情況調整清潔工作的頻率。
This document has been printed from SPI2. NOT FOR RESALE
![]()
![]()
![]()
![]()
![]()
SCBU7833
75
加注容量
起動馬達 - 檢查
•功率范圍、轉速范圍和油耗等性能指標
•燃油質量
不正確的操作步驟
•低怠速下長期運行
•頻繁(未經冷卻)熱機停機
•過負荷運行
•工作海拔高度
•保養周期
•機油選擇和保養
•冷卻液類型和保養
•環境質量
•過速運行
•在預定應用范圍之外運行
不正確的保養步驟
•安裝
•延長保養周期
•發動機內的油液溫度
•不使用推薦的燃油、潤滑劑和冷卻液/防凍液
請參閱發動機的標準或咨詢您的珀金斯代理商
或您的珀金斯分銷商,以便確定發動機是否在
規定參數范圍內運轉。
i03018695
起起動動馬馬達達-檢檢查查
繁重作業運行可能加速部件磨損。在繁重工作條
件下運行的發動機可能需要更為頻繁的保養周
期,以便確保最大限度的可靠性和保持發動機的
全額使用壽命。
珀金斯建議定期檢查起動馬達。如果起動馬達
發生故障,發動機在緊急情況下就無法起動。
由于單個發動機的應用不同,不可能把所有可能
導致繁重作業運行的促成因數確定下來。請咨詢
您的珀金斯代理商或您的珀金斯分銷商以獲得
有關發動機必要的專用保養。
檢查起動馬達是否正常工作。檢查和清潔電氣連
接。請參閱系統運作、測試和調整手冊電起動系
統-測試以獲得更多有關檢查步驟和技術參數的
信息,也可向您的珀金斯代理商或珀金斯分銷
商尋求幫助。
工作環境、不適當的操作步驟和不正確的保養步
驟可能都是導致繁重作業運行的促成因數。
i03018733
環境因素
渦渦輪輪增增壓壓器器-檢檢查查
(如有配備)
環環境境溫溫度度–發動機可能在極冷或極熱環境下長
時間運行。如果發動機在非常寒冷的溫度下頻繁
起動和停機,氣門部件可能因積碳而損壞。極熱
的進氣會降低發動機性能。
推薦對渦輪增壓器進行定期目視檢查。任何來自
曲軸箱的煙霧都通過進氣系統過濾。因此,從機
油中來的和燃燒后產生的副產品可能聚集在渦輪
增壓器壓氣機殼體。時間一長,這些積聚物可能
促使發動機功率損失,黑煙增多和發動機的整體
效率的降低。
空空氣氣質質量量–發動機可能在骯臟或多塵的環境下
長時間運行,除非設備得到定期清潔。泥漿,臟
物和灰塵可能封埋部件。保養可能非常困難。
堆積物可能含有腐蝕性化學制品。
堆堆積積物物–復合物、元素、腐蝕性化學制品和鹽
可能對某些部件有損害。
如果發動機運轉時渦輪增壓器出故障,則可能會
損壞渦輪增壓器壓氣葉輪和/或發動機。渦輪增
壓器壓氣葉輪的損壞可能進一步導致活塞,氣門
和缸蓋的損壞。
海海拔拔高高度度–發動機在超過為其應用而預先設定
的海拔高度運行時可能會出現問題。應該進行必
要的調整。
This document has been printed from SPI2. NOT FOR RESALE
![]()
76
SCBU7833
加注容量
圍繞檢查, P>
i03018681
注意
注意:渦輪增壓器軸承損壞會造成大量機油進入進氣
及排氣系統。發動機潤滑劑缺失會造成發動機的嚴重
損壞。
圍圍繞繞檢檢查查
渦輪增壓器在低怠速下運轉時間過長時會出現微小滲
漏,只要渦輪增壓器軸承不出現損壞,這種微小滲漏
應不會成為問題。
檢查發動機是否滲漏,連接處是否松
動
當渦輪增壓器軸承損壞,并伴有發動機明顯的性能下
降(排氣冒煙或發動機無負載時轉速升高)時,在修
好或更換渦輪增壓器之前,請不要繼續運轉發動機。
圍繞發動機檢查只花費幾分鐘?;ㄙM一點時間進
行這些檢查,可以避免昂貴的修理和事故。
為了使發動機獲得最長的使用壽命,在起動發動
機之前要對發動機室進行一次徹底檢查。查看如
機油滲漏或冷卻液滲漏、螺栓松動、皮帶磨損、
連接處松動和垃圾堆積等項目。根據需要進行修
理:
目視檢查渦輪增壓器能最大程度減少非計劃的停
機時間。目視檢查增壓器還可以降低對發動機的
其它零件造成潛在損害的可能性。
拆卸和安裝
•護罩必須安裝到位。修理損壞的護罩或更換缺失的
護罩。
注:所提供的渦輪增壓器不可維修。
•維修發動機前先擦拭所有的罩蓋和塞堵,以減少系
統污染的機會。
關于拆卸、安裝和更換的選擇,請向您的珀金斯
代理商或您的珀金斯分銷商咨詢。有關更多信
息,請參閱解體和組裝手冊渦輪增壓器-拆卸和
安裝。
注意
擦拭掉任何種類的滲漏液體(冷卻液、潤滑油或燃
油)。 如果觀察到滲漏情況,要找出泄漏的原因并解
決。 如果懷疑有滲漏,應比推薦次數更為頻繁地檢查
液位,直到找到或修好滲漏,或直到不再懷疑有滲
漏。
檢查
注意
渦輪增壓器的壓縮機殼體不得從渦輪增壓器上拆下進
行清潔。
將執行器連桿連接到壓縮機殼體。如果執行器連桿被
移動或破壞,發動機可能無法滿足排放標準。
注意
積聚在發動機上的潤滑脂和 /或機油有失火危險。 清
除積聚的潤滑脂和機油。 有關更多的資料,請參閱操
作和保養手冊發動機-清潔。
1.1.拆下渦輪增壓器的進氣管和排氣管。直觀檢
查管道內是否有機油。清潔管道內部以便防止
重新裝配時污物進入進氣系統。
•確保冷卻系統軟管夾緊正確,連接緊密。檢查是
否泄漏。檢查所有管道的狀況。
2.2.檢查是否存在機油。如果壓縮機葉輪的背面
漏油,有可能是渦輪增壓器油封失效。
•檢查水泵是否有冷卻液泄漏。
機油的出現可能是發動機長期低怠速運行的結
果。機油的出現還可能是進氣管道的阻力(空
氣濾清器堵塞),從而導致渦輪增壓器滲油引
起的。
注:水泵密封由冷卻系統的冷卻液進行潤滑。當發動
機降溫而零件收縮時,有少量滲漏發生是正常的。
冷卻液過量滲漏說明需要更換水泵密封。關于水
泵和/或密封的拆卸和安裝的更多信息,請參閱
解體和組裝手冊水泵-拆卸和安裝,或向您的珀
金斯代理商或您的珀金斯分銷商咨詢。
3.3.檢查渦輪機出口殼體的孔徑有無腐蝕。
4.4.將進氣管和排氣出口管緊固在渦輪增壓器殼體
上。
This document has been printed from SPI2. NOT FOR RESALE
![]()
![]()
![]()
![]()
![]()
![]()
![]()
![]()
![]()
SCBU7833
77
加注容量
水泵 - 檢查
•檢查潤滑系統中是否在曲軸前油封、曲軸后油封、
油底殼、機油濾清器和搖臂室蓋處有滲漏。
•檢查燃油系統中是否有泄漏。查找松動的燃油管
卡箍和/或束帶。
•檢查進氣系統的管道和彎頭有無裂紋,卡箍是否松
動。確保軟管和管道不與其它軟管、管道和線束
等接觸。
•檢查交流發電機皮帶和所有附件驅動皮帶有無裂
紋、斷裂或其它損壞。
多槽皮帶輪的皮帶必須成套更換。如果只更換一
根皮帶,則這根皮帶就會比其它沒更換的皮帶承
受更大的負荷。因為原來的皮帶已被拉長。額
外負荷就會加到新皮帶上,從而造成皮帶斷裂。
•每天都要放掉燃油箱中的水和沉渣,以確保只有清
潔的燃油才能進入燃油系統。
•檢查線路和導線束是否有連接處松動,導線是否磨
損或擦傷。
•檢查接地導線接線和狀況是否良好。
•斷開所有無法防護起動馬達的吸耗電流的蓄電池充
電裝置。除非發動機裝的是免維護蓄電池,否則
要檢查蓄電池的狀況和電解液液位。
•檢查儀表的狀況。更換破裂的儀表。更換所有不
能被校準的儀表。
i03018580
水水泵泵-檢檢查查
失效的水泵可能引起嚴重的發動機過熱問題,進
而導致以下情況:
•缸蓋裂紋
•活塞咬缸
•其它對發動機的潛在損害
注:水泵密封由冷卻系統的冷卻液來潤滑。當發動機
降溫而零件收縮時,有少量滲漏發生是正常的。
目視檢查水泵是否滲漏。如果有過多的冷卻液滲
漏,更換水泵密封或水泵。有關拆解和組裝步
驟,請參閱拆解和組裝手冊水泵-拆卸和安裝。
This document has been printed from SPI2. NOT FOR RESALE
![]()
78
SCBU7833
保修部分
排放保修信息
保修部分
保修信息資料
i03018731
排排放放保保修修信信息息
本發動機在制造時可能已經過認證符合法律規定
的廢氣排放標準和氣體排放標準,同時本發動機
可能在排放保證的范圍以內。請咨詢您的授權珀
金斯代理商或珀金斯分銷商,確定您的發動機
是否經過排放認證并且該發動機是否擁有排放保
證。
This document has been printed from SPI2. NOT FOR RESALE
![]()
索引
SCBU7833
79
索引部分
一
沖刷..............................................................54
加注..............................................................54
排放..............................................................53
冷卻系統冷卻液液位-檢查.............................55
配備冷卻液回收箱的發動機.........................55
未配備冷卻液回收箱的發動機......................56
上、下設備.......................................................10
一般危險信息.....................................................6
盛裝泄漏的液體..............................................7
壓縮空氣和水.................................................7
液體穿透.........................................................7
刀
亠
前言....................................................................4
安全................................................................4
保養................................................................4
保養周期.........................................................4
操作................................................................4
大修................................................................4
加利福尼亞州65號提案中的警告....................4
文獻資料.........................................................4
產品識別信息資料............................................18
產品信息資料部分............................................12
交流發電機-檢查............................................49
交流發電機和風扇皮帶-檢查/調整/更換.......50
調整..............................................................50
更換..............................................................50
檢查..............................................................50
人
力
保修部分..........................................................78
保修信息資料...................................................78
保養部分..........................................................33
保養周期表.......................................................48
每2年..........................................................48
每1000工作小時............................................48
每12000個工作小時數或每6年的保養...........48
每2000工作小時............................................48
每3000個工作小時........................................48
每3000個工作小時或每2年...........................48
每4000工作小時............................................48
每500個工作小時的保養...............................48
每500個工作小時或1年.................................48
每50個工作小時或每周一次的保養.............48
每6000個工作小時或3年...............................48
每天的保養...................................................48
需要時即進行的保養....................................48
儀表和指示燈...................................................24
加注容量..........................................................33
冷卻系統.......................................................33
潤滑系統.......................................................33
厶
參考號..............................................................18
供參考用的檔案記錄....................................18
又
發動機-清潔...................................................57
發動機安裝支座-檢查....................................60
發動機機油和濾清器-更換.............................61
更換旋壓式機油濾清器.................................62
加注發動機曲軸箱........................................62
排放發動機機油............................................61
發動機機油油位-檢查....................................60
發動機機油油樣-采樣....................................61
采樣與分析...................................................61
發動機接地-檢查/清潔...................................60
發動機空氣濾清器保養指示器-檢查..............59
測試保養指示器............................................59
發動機空氣濾清器濾芯(雙濾芯)-清潔/更
冫
冷卻系統長效冷卻液(ELC)延長劑-添加.........55
冷卻系統冷卻液-更換....................................55
冷卻系統冷卻液(市售重載)-更換..............52
沖刷..............................................................52
加注..............................................................53
排放..............................................................52
冷卻系統冷卻液[長效冷卻液(ELC)]-更換.....53
換............................................................57,59
保養空氣濾清器濾芯....................................57
檢查空氣粗濾器濾芯....................................58
This document has been printed from SPI2. NOT FOR RESALE
![]()
80
SCBU7833
索引部分
發動機描述.......................................................15
發動機技術規格............................................15
發動機冷卻與潤滑........................................16
發動機使用壽命............................................16
發動機暖機.......................................................28
變速發動機...................................................28
發動機起吊.......................................................22
發動機起動................................................10,25
發動機起動后...................................................27
發動機起動前...................................................25
發動機氣門間隙-檢查/調整...........................63
發動機識別.......................................................18
發動機停機................................................11,29
發動機停機后...................................................29
發動機運行.......................................................28
發動機貯存.......................................................22
存放條件.......................................................23
心
惡劣條件作業-檢查........................................74
不正確的保養步驟........................................75
不正確的操作步驟........................................75
環境因素.......................................................75
手
操作部分..........................................................22
排放保修信息...................................................78
排放認證貼膜...................................................18
不符合排放要求的發動機標牌......................21
符合排放要求的發動機標牌.........................18
遵守MSHA排放的發動機標簽。....................20
攴
散熱器-清潔...................................................74
口
后冷器芯-檢查...............................................49
后冷器芯-清潔/測試......................................48
木
機型視圖..........................................................12
1103發動機型號視圖...................................14
1104發動機型號視圖...................................12
機型視圖說明...................................................12
囗
圍繞檢查..........................................................76
檢查發動機是否滲漏,連接處是否松動.......76
水
宀
水泵-檢查.......................................................77
渦輪增壓器-檢查(如有配備)........................75
拆卸和安裝...................................................76
檢查..............................................................76
油液建議...................................................34,37
ELC冷卻系統保養.........................................36
發動機機油...................................................38
通用潤滑劑信息............................................37
一般冷卻液信息............................................34
油液建議(燃油建議).......................................40
柴油特性.......................................................43
柴油要求.......................................................41
一般信息.......................................................41
有關燃油的污染控制建議.............................46
安全標志............................................................5
(1)通用警告...............................................5
(2)乙醚..........................................................5
安全部分............................................................5
寒冷天氣操作...................................................30
發動機怠速運轉............................................31
發動機潤滑油粘度........................................30
寒冷天氣操作建議........................................30
冷卻液升溫建議............................................31
推薦使用的冷卻液........................................30
寒冷天氣起動...................................................26
寒冷天氣下與燃油有關的部件.........................32
燃油加熱器...................................................32
燃油濾清器...................................................32
燃油箱..........................................................32
火
燃油和寒冷天氣的影響....................................31
燃油噴油器-測試/更換...................................63
噴油器的拆卸與安裝....................................64
燃油省油準則...................................................28
燃油系統-充油...............................................64
廣
序列號標牌.......................................................18
This document has been printed from SPI2. NOT FOR RESALE
![]()
SCBU7833
81
索引部分
帶電動充油泵的發動機.................................64
帶機械充油泵的發動機.................................66
燃油系統粗濾器(油水分離器)濾芯-更換.......66
類型1燃油濾清器拆卸.................................66
類型2燃油濾清器拆卸.................................67
燃油系統粗濾器/油水分離器-放水................68
燃油系統細濾器/油水分離器-放水................69
燃油系統細濾清器-更換.................................70
安裝濾芯.......................................................71
類型1燃油細濾器........................................70
類型2燃油細濾器........................................71
類型3旋壓式燃油濾清器.............................72
燃油箱中的水和沉渣-排放.............................73
排放水和沉渣...............................................73
燃油儲油箱...................................................73
燃油箱..........................................................73
車
軟管和卡箍-檢查/更換...................................73
更換軟管和夾箍............................................74
里
重要安全信息.....................................................2
阝
防火與防爆.........................................................8
管路、管道和軟管..........................................9
滅火器............................................................9
乙醚................................................................9
防止燙傷............................................................7
柴油................................................................8
機油................................................................8
冷卻液............................................................7
蓄電池............................................................8
防止壓傷和割傷...............................................10
用
用跨接起動電纜起動........................................26
田
電氣系統..........................................................11
接地方法.......................................................11
目
目錄....................................................................3
糸
緊急停機..........................................................29
艸
蓄電池-更換...................................................51
蓄電池電解液液位-檢查.................................51
蓄電池或蓄電池電纜-斷開.............................51
衣
被驅動設備-檢查............................................56
走
起吊和貯存.......................................................22
起動發動機前...................................................10
起動馬達-檢查...............................................75
This document has been printed from SPI2. NOT FOR RESALE
![]()
82
SCBU7833
索引部分
This document has been printed from SPI2. NOT FOR RESALE
![]()
產品和代理商資料
注:關于產品識別標牌位置,請參閱《操作與保養手冊》的“產品識別信息資料”
部分。
交貨日期:
產品資料
型號:
產品識別號:
發動機序列號:
變速箱序列號:
發電機序列號:
附件序列號:
附件資料:
用戶設備編號:
代理商設備編號:
代理商資料
名稱:
分公司:
地址:
代理商聯系人
電話號碼
辦公時間
銷售:
零件:
服務:
This document has been printed from SPI2. NOT FOR RESALE
![]()
![]()
![]()
![]()
![]()
![]()
![]()
![]()
![]()
![]()
![]()
![]()
![]()
![]()
![]()
![]()
![]()
![]()
![]()
![]()
![]()
![]()
![]()
![]()
![]()
©2015 Perkins Engines Company Limited
所有
This document has been printed from SPI2. NOT FOR RESALE