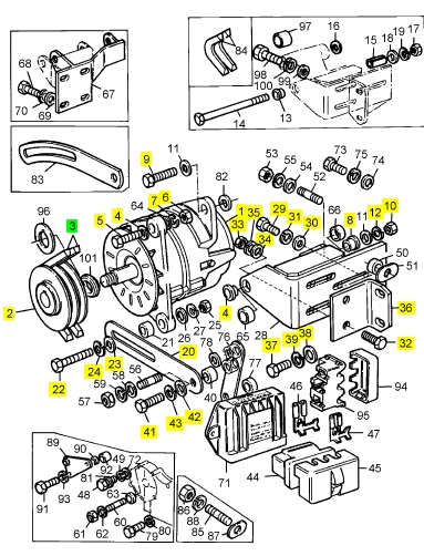
珀金斯Perkins2871 A141充電發電機
項目 零配件號碼 最近的部分號碼
1 2871 A141 1 2871 A141 交流發電機
(1) 2871 A141R 1 2871 A141R 交流發電機
10 28710213 1 28710213 托架

項目 零配件號碼 最近的部分號碼
2 1 蓋
3 28710252 1 28710252 調整器
4 28710355 1 28710355 整流器
5 28710254 1 28710254 托架
7 28710255 1 28710255 轉子 - 電的修補
8 1 零配件包裹
11 28710258 1 28710258 固定子
14 3 螺拴
15 1 帽
17 28710364 1 28710364 風扇

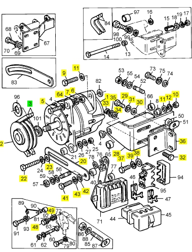
項目 零配件號碼 最近的部分號碼
1 1 交流發電機
2 31151582 1 31151582 交流發電機皮帶輪
2 31151585 1 31151585 交流發電機皮帶輪
2 31151586 1 31151586 交流發電機皮帶輪
3 2614 B656 1 2614 B656 帶
4 33421127 1 33421127 套筒
5 0746258 1 0746258 螺旋
6 0576002 1 0576002 螺帽
7 0920053 1 0920053 墊圈
8 33421127 1 33421127 套筒
9 0746261 1 0746261 固定螺釘
10 0576002 1 0576002 螺帽
12 0920053 1 0920053 墊圈
20 36155405 1 36155405 桿
22 2314 C045 1 2314 C045 固定螺釘
23 0920497 1 0920497 墊圈
24 2131 A008 1 2131 A008 墊圈
29 0746255 1 0746255 螺旋
30 0920003 1 0920003 墊圈
31 0920053 1 0920053 墊圈
32 0746211 2 0746211 螺拴
33 0576002 2 0576002 螺帽
34 0920003 2 0920003 墊圈
35 0920053 2 0920053 墊圈
36 3642 E002 1 3642 E002 托架
37 0746255 2 0746255 螺旋
38 0920003 2 0920003 墊圈
39 0920053 2 0920053 墊圈
41 0746258 1 0746258 螺旋
42 0920003 1 0920003 墊圈
43 0920053 1 0920053 墊圈

項目 零配件號碼 最近的部分號碼
1 1 交流發電機
2 31151582 1 31151582 交流發電機皮帶輪
2 31151585 1 31151585 交流發電機皮帶輪
2 31151586 1 31151586 交流發電機皮帶輪
3 2614 B656 1 2614 B656 帶
5 0746258 1 0746258 螺旋
6 0576002 1 0576002 螺帽
7 0920053 1 0920053 墊圈
9 0096234 1 0096234 螺拴
10 0576002 1 0576002 螺帽
11 0920003 2 0920003 墊圈
12 0920053 1 0920053 墊圈
20 3623 K008 1 3623 K008 桿
22 2314 C045 1 2314 C045 固定螺釘
23 33114412 1 33114412 墊圈
28 3827 H002 1 3827 H002 托架
29 0746255 1 0746255 螺旋
30 0920003 1 0920003 墊圈
31 0920053 1 0920053 墊圈
32 0746211 2 0746211 螺拴
33 0576002 2 0576002 螺帽
34 0920003 2 0920003 墊圈
35 0920053 2 0920053 墊圈
36 3642 E002 1 3642 E002 托架
37 0746255 2 0746255 螺旋
38 0920003 2 0920003 墊圈
39 0920053 2 0920053 墊圈
41 0746211 1 0746211 螺拴
42 0920003 1 0920003 墊圈
43 0920053 1 0920053 墊圈
48 0746353 1 0746353 固定螺釘
49 0920053 1 0920053 墊圈
64 33114411 1 33114411 間隔器

項目 零配件號碼 最近的部分號碼
21 0650710 1 0650710 栓塞
22 32418117 1 32418117 栓塞
24 0650594 1 0650594 栓塞
26 2431 A054 1 0650586 栓塞
28 32813108 1 32813108 蓋
