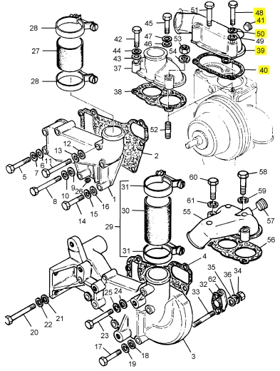
珀金斯U5MW0129水泵
項(xiàng)目 零配件號碼 最近的部分號碼
1 41313049 1 U5MW0129 水泵
7 33814115 1 33814115 密封 - 水泵
11 2415216 1 2415216 密封 - 水泵
12 2417208 1 2417208 密封 - 水泵
17 36867165 1 3687 Y006 密合墊 - 水的泵
19 2431154 1 2431154 栓塞
20 0500006 1 0500006 半圓鍵
21 31153632 1 31153632 水泵皮帶輪
22 0920009 1 0920009 墊圈
23 0920058 1 0920058 墊圈
24 0576007 1 0576007 螺帽
25 0096234 2 0096234 螺拴
26 0096238 2 0096238 螺拴
27 0746259 3 0746259 螺旋
28 0920053 7 0920053 墊圈
36 U5MH0032 1 U5MH0032 水管裝備
38 0826209 1 0826209 圖釘
39 0576002 1 0576002 螺帽
40 0920053 1 0920053 墊圈

項(xiàng)目 零配件號碼 最近的部分號碼
2 1 體
3 2721 A530 1 2721 A530 CIRCLIP
4 2 橋承
5 1 間隔器
9 1 投
10 1 橋
11 1 密封
13 1 動葉輪
14 U7LW0060 1 U7LW0097 修理裝備 - 水的泵

項(xiàng)目 零配件號碼 最近的部分號碼
39 37737903 1 37737903 連接
40 36861745 1 36861757 密合墊 - 水的連接
41 0650593 1 0650593 栓塞
48 0096237 3 0096237 螺拴
50 0920053 3 0920053 墊圈
