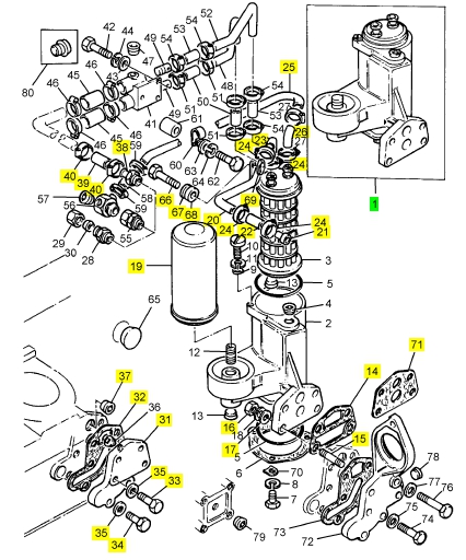
珀金斯Perkins配件4134 A013 冷油器
項目 零配件號碼 最近的部分號碼
1 4134 A013 1 4134 A013 冷油器
14 3686 T004 1 3686 T006 密合墊 - 濾油器的冒口
15 0826602 4 0826602 圖釘
16 0576054 4 0576054 螺帽
17 33115118 4 33115118 墊圈
19 2654407 1 2654407 濾油器
20 35732615 1 35732615 水管
21 33451529 1 33451529 承接器
22 0202058 1 3383 A001 水管
23 34821121 1 34821121 水管
24 21825195 4 21825195 夾
25 34277109 1 34277109 水管
26 34821121 1 34821121 水管
31 37586991 1 檢查歷史 承接器
32 36866745 1 3687 W011 密合墊
33 0096632 1 0096632 螺拴
34 2184457 5 2184457 螺拴
35 33115118 6 33115118 墊圈
37 2431 A054 1 0650586 栓塞
38 33552414 1 T420958 承接器
39 0202058 1 3383 A001 水管
40 21825195 2 21825195 夾
66 0746424 1 0746424 螺旋
67 0920004 1 0920004 墊圈
68 0920465 1 0920465 間隔器
69 0920469 1 0920469 間隔器
71 3687 W007 1 檢查歷史 密合墊 - 濾油器的冒口

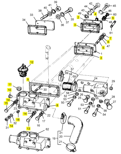
項目 零配件號碼 最近的部分號碼
2 3771 X021 1 3771 X021 殼
2 3771 X022 1 3771 X022 殼
2 3771 X081 1 3771 X081 殼
3 2486 A951 1 2486 A951 管
3 2486 A954 1 2486 A951 管
4 0650593 1 0650593 栓塞
4 2431131 1 2431131 栓塞
5 2413685 2 2413685 密封 - O 的圈
6 3623 E001 1 3623 E001 板
7 2314 C028 3 2314 C028 螺旋
7 2314 C035 3 2314 C035 螺旋
8 2134 A005 3 2134 A005 墊圈
8 2134 A006 3 2134 A006 墊圈
9 3615 A001 1 3615 A001 板
10 2312 A044 1 2312 A044 螺旋
10 2314 C028 1 2314 C028 螺旋
11 2134 A005 1 2134 A005 墊圈
12 33286133 1 33286133 承接器
13 0650593 2 0650593 栓塞
13 2431131 2 2431131 栓塞
70 3615 A001 3 3615 A001 板

項目 零配件號碼 最近的部分號碼
1 0746251 1 0746251 固定螺釘
2 2411152 1 2411152 墊圈
3 0500005 1 0500005 半圓鍵
4 2635697 1 2635697 擋板
7 33125412 1 33125412 間隔器
8 2417711 1 2417711 圈
9 32418313 1 32418313 推力板
10 2415638 1 2415638 密封 - O 的圈
11 32186137 3 32186137 螺拴

項目 零配件號碼 最近的部分號碼
2 3754 C001 1 3754 C001 蓋
3 0490485 1 36851416 密合墊
4 2431154 1 2431154 栓塞
5 0826244 6 0826244 圖釘
6 0920053 6 0920053 墊圈
7 0576002 6 0576002 螺帽
8 37766426 1 37766426 恒溫器殼
9 3684 R003 1 3684 R005 密合墊 - 水的泵
10 2431154 1 2431154 栓塞
11 2431154 1 2431154 栓塞
12 2485613 2 2485613 恒溫器
13 0096243 3 0096243 螺旋
14 0920053 6 0920053 墊圈
15 0096239 3 0096239 螺拴
18 2431131 1 2431131 栓塞