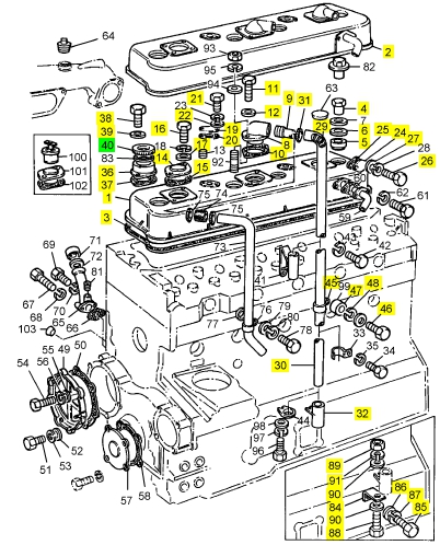
珀金斯柴油發動機37752燃油泵 1000
項目 零配件號碼 最近的部分號碼
1 37752 1 37752 燃油泵
2 2644951 1 2644951 套筒
3 31718104 1 31718104 密封
4 31718105 1 31718105 金屬線
5 33828108 1 3687 H017 密合墊 - 燃料的 INJ 泵
6 0826248 3 0826248 圖釘
7 0576151 3 0576151 螺帽
8 0920003 3 0920003 墊圈
9 0920053 3 0920053 墊圈
10 41425783 1 41425783 板
13 2415813 1 2415813 密封 - O 的圈
14 0826223 3 0826223 圖釘
15 0576002 3 0576002 螺帽
17 0920053 3 0920053 墊圈
18 35346007 1 35346007 燃料噴射管 號碼1 CYL。
19 35346008 1 35346008 燃料噴射管 號碼2 CYL。
20 35346009 1 35346009 燃料噴射管 號碼3 CYL。
21 35346011 1 35346011 燃料噴射管 號碼4 CYL。
22 35346012 1 35346012 燃料噴射管 號碼5 CYL。
23 35346013 1 35346013 燃料噴射管 號碼6 CYL。
24 36845114 2 36845114 馬勒
25 36511122 1 36511122 管夾
26 0726505 2 0726505 固定螺釘
29 0920051 2 0920051 墊圈
30 36844116 4 36844116 管夾
31 36511123 4 36511123 板
32 0726505 2 0726505 固定螺釘
33 2211401 2 2211401 螺帽
34 36845115 4 36845115 夾
35 36511127 4 36511127 板
36 0726505 4 0726505 固定螺釘
37 2211401 4 2211401 螺帽
38 2645 K008 6 2645 K008 噴油器
(38) 2645 K008R 6 2645 K008R 噴油器 -交換
41 0921173 6 0921173 噴油器墊圈
45 3558 H006 1 3558 H006 管 - 漏走開 U653695H
45 35587379 1 35587379 管 - 漏走開 U653694H
46 0095315 5 0095315 班卓琴螺拴
47 0201526 1 0201526 管套節
48 0921176 12 0921176 墊圈
53 0020006 1 0020006 球 U653694H
54 0576111 1 0576111 螺帽 U653694H
56 36822118 1 36822143 密合墊
85 0746259 12 0746259 螺旋
86 33813129 6 33813129 間隔器
87 33813127 6 3311 A041 密封 -噴油器

項目 零配件號碼 最近的部分號碼
39 2645 C305 1 2646466 夾持工具
39 2646466 1 2646466 夾持工具
40 2645 C612 1 2646844 噴油器噴嘴
40 2646844 1 2646844 噴油器噴嘴

項目 零配件號碼 最近的部分號碼
1 41424615 1 41424615 污水坑
4 32186405 2 32186405 栓塞
5 2415715 2 2415715 密封 - O 的圈
6 0726403 1 0726403 螺旋
7 36816707 1 U5MK0398 密合墊 -污水坑
8 3627 P042 1 3627 P042 結橋塊
8 3627 P013 1 3627 P042 結橋塊
9 32811408 2 21826038 密合墊
10 2172514 2 2172514 螺旋
11 0920521 2 0920521 墊圈
12 0826214 4 0826214 圖釘
13 2217101 4 2217101 圖釘
14 0576002 4 0576002 螺帽
15 0920053 4 0920053 墊圈
16 0746211 1 0746211 螺拴
17 0920003 2 0920003 墊圈
18 0746255 8 0746255 螺旋
19 0920053 22 0920053 墊圈
20 0746254 13 0746254 螺旋
21 35745871 1 35745871 油管
22 36832127 1 36832153 密合墊
23 0746255 2 0746255 螺旋
24 0920053 2 0920053 墊圈
25 0746254 1 0746254 螺旋
26 0920003 1 0920003 墊圈
27 0920053 1 0920053 墊圈
28 36418138 1 36418138 托架
29 0746254 1 0746254 螺旋
30 0576002 1 0576002 螺帽
31 0920003 2 0920003 墊圈
32 0920053 1 0920053 墊圈
33 35772614 1 35772614 管
34 33533103 1 33533103 螺帽
35 31788328 1 31788328 量油計
37 0827601 4 0827601 圖釘
38 2183204 4 2183204 螺旋

Perkins珀金斯配件汽缸蓋U711699L
項目 零配件號碼 最近的部分號碼
1 37186471 1 37186471 汽缸蓋 U711699L
2 41423285 1 41423285 汽缸蓋 U711700L
3 36811443 1 21826362 密合墊 -CYL。 冒口蓋
4 32726535 4 32726535 螺帽
5 33817135 4 33817135 密封
6 0920009 4 0920009 墊圈
8 37735501 1 37735501 體
9 33514511 1 33514511 連接
10 36833125 1 21826353 密合墊
11 0748414 2 0748414 固定螺釘
12 2411152 2 2411152 墊圈
14 37536841 1 37536841 板
15 36833125 1 21826353 密合墊
16 0748414 2 0748414 固定螺釘
17 2411152 2 2411152 墊圈
19 36171119 2 36171119 板
20 0490053 2 36831132 密合墊 - 油的填隙料
21 0748351 4 0748351 螺旋
22 2411151 4 2411151 墊圈
24 36171122 1 36171122 板
25 36861434 1 36861476 密合墊
26 0748414 2 0748414 固定螺釘
27 2411152 2 2411152 墊圈
29 31754119 1 31754119 彈簧
30 33872522 1 33872522 管
31 21825195 1 21825195 夾
32 35731149 1 35731149 連接
36 35784134 1 24870015 填隙料
37 36833125 1 21826353 密合墊
38 0748414 2 0748414 固定螺釘
39 2411152 2 2411152 墊圈
40 2487806 1 2487806 帽
40 2487845 1 2487845 帽
45 36568151 1 36568151 夾
46 0746253 1 0746253 螺旋
47 0920003 1 0920003 墊圈
48 0920053 1 0920053 墊圈
84 36441426 1 36441426 托架
85 0746254 1 0746254 螺旋
86 0920003 1 0920003 墊圈
87 0920053 1 0920053 墊圈
88 0746254 1 0746254 螺旋
89 0576002 1 0576002 螺帽
90 0920003 2 0920003 墊圈
91 0920053 1 0920053 墊圈
