英國珀金斯柴油機(jī)配件U5MB0030A曲軸瓦 1000
項(xiàng)目 零配件號碼 最近的部分號碼
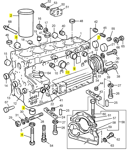
1 31173423 1 31173423 橋
2 2511447 1 2511447 惰輪傳動機(jī)構(gòu)襯套
3 31134129 1 31134129 襯套
4 31137481 2 31137481 板
5 2116 A023 1 2116 A023 合釘
6 31171733 1 31171733 附加的傳動機(jī)構(gòu)
7 33153136 1 33153136 板
8 2172544 3 2172544 螺旋
9 41115367 1 41115367 橋
10 33411572 1 33411572 橋環(huán)
11 1 活塞環(huán)
13 1 密封
14 41425608 1 41425608 止推橋承

項(xiàng)目 零配件號碼 最近的部分號碼
1 ZZ90113 1 檢查歷史 曲軸裝備
7 ZZ90009 6 ZZ90009 連桿總成
(7) ZZ90009P 6 ZZ90009P 連桿 -交換
13 68325 6 68325 活塞裝備
13 92505 6 92505 活塞裝備
17 41158016 6 41158016 活塞環(huán)裝備
17 41158034 6 41158034 活塞環(huán)裝備
28 31171211 1 31171211 曲軸傳動機(jī)構(gòu)
29 0500012 1 0500012 半圓鍵

項(xiàng)目 零配件號碼 最近的部分號碼
2 1 曲軸
3 68079 A 1 U5MB0030A 曲軸瓦 -U/S
3 68079 B 1 U5MB0030B 曲軸瓦 -U/S
3 68079 C 1 U5MB0030C 曲軸瓦 -U/S
3 68079 1 U5MB0030 曲軸瓦
4 31137312 1 31137312 止推片
4 31137551 2 31137551 止推片
5 31137322 1 31137322 止推片
5 31137561 2 31137561 止推片
6 85043 A 1 U5ME0035A 連桿瓦 -U/S
6 85043 B 1 U5ME0035B 連桿瓦 -U/S
6 85043 C 1 U5ME0035C 連桿瓦 -U/S
6 85043 1 85043 連桿瓦
28 31171682 1 31171682 曲軸傳動機(jī)構(gòu)

項(xiàng)目 零配件號碼 最近的部分號碼
8 1 CONROD
9 1 帽
10 31134123 1 31134123 連桿小的一端襯套
11 32762145 2 32762145 連桿螺拴
12 33221328 2 33221328 連桿螺帽
32 2135 A001 2 2135 A001 套管

項(xiàng)目 零配件號碼 最近的部分號碼
1 ZZ50100 1 ZZ50100 缸體總成
5 14 墊圈
8 0650692 1 0650692 栓塞
10 2431 A054 1 0650586 栓塞
12 32417115 1 32417115 栓塞
13 0650566 2 0650566 栓塞
15 32416118 1 32416118 栓塞
18 32417133 1 32417133 I 栓塞
19 32417134 1 32417134 栓塞
20 32418117 6 32418117 栓塞
23 32417127 3 32417165 栓塞
24 3627 P012 1 3627 P042 結(jié)橋塊
25 32811408 2 21826038 密合墊
26 2172514 2 2172514 螺旋
27 0920521 2 0920521 墊圈
28 0826201 2 0826201 圖釘
29 0576002 2 0576002 螺帽
31 0920053 2 0920053 墊圈
32 4142 V066 1 4142 V066 密封 - 再操作系統(tǒng)殼
34 3681 T012 1 3681 T018 密合墊 - 油的密封殼
35 0350009 2 0350009 合釘
36 0746211 12 0746211 螺拴
37 0920003 12 0920003 墊圈
38 2172530 2 2172530 CAPSCREW
65 0650582 1 0650582 栓塞
66 3311 R003 1 2415 D108 墊圈

項(xiàng)目 零配件號碼 最近的部分號碼
2 31358352 6 31358352 缸套
3 33142111 14 33142111 套管
4 32166329 14 32166329 螺旋
6 32418117 7 32418117 栓塞
7 32418117 2 32418117 栓塞
9 0650710 4 0650710 栓塞
11 32416116 5 32416116 栓塞
