珀金斯Perkins4008柴油發動機發電機SE116AE燃油泵
序號 零配件號碼 近期零配件號碼 描述
1 SE116AE 1 SE116AE 燃油泵
1 SE116AD 1 SE116AE 燃油泵

序號 零配件號碼 近期零配件號碼 描述
1 SE120AB/30 1 SE120AB/30 銅套 - 油的吸入
2 365/523 1 365/523 彈簧
3 87/14 1 87/14 墊圈
4 SE121/24 1 SE121/24 架
5 312062 2 312062 固定螺釘
6 318210 2 318210 彈簧墊片
7 318012 2 318012 墊圈
8 819/479 1 819/479
9 318011 2 318011 墊圈
10 576/174 8 576/174 密封O圈
11 576/171 8 576/171 密封O圈
12 SE121A/50 8 SE121A/50 活塞冷卻噴射
13 339/37 8 339/37 軸環
14 449/59 8 449/59
15 312063 8 312063 固定螺釘
16 318210 8 318210 彈簧墊片

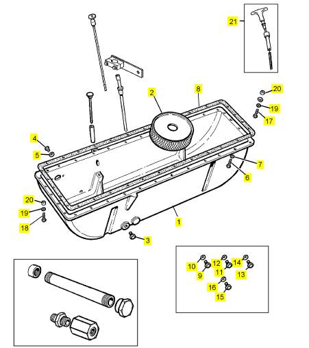
序號 零配件號碼 近期零配件號碼 描述
1 8 SE50F/13 1 8 SE50/39 油底殼
2 8 SE112 1 8 SE112 過濾器
3 335/272 1 335/272 堵塞
4 012504 1 012504 堵塞
5 012653 1 012653 墊圈
6 312064 28 312064 固定螺釘
7 2086/010 28 2086/010 彈簧墊片
8 8 SE70A 1 8 SE70A 密封墊 -油底殼
9 012503 1 335/8 堵塞
10 012652 1 012652 墊圈
11 012504 1 012504 堵塞
12 012653 1 012653 墊圈
13 012505 1 012505 堵塞
14 012654 1 012654 墊圈
15 012506 2 012506 堵塞
16 276/241 2 276/241 墊圈
17 310067 2 310067 螺拴
18 310059 18 310059 螺拴
19 318210 20 318210 彈簧墊片
20 374/1317 20 374/1317
21 SE123B 1 SE123B 機油尺

珀金斯Perkins4008柴油發動機發電機
序號 零配件號碼 近期零配件號碼 描述
1 582/136 1 582/136 機油冷卻器
(1) 半徑/582/136 1 半徑/582/136 機油冷卻器

珀金斯Perkins4008柴油發動機發電機
序號 零配件號碼 近期零配件號碼 描述
1 8 SE427M 1 8 SE427M 銅套 -燃料
2 599/93 1 599/93 承接器
3 8 SE120G/35 1 8 SE120G/35 銅套 -油
4 599/44 1 599/44 銅套套節
5 8 SE427R 1 8 SE427R 銅套 -燃料
6 599/35 1 599/35 銅套套節
7 664/1964 2 664/1964 托架
8 551 H/700 2 551 H/700
9 310039 2 310039 螺拴
10 317411 2 317411 螺帽
11 SE427GS 1 SE427GS 銅套 -燃料
12 669/7 1 669/7 銅套套節
13 535/373 1 535/373 承接器
14 535/373 1 535/373 承接器
15 669/7 1 669/7 銅套套節
16 599/93 1 599/93 承接器
17 SE429Q/22 1 SE429Q/22 托架

珀金斯Perkins4008柴油發動機發電機
序號 零配件號碼 近期零配件號碼 描述
1 SE111B/23 1 SE111B/23 機油濾清器座
2 SE111A/36 1 SE111A/36 密封墊 - 機油濾清器的座
3 312066 16 312066 固定螺釘
4 2086/010 16 2086/010 彈簧墊片
5 535/203 3 535/203 承接器
6 4324909 3 4324909 機油濾清器
6 SE111B 3 4324909 機油濾清器
7 335/210 1 335/210 堵塞
8 641/26 3 641/26 堵塞
9 335/209 1 335/209 堵塞

溫馨提示
我司建立了一套完整的英國Perkins零配件供應體系,全天候快速響應,純正的Perkins配件是您最佳的選擇,因為您所得到的是延長Perkins動力系統壽命的最佳保證。
網頁中公布的Perkins發動機配件號與圖片僅為參考,因 Perkins動力系統零配件型號與技術參數太多,沒能全部展示,如有配件與維修技術資料方面的需求,請與本司的在線客服溝通與交流,希望我們能夠幫您節約更多等待備件時間和維修技術方面的困難。
特別聲明:我司只銷售Perkins原廠配件,需付廠或防品件請繞道,謝謝。