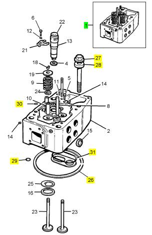
珀金斯Perkins4008柴油發動機發電機T400911汽缸蓋總成
序號 零配件號碼 近期零配件號碼 描述
1 T400911 8 T400911 汽缸蓋總成
(1) T400911R 8 T400911R 汽缸蓋總成
26 SE2H 8 SE2H 汽缸蓋密封墊
27 503/302 32 503/302 螺拴
28 2088/15 32 2088/15 墊圈
29 576/160 32 576/160 密封O圈
30 576/169 8 576/169 密封O圈
31 T417178 8 T417178 密封O圈

Perkins4008柴油發動機發電機SE1AR 8汽缸蓋總成
序號 零配件號碼 近期零配件號碼 描述
1 SE1AR 8 汽缸蓋總成
18 SE1B/39 8 SE1B/39 承件
19 SE2H 8 SE2H 汽缸蓋密封墊
20 503/287 32 螺拴
21 2088/14 32 2088/15 墊圈
22 576/218 32 576/218 密封O圈
23 576/237 8 576/237 密封O圈
24 576/151 8 576/151 密封O圈

序號 零配件號碼 近期零配件號碼 描述
2 1 汽缸蓋
3 740/101 2 740/101 氣門座圈
4 392/42 4 392/42 導管
5 SE7AB/14 4 SE7AJ/14 氣閥門
6 365/472 4 365/472 氣門彈簧
7 L7C/15 4 L7C/15 帽
8 HW7B/18 8 HW7B/18 氣門鎖夾
9 SE1/12 1 SE1/12 套筒
10 576/139 1 576/139 密封O圈
11 641/23 2 641/23 堵塞
12 642/25 10 642/25 堵塞
13 340/397 2 340/434 固定銷
14 2121/1 1 2121/1 圖釘
15 316481 1 316481 圖釘
16 55/69 2 55/69 SPIROL 銷
17 740/106 2 740/106 氣門座圈

序號 零配件號碼 近期零配件號碼 描述
1 SE8M 8 SE8M 凸輪從動件
2 SE153G 16 SE153G PUSHROD
3 SE153W 8 SE153W PUSHROD
4 SE121E/49 8 SE121E/49 凸輪從動件臂
5 314030 8 314030 CAPSCREW
6 SE644B/1 8 SE644B/1 密封墊
7 312066 23 312066 固定螺釘
8 318210 23 318210 彈簧墊片

序號 零配件號碼 近期零配件號碼 描述
2 SE8E/3 1 門
3 SE8F/5 1 SE8F/5 軸
4 Y09/00006 2 Y09/00006 凸輪從動件
5 Y09/00007 1 Y09/00007 凸輪從動件
6 420/122 7 420/122 填隙用墊片
7 3 堵塞
8 314081 2 314081 CAPSCREW
9 SE121E/49 1 SE121E/49 凸輪從動件臂
10 314030 1 314030 CAPSCREW

我司建立了一套完整的英國Perkins零配件供應體系,全天候快速響應,純正的Perkins配件是您最佳的選擇,因為您所得到的是延長Perkins動力系統壽命的最佳保證。
網頁中公布的Perkins發動機配件號與圖片僅為參考,因 Perkins動力系統零配件型號與技術參數太多,沒能全部展示,如有配件與維修技術資料方面的需求,請與本司的在線客服溝通與交流,希望我們能夠幫您節約更多等待備件時間和維修技術方面的困難。
特別聲明:我司只銷售Perkins原廠配件,需付廠或防品件請繞道,謝謝。