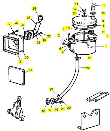
珀金斯Perkins 4012柴油發動機發電機配件
項次 零配件編號 最近的零配件編號 描述
1 SE122/1 2 SE122/1 呼吸者體
2 SE122B/1 4 SE122B/1 支撐托架
3 312064 8 312064 固定螺釘
4 317012 8 317012 螺帽
5 2086/010 8 2086/010 彈簧墊片
6 522/37 4 522/37 過濾器
7 55/61 2 55/61 合釘
8 331/275 2 331/275 墊片
9 SE122AC/1 2 SE122AC/1 蓋子
10 316463 2 316463 圖釘
11 317505 2 317505 翼形螺帽
12 318209 2 318209 彈簧墊片
13 318011 2 318011 墊圈
14 892/38 2 892/42 水管 -呼吸者
15 525/19 M 2 525/19 M 水管夾
17 SE122W/1 1 SE122W/1 肘管
17 SE122X/1 1 SE122X/1 肘管
18 331/266 2 331/266 墊片
19 316478 6 316478 圖釘
20 317012 6 317012 螺帽
21 2086/010 6 2086/010 彈簧墊片
22 892/32 2 892/32 管 -呼吸者
23 525/19 M 6 525/19 M 水管夾
24 316478 5 316478 圖釘
24 UF006/8 A 5 UF006/8 A 圖釘
25 317012 5 317012 螺帽
25 UFN106/一 5 UFN106/一 螺帽
26 282/315 1 282/315 墊片 - 油的填隙料
26 282/301 1 282/301 墊片 - 油的填隙料
27 SEV110B/1 1 SEV110C/1 油填隙料管
27 SV110B/1 1 SV110B/1 油填隙料
28 JV110A/2 1 JV110A/2 加油口蓋
29 318210 5 318210 彈簧墊片
29 85/3 5 85/3 彈簧墊片
30 SEV50X/30 1 SEV50X/30 檢驗蓋
30 504/703 1 504/703 板
31 282/299 1 282/299 墊片
32 312064 4 312064 固定螺釘
33 318210 4 318210 彈簧墊片
34 SEV50/30 1 SEV50/30 缸體側蓋

溫馨提示
我司建立了一套完整的英國Perkins零配件供應體系,全天候快速響應,純正的Perkins配件是您最佳的選擇,因為您所得到的是延長Perkins動力系統壽命的最佳保證。
網頁中公布的Perkins發動機配件號與圖片僅為參考,因 Perkins動力系統零配件型號與技術參數太多,沒能全部展示,如有配件與維修技術資料方面的需求,請與本司的在線客服溝通與交流,希望我們能夠幫您節約更多等待備件時間和維修技術方面的困難。
特別聲明:我司只銷售Perkins原廠配件,需付廠或防品件請繞道,謝謝。