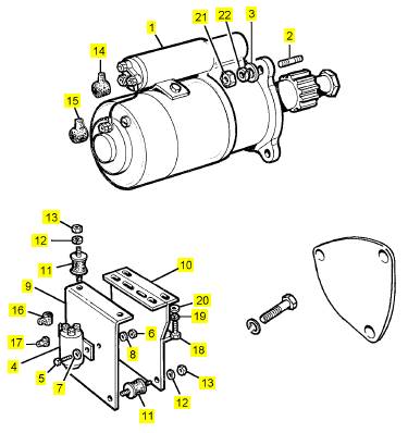
珀金斯Perkins 4012柴油發動機發電機701/129啟動馬達
項次 零配件編號 最近的零配件編號 描述
1 701/129 2 啟動馬達
2 2121/6 6 2121/6 圖釘
3 2088/1 6 2088/1 墊圈
4 589/93 2 589/93 接替者
4 589/86 2 589/93 電磁停機閥
5 312038 4 312038 螺絲
6 317009 4 317009 螺帽
7 318009 4 318009 墊圈
8 318208 4 318208 彈簧墊片
9 664/1698 2 664/1698 托架
10 664/1697 2 664/1697 托架
11 743/105 8 743/105 架設
12 318208 16 318208 彈簧墊片
13 317009 16 317009 螺帽
14 696/2 2 696/2 橡皮長靴
15 696/3 2 696/3 橡皮長靴
16 6 蓋
17 2 蓋
18 310059 2 310059 螺拴
19 318210 2 318210 彈簧墊片
20 318012 2 318012 墊圈
21 317013 6 317013 螺帽
22 318211 6 318211 彈簧墊片
Item Parts No. Qty. Latest Part No. Description Cut Out Cut In Comment
1 701/129 2 Check History STARTER MOTOR
2 28730269 1 Y97/00006 DRIVE KIT
3 Y89/00180 1 Y89/00180 BRUSH KIT

溫馨提示
我司建立了一套完整的英國Perkins零配件供應體系,全天候快速響應,純正的Perkins配件是您最佳的選擇,因為您所得到的是延長Perkins動力系統壽命的最佳保證。
網頁中公布的Perkins發動機配件號與圖片僅為參考,因 Perkins動力系統零配件型號與技術參數太多,沒能全部展示,如有配件與維修技術資料方面的需求,請與本司的在線客服溝通與交流,希望我們能夠幫您節約更多等待備件時間和維修技術方面的困難。
特別聲明:我司只銷售Perkins原廠配件,需付廠或防品件請繞道,謝謝。