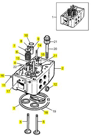
Perkins 4016柴油機氣門、氣門座圈、氣門閥鎖夾
項次 零配件編號 最近的零配件編號 描述
2 1 汽缸蓋
2 1 汽缸蓋
3 740/101 2 740/101 氣門座圈
3 740/101 4 740/101 氣門座圈
4 392/42 4 392/42 導入
5 SE7AB/14 4 SE7AJ/14 氣門
5 SE7W/14 4 SE7AJ/14 氣門
6 365/472 4 365/472 氣門彈簧
7 L7C/15 4 L7C/15 帽
8 HW7B/18 8 HW7B/18 氣門閥鎖夾
9 SE1/12 1 SE1/12 套筒
10 576/139 1 576/139 密封O型圈
11 641/23 2 641/23 栓塞
12 642/25 10 642/25 栓塞
13 340/397 2 340/434 合釘
14 2121/1 1 2121/1 圖釘
15 316481 1 316481 圖釘
16 55/69 2 55/69 SPIROL 銷
17 2642/1 2 2642/1 栓塞
18 740/106 2 740/106 氣門座圈
Item Parts No. Qty. Latest Part No. Description Cut Out Cut In Comment
1 SE152A/1 16 SE152A/1 ROCKER BOX
2 55/69 32 55/69 SPIROL PIN
3 314139 16 503/299 CAPSCREW
4 317015 16 317015 NUT
5 SE152A/24 32 SE152A/24 BRIDGE PIECE U0215D
5 SE152B/24 32 SE152A/24 BRIDGE PIECE U0215D
8 SE152D/26 16 SE152D/26 GASKET - CYLINDER HEAD
8 310069 48 310069 BOLT
8 SE152C/26 16 Check History GASKET - CYLINDER HEAD
9 SEV152D 16 SEV152D ROCKER ARM ASSEMBLY U0215D
9 SEV152B 16 SEV152D ROCKER ARM U0215D
15 SE153A/2 16 SE153E/2 PAD
16 SE483H 16 SE483Q LEVER
22 317012 16 317012 NUT
23 318210 16 318210 SPRING WASHER
24 318012 16 318012 WASHER
25 314086 48 314086 CAPSCREW
25 310069 48 310069 BOLT
25 SE152C/26 16 Check History GASKET - CYLINDER HEAD
26 318012 48 318012 WASHER
27 SEV1520M 16 SEV1520M ROCKER SHAFT ASSEMBLY U0215D
27 SEV1520G 16 SEV1520G ROCKER SHAFT ASSEMBLY U0215D
28 SE152B/24 32 SE152A/24 BRIDGE PIECE U0215D
31 SE152M 16 SE152M ROCKER ARM ASSEMBLY
34 SE152N 16 SE152N ROCKER ARM ASSEMBLY
37 SE152P 16 SE152P ROCKER SHAFT ASSY - MINOR
Item Parts No. Qty. Latest Part No. Description Cut Out Cut In Comment
6 SE152/29 1 SE152/29 ADJUSTER
7 2510/100 1 3331A004 LOCKNUT
29 SE152/29 1 SE152/29 ADJUSTER
30 2510/100 1 3331A004 LOCKNUT
Item Parts No. Qty. Latest Part No. Description Cut Out Cut In Comment
10 1 ROCKER
11 SE152D/5 1 SE152D/5 ADJUSTER
12 SE153B/3 1 SE153B/3 END
13 355900 1 355900 PLUG
14 319/146 1 319/147 LOCKNUT
40 1 ROCKER
41 SE152D/5 1 SE152D/5 ADJUSTER
42 SE153B/3 1 SE153B/3 END
43 355900 1 355900 PLUG
44 319/146 1 319/147 LOCKNUT
Item Parts No. Qty. Latest Part No. Description Cut Out Cut In Comment
28 SE152A/24 2 SE152A/24 BRIDGE PIECE
31 SE152M 1 SE152M ROCKER ARM ASSEMBLY
34 SE152N 1 SE152N ROCKER ARM ASSEMBLY
37 SE152P 1 SE152P ROCKER SHAFT ASSY - MINOR
39 SEV152D 1 SEV152D ROCKER ARM ASSEMBLY
Item Parts No. Qty. Latest Part No. Description Cut Out Cut In Comment
6 SE152/29 1 SE152/29 ADJUSTER
7 2510/100 1 3331A004 LOCKNUT
29 SE152/29 1 SE152/29 ADJUSTER
30 2510/100 1 3331A004 LOCKNUT

溫馨提示
我司建立了一套完整的英國Perkins零配件供應體系,全天候快速響應,純正的Perkins配件是您最佳的選擇,因為您所得到的是延長Perkins動力系統壽命的最佳保證。
網頁中公布的Perkins發動機配件號與圖片僅為參考,因 Perkins動力系統零配件型號與技術參數太多,沒能全部展示,如有配件與維修技術資料方面的需求,請與本司的在線客服溝通與交流,希望我們能夠幫您節約更多等待備件時間和維修技術方面的困難。
特別聲明:我司只銷售Perkins原廠配件,需付廠或防品件請繞道,謝謝。