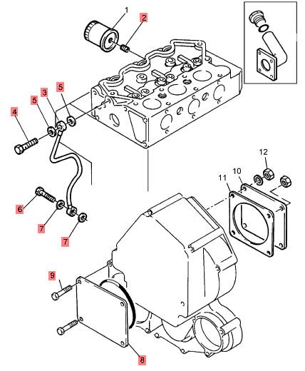
Perkins100柴油發動機濾油器
項目 老件號 新件號 描述
1 1 濾油器
2 1 連接
3 1 油管
4 1 螺拴
5 2 墊圈
6 1 螺拴
7 2 墊圈
8 165206010 1 165206510 板
8 165206400 1 165206510 蓋
9 010310865 3 010310865 螺拴
10 165206010 1 165206510 板
10 165206400 1 165206510 蓋
11 165996110 1 U65996110 墊片 - 油的填隙料
12 023100008 4 023100008 螺母

溫馨提示
我司建立了一套完整的英國Perkins零配件供應體系,全天候快速響應,純正的Perkins配件是您最佳的選擇,因為您所得到的是延長Perkins動力系統壽命的最佳保證。
網頁中公布的Perkins發動機配件號與圖片僅為參考,因 Perkins動力系統零配件型號與技術參數太多,沒能全部展示,如有配件與維修技術資料方面的需求,請與本司的在線客服溝通與交流,希望我們能夠幫您節約更多等待備件時間和維修技術方面的困難。
特別聲明:我司只銷售Perkins原廠配件,需付廠或防品件請繞道,謝謝。